LED草坪灯IC应用功能选型以及应用产品介绍

LED太阳能草坪灯IC主要利用太阳能电池的能源来进行工作,当白天太阳光照射在太阳能板上,把光能转变成电能存贮在电池中,再由电池在晚间为草坪灯的LED提供电源。有安全、节能、方便、环保等优点。
2023-05-12   550 次浏览

IC芯片vth_oc什么意思?

IC芯片的vth_oc通常指芯片内部MOSFET晶体管开路状态下的典型阈值电压。由于大多数IC芯片(例如逻辑器件、开关电源控制器等)都包含了与MOSFET相关的开关控制功能,因此,vth_oc参数非常重要,决定了芯片内部MOSFET晶体管的起始状态和控制效果。在实际应用中,vth_oc通常是由芯片制造商提供的典型电性能参数之一。
2023-04-28   619 次浏览

0-10v调光和可控硅调光的区别是什么?

0-10V调光和可控硅调光是两种不同的调光方式,两者具有以下区别:1. 调光方式不同:0-10V调光是基于电压调节的方式,使用电压控制器来调节灯光的亮度??煽毓璧鞴庠蚴腔谙辔豢刂频姆绞?,通过控制器控制可控硅导通的时间来控制电流大小,从而调节灯光的亮度。2. 调光方式精度不同:0-10V调光精度相对较高,可以实现从0到100%的无级调节??煽毓璧鞴獾木认喽越系?,通常只能实现3-4级调节。
2023-04-28   873 次浏览

太阳能控制板用8050芯片起到什么作用

在太阳能控制板中主要用于电流放大和电路控制。具体来说,它可以用于开关电路、驱动电机、控制LED等等。在太阳能控制板中,8050可以用于控制充电电流的大小、充电状态的判断以及控制充电电流的流向等功能。太阳能控制板是一种用于将太阳能转换为电能并进行控制的电子设备,通常由太阳能电池板、电池充电控制电路、电池管理电路、输出电路等组成。8050作为控制芯片,可以用于太阳能控制板中充电电流与电池之间的控制。
2023-04-27   722 次浏览

3.7v太阳能灯控制电路IC芯片选型推荐

选定太阳能灯控制IC芯片需要考虑功能要求、适应性、可靠性和性价比等多方面因素,以便选到最适合的芯片。建议可以参考一些比较常用的芯片型号,如YX8183、YX8183L、YX8183H等。
2023-04-26   1416 次浏览

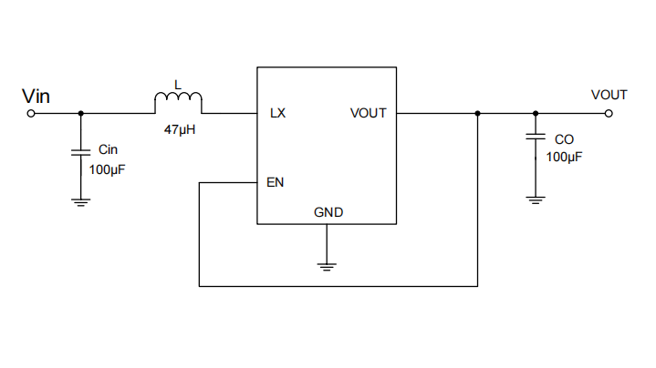
IC芯片脚位 fb脚电压高的原因以及解决办法

在IC芯片中,FB脚是用来反馈输出电压的电压信号回到芯片的控制端,用于控制输出稳压器的输出。下面以这YX8183L芯片电路图举例:表 1. 引脚描述SOT-23-5引脚名称引脚功能描述1FB反馈输入端2GND芯片地3BAT电池正极4SOL太阳能输入脚5LX开关引脚YX8183L电路内部逻辑框图典型特性曲线VBAT = 3.2V,Rs=1Ω,负载白光LED(VF=2.8V)
2023-04-25   1581 次浏览

led rc版本是什么意思?

LED RC版本通常指支持??仄骺刂频腖ED灯带产品。这类产品通常使用红外线、无线电或蓝牙等通信方式在遥控器和LED灯带之间建立连接,遥控器可以控制灯带的颜色、亮度、模式等各种参数,从而实现不同的灯光效果。由于??仄鞯募尤?,LED RC版本产品比传统的LED灯带则更加方便、实用和易用,使得用户可以自由控制自己想要的灯光效果,比如白天、夜间的不同需求,或者特殊场合的氛围需要。
2023-04-24   921 次浏览

dc/dc恒流降压型没带负载时输入电压和输出电压相差4v左右为什么?

DC/DC恒流降压型电路是一种用于将电源电压降低到所需的电压值的电路,其特点是输出电压和输出电流基本稳定。OC5213 SOT23-5封装图片如果在该电路的输出端没有负载时,输入电压和输出电压相差4V左右可能是由以下几个原因造成的:OC5213电路应用原理图1. 输入电压的稳定性不够好。当输入电压不稳定、波动较大时,输出电压也会产生相应的波动。此时,建议使用正常的电源,以确保输入电压的稳定性。
2023-04-23   494 次浏览

太阳能灯驱动器是什么

太阳能灯驱动器是太阳能照明系统中的关键组件之一,用于调节和控制太阳能灯的工作状态。YX861A 太阳能驱动IC 封装图片太阳能灯驱动器主要由电源、充电电路、电池管理电路、LED驱动电路等组成。其主要作用在于将太阳能电池板收集的能量转换为直流电,并通过适当的管理、?;ず涂刂频缏?,以供电给LED灯光源使用。
2023-04-23   618 次浏览