YX806 太阳能LED草坪灯芯片

2023-03-08 发布
产品介绍
产品特点
产品应用
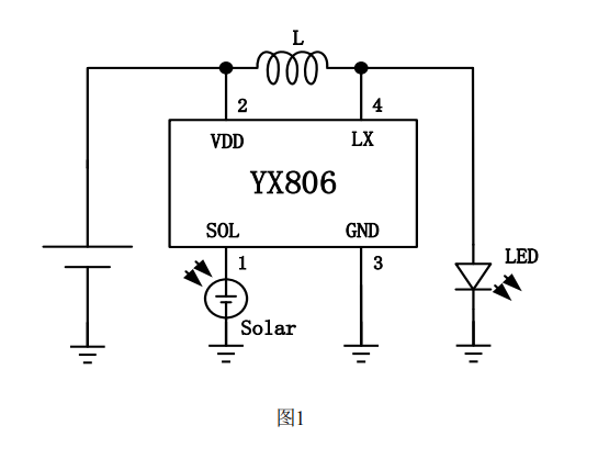
电路原理
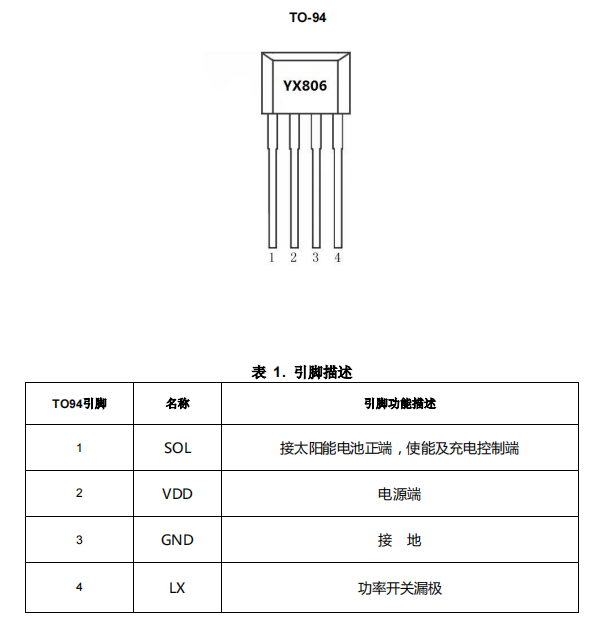
管脚功能

产品介绍

YX806,太阳能LED草坪灯芯片封装图

YX806PDF规格书

点击下载

YX806开发应用方案

请联系在线客服,获取开发文档。

&"http://m.o0kh.cn/post/taiyangnengLEDcaopingdengxinpian/K2m7B29yQvOR.html" >YX806 太阳能蜡烛灯采样 1 节 1.2V 充电电池,利用太阳能电池的能源来进行工作,当白天太阳光照射在太阳能电池上,把光能转变成电能存贮在蓄电池中,再 由蓄电池在晚间为蜡烛灯(黄色 LED)提供电源、驱动黄色 LED 像蜡烛一样闪烁。其优点主要为安全、节能、方便、环保等。

YX806采用TO94封装以及最少1个外围器件,可有效减小电路PCB布板空间。 

YX806可工作于-40°C到+85°C。

产品特点

高效率:85%(典型值),可充分 利用太阳能电池

外围器件少: 仅需一个电感

有电池过放?;すδ?/p>

输入电流可通过调电感量调整

产品应用

室内蜡烛灯

室外蜡烛

应用电路图原理

引脚定义及功能详解