YX805F 太阳能LED草坪灯芯片
产品介绍
Y"http://m.o0kh.cn/post/taiyangnengLEDcaopingdengxinpian.html" >太阳能草坪灯升压控制芯片,适用于一节 1.2V 充电电池串联供电的太阳能草 坪灯。主要功能有充电控制、升压驱动、光控等。
太阳能草坪灯主要利用太阳能电池的能源来进行工作,当白天太阳光照射在太阳能电池上,把光能转变 成电能存贮在蓄电池中,再由蓄电池在晚间为草坪灯的 LED(发光二极管)提供电源。其有安全、节能、方便、 环保等优点。
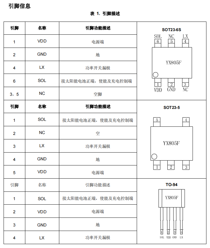
YX805F采用绿色环保的SOT23-6S、SOT23-5和 TO-94封装以及最少1个外围器件,可有效减小电路 PCB布板空间。
YX805F可工作于-40°C到+85°C。
产品特点
高效率:83%(典型值),可充分 利用太阳能电池
外围器件少: 仅需一个电感
低压电池?;すδ?/p>
输入电流可通过调电感量调整
产品应用
太阳能草坪灯
LED 驱功
景观装饰灯串
室内装饰灯串
应用电路图原理


引脚定义及功能详解





