SM2611EG 智能调光/线性恒流
产品介绍
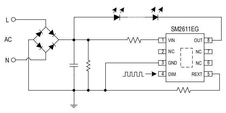
SM2611EG 是一款单通道可调光 LED 线性恒流控制芯片,芯片使用本司专利的恒流设定和控制技术,输出电流由外接 Rext 电阻设置, 最大电流可达 100mA,且输出电流不随芯片 OUT 端口电压而变化。 芯片可通过 DIM 端口实现 PWM 调光功能,OUT 端口输出电流为模拟量,调光无频闪,具有良好的调光精度。系统结构简单,外围元件极少,方案成本低。
产品特点
本司专利的恒流控制技术
a) OUT 端口输出电流外置可调,最 大电流可达 100mA
b) 芯片间输出电流偏差<± 5%
输入电压:120Vac/220Vac
PWM 转模拟输出
DIM 端口悬空,OUT 端口默认关闭
低待机功耗 ? 具有过温调节功能
芯片可与 LED 共用 PCB 板
线路简单、成本低廉
封装形式:ESOP8
产品应用
智能???、人体感应、声控、等智 能化控制 LED 照明领域

LED 灯丝灯

LED 球泡灯

LED 吸顶灯
应用电路图原理

典型应用
方案一 智能调光典型应用

系统增加??乜刂频缏房墒迪种悄芤?氐频挠τ?,控制电路的两路 PWM 信号通过对芯片的 DIM 端口控制,调 节系统输出电流。??氐缏返目刂撇糠挚刹捎玫湫臀尴呱淦祷蚶堆赖缏?,通过遥控器或智能手机 APP 应用对智能灯 进行控制。
DIM 端口接收控制电路输出的 PWM 信号调节系统电流,系统 LED 灯组最大电流:

PCB layout 注意事项

(1) IC 衬底与 PCB 需要采用锡膏工艺,保证 IC 衬底与 PCB 接触良好,IC 衬底禁止使用红胶工艺。
(2) 系统实际输出功率与 PCB 板及灯壳本身散热情况有关,实际应用功率需匹配散热条件。
(3) IC 衬底部分进行铺铜处理,进行散热,增加可靠性,铺铜如上图所示,建议衬底焊盘大小为 2.5mm*1.8mm。
(4) IC 衬底焊盘漏铜距离 VIN 端口需保证 1mm 以上的间距,距离 OUT 端口需保证 0.8mm 以上的间距。
引脚定义及功能详解

管脚说明
| 管脚序号 | 管脚名称 | 管脚说明 |
| 1 | VIN | 电源输入端口 |
| 2、6、7 | NC | 悬空脚 |
| 3 | GND | 芯片地 |
| 4 | DIM | 调光端口 |
| 5 | REXT | 输出电流值设置端口 |
| 8 | OUT | 恒流输出端口 |
| 衬底 | NC | 悬空(应用建议接 GND) |




