SM2196KF 智能调光/线性恒流
产品介绍
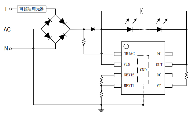
SM2196KF 是一款高效带可控硅检测、线网电压补偿的双通道 LED 线性恒流控制芯片,该芯片使用本司专利的恒流和恒功率控制技术,通过检测 VT 端口电压控制输出电流,从而使得在输入电压变化时,输入功率基本保持不变;同时具有良好的可控硅兼容性,通过检测 TRIAC 端口电压控制泄放电流,从而使得在无可控硅接入系统时,关闭 TRIAC 端口,在有可控硅接入系统时,正常开启 TRIAC 端口。
芯片具有过温调节功能,当芯片温度过高,减小输出电流,提 高系统应用可靠性。
产品特点
本司专利的恒流控制技术
a) OUT 端口输出电流外置可调,最大电流可达 330mA
b) TRIAC 端口输出电流外置可调, 最大电流可达 50mA
c) 芯片间输出电流偏差<± 5%
输入电压:120Vac
内置线网电压补偿
良好的可控硅调光兼容性
具有过温调节功能
芯片可与 LED 共用 PCB 板
封装形式:ESOP8
产品应用

灯丝灯

LED 球泡灯
其它 LED 照明应用
应用电路图原理

典型应用方案
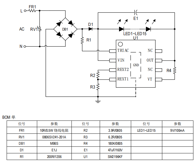
球泡灯方案(9W@120Vac)

1. 通过改变 R3 电阻值,调整输出工作电流值,通过改变 R2、R3 电阻值,调整泄放电流值。
2. R4 为系统 VT 脚检测电阻,若灯压>135V 时,R4 建议取值 100K~150K,具体数值根据方案恒功率效果而定。
3. TRIAC 脚电阻 R1 建议使用 200R,用于提高可控硅兼容性。
4. 为提高系统可靠性,RV1 建议保留。
PCB layout 注意事项

(1) IC 衬底与 PCB 需要采用锡膏工艺,保证 IC 衬底与 PCB 接触良好,IC 衬底禁止使用红胶工艺。
(2) 系统实际输出功率与 PCB 板及灯壳本身散热情况有关,实际应用功率需匹配散热条件。
(3) IC 衬底部分进行铺铜处理,进行散热,增加可靠性,铺铜如上图所示,建议衬底焊盘大小为 2.5mm*1.8mm。
(4) IC 衬底焊盘漏铜距离每个引脚需保证 0.8mm 以上的间距。
引脚定义及功能详解

管脚说明
| 管脚序号 | 管脚名称 | 管脚说明 |
| 1 | TRIAC | 输入电压监测与恒流输出、可控硅检测端口 |
| 2 | VIN | 芯片高压供电输入端口 |
| 3 | REXT2 | 输出电流值设置端口 2 |
| 4 | REXT1 | 输出电流值设置端口 1 |
| 5 | VT | 恒功率采样端口 |
| 7 | OUT | 恒流输出端口 1 |
| 6、8 | NC | 悬空脚 |
| 衬底 | GND | 芯片地 |




