SM2223E 智能调光/线性恒流

2023-04-25 发布
产品介绍
产品特点
产品应用
电路原理
管脚功能

产品介绍

SM2223E,智能调光/线性恒流封装图

SM2223EPDF规格书

点击下载

SM2223E开发应用方案

请联系在线客服,获取开发文档。

SM2223E 是一款开关调光/调色的 LED 线性恒流控制芯片,集成 了高压 MOS 管和 JFET 高压供电功能。芯片可通过外围电阻设置实 现两段/三段调节色温和调光功能。 

当 SM2223E 在调节亮度应用中,可根据开启关闭电源开关,依 次改变输出电流的大小,从而改变 LED 灯的亮度,调节亮度比例可 以通过外接 REXT 电阻进行调整。 

当 SM2223E 在调节色温应用中,可根据开启关闭电源开关,依 次改变两路输出端口开关状态,实现两路不同颜色 LED 灯的交替亮 灭以实现调节色温的目的,调节外接 REXT 电阻可对输出功率进行调节。 

SM2223E 芯片具有过温调节功能,当芯片温度达到过温调节点 时,输出电流逐渐下降,起到?;ば酒墓δ埽岣哂τ每煽啃?。

产品特点

本司专利的恒流控制技术 

a) OUT1、OUT2 端口输出电流外置 可调,最大电流可达 65mA 

b) 芯片间输出电流偏差<± 5%

  • 输入电压:120Vac/220Vac

  • 兼容开关调光/调色功能

  • 三段调色状态:A-AB-B 或 A-B-AB

  • 两段调色状态:A-B

  • 三 段 调 光 状 态 : 100%-50%-X% 或 100%-X%-50%

  • 两段调光状态:100%-X%

  • 具有过温调节功能

  • 封装形式:ESOP8

产品应用

LED 恒流驱动

T5/T8系列日光灯管LED芯片图片

T5/T8 系列 LED 日光灯管

SM2082D单通道LED线性恒流控制芯片应用产品领域球泡灯图片

LED 球泡灯

LED吸顶灯应用案例图片

LED 吸顶灯

应用电路图原理

典型应用方案

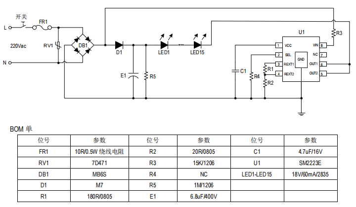
方案一 高 PF 值调光方案(9W)

1. LED 灯串电压建议控制在 230V 到 250V 之间,系统工作最优化。 

2. 通过改变 R1,R2 电阻值,调整输出工作电流值。 

3. 为提高系统可靠性,C2、RV1 建议保留。 

4. 应用说明,通过改变 R4 电阻状态,可实现不同调光状态; 

a、当 R4 悬空,开关周期≤5S(VCC 电容设置)时,调光比例为 100%,50%,10%; 

b、当 R4 接 51K 电阻,当开关周期≤5S 时,调光比例为 100%,10%,50%; 

c、当 R4 接地,当开关周期≤5S 时,调光比例为 100%,10%。

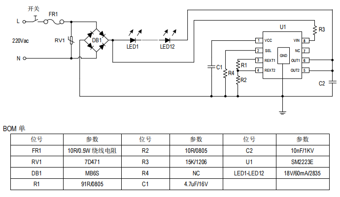
方案二 无频闪调光方案(9W)

1. LED 灯串电压建议控制在 250V 到 270V 之间,系统工作最优化。 

2. 通过改变 R1,R2 电阻值,调整输出工作电流值。 

3. 压敏电阻 RV1 可根据客户需求选择是否保留。 

4. 应用说明,通过改变 R4 电阻状态,可实现不同调光状态; 

a、当 R4 悬空,开关周期≤5S(VCC 电容设置)时,调光比例为 100%,50%,10%; 

b、当 R4 接 51K 电阻,当开关周期≤5S 时,调光比例为 100%,10%,50%; 

c、当 R4 接地,当开关周期≤5S 时,调光比例为 100%,10%。

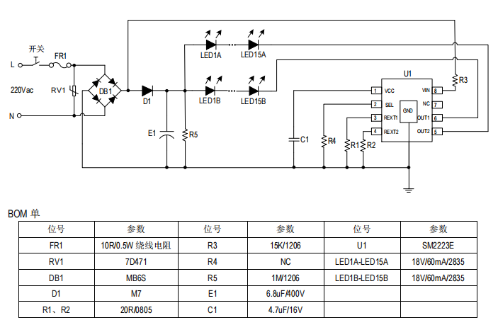
方案三 高 PF 值调色方案(9W)

1. LED 灯串电压建议控制在 230V 到 250V 之间,系统工作最优化。 

2. 通过改变 R1,R2 电阻值,调整输出工作电流值。 

3. 为提高系统可靠性,C2、C3、RV1 建议保留。 

4. 应用说明,通过改变 R4 电阻状态,可实现不同调色状态; 

a、当 R4 悬空,开关周期≤5S(VCC 电容设置)时,调色顺序为 2700K→4000K→6500K; 

b、当 R4 接 51K 电阻,当开关周期≤5S 时,调色顺序为 2700K→6500K→4000K; 

c、当 R4 接地,当开关周期≤5S 时,调色顺序为 2700K→6500K。 

注:OUT2 端口灯串为 2700K 色温,OUT1 端口灯串为 6500K 色温。

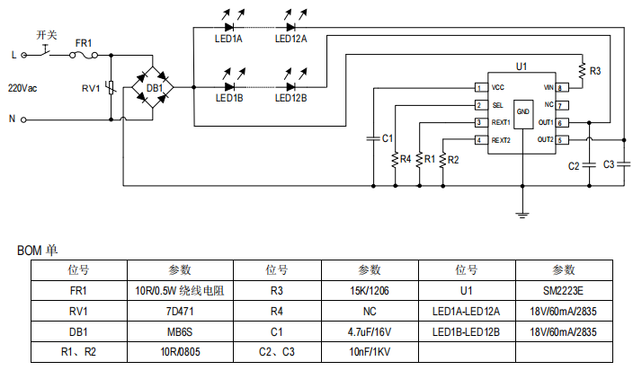
方案四 无频闪调色方案(9W)

1. LED 灯串电压建议控制在 250V 到 270V 之间,系统工作最优化。 

2. 通过改变 R1,R2 电阻值,调整输出工作电流值。 

3. 压敏电阻 RV1 可根据客户需求选择是否保留。 

4. 应用说明:通过改变 R4 电阻状态,可实现不同调色状态; 

a、当 R4 悬空,开关周期≤5S(VCC 电容设置)时,调色顺序为 2700K→4000K→6500K; 

b、当 R4 接 51K 电阻,当开关周期≤5S 时,调色顺序为 2700K→6500K→4000K; 

c、当 R4 接地,当开关周期≤5S 时,调色顺序为 2700K→6500K。 

注:OUT2 端口灯串为 2700K 色温,OUT1 端口灯串为 6500K 色温。

PCB layout 注意事项

(1) IC 衬底与 PCB 需要采用锡膏工艺,保证 IC 衬底与 PCB 接触良好,IC 衬底禁止使用红胶工艺。 

(2) 系统实际输出功率与 PCB 板及灯壳本身散热情况有关,实际应用功率需匹配散热条件。 

(3) IC 衬底部分进行铺铜处理,进行散热,增加可靠性,铺铜如上图所示,建议衬底焊盘大小为 2.5mm*1.8mm。 

(4) IC 衬底焊盘漏铜距离 VIN 端口需保证 1mm 以上的间距,距离 OUT 端口需保证 0.8mm 以上的间距。

引脚定义及功能详解

管脚说明

管脚序号管脚名称管脚说明
1VCCVCC 电源端口
2SEL开关逻辑选择控制端口
3REXT1输出电流设置端口 1
4REXT2输出电流设置端口 2
5OUT2恒流输出端口 2
6OUT1恒流输出端口 1
7NC悬空脚
8VIN电源输入端口
衬底GND芯片地