SM2196EM 智能调光/线性恒流
产品介绍
产品特点
本司专利的恒流控制技术
a) OUT 端口输出电流外置可调,最 大电流可达 280mA
b) TRIAC 端口输出电流外置可调, 最大电流可达 50mA
c) 芯片间输出电流偏差<± 5%
输入电压:120Vac
内置线网电压补偿
内置可控硅在线检测
支持可控硅调光应用
具有过温调节功能
芯片可与 LED 共用 PCB 板
封装形式:ESOP8
产品应用

灯丝灯

LED 球泡灯

筒灯等
其它 LED 照明应用
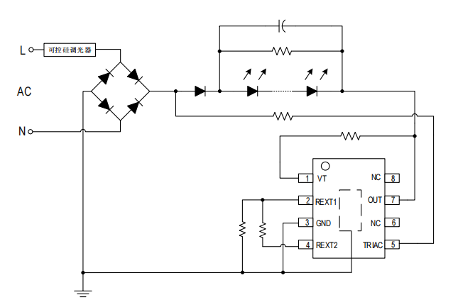
应用电路图原理

典型应用方案
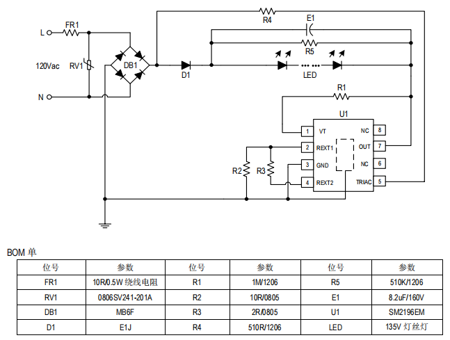
可控硅调光方案(5W)

1. 通过改变 R2 电阻值,调整输出工作电流值,通过改变 R2、R3 电阻值,调整泄放电流值。
2. R1 为系统 VT 脚检测电阻,R1 建议取值 1M。
3. 目前 SM2196EM 仅支持 6W(含)以下方案。
4. TRIAC 脚电阻 R4 建议使用 510Ω,用于提高可控硅兼容性。
5. 建议保留压敏电阻 RV1,以提高抗雷击能力。
PCB layout 注意事项

(1) IC 衬底与 PCB 需要采用锡膏工艺,保证 IC 衬底与 PCB 接触良好,IC 衬底禁止使用红胶工艺。
(2) 系统实际输出功率与 PCB 板及灯壳本身散热情况有关,实际应用功率需匹配散热条件。
(3) IC 衬底部分进行铺铜处理,进行散热,增加可靠性,铺铜如上图所示,建议衬底焊盘大小为 2.5mm*1.8mm。
(4) IC 衬底焊盘漏铜距离每个引脚需保证 0.8mm 以上的间距。
引脚定义及功能详解

管脚说明
| 管脚序号 | 管脚名称 | 管脚说明 |
| 1 | VT | 电压采样端口 |
| 2 | REXT1 | 输出电流值设置端口 1 |
| 3 | GND | 芯片地 |
| 4 | REXT2 | 输出电流值设置端口 2 |
| 5 | TRIAC | 电源输入与恒流输出、可控硅检测端口 |
| 7 | OUT | 恒流输出端口 1 |
| 6、8 | NC | 悬空脚 |




