YX8115 LED手电筒驱动芯片

2023-03-20 发布
产品介绍
产品特点
产品应用
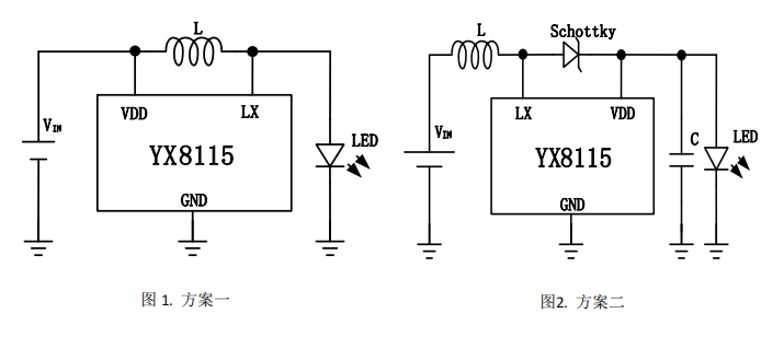
电路原理
管脚功能

产品介绍

YX8115,LED手电筒驱动芯片封装图
YX8115,LED手电筒驱动芯片细节实拍图
YX8115,LED手电筒驱动芯片细节实拍图
YX8115,LED手电筒驱动芯片细节实拍图
YX8115,LED手电筒驱动芯片细节实拍图
YX8115,LED手电筒驱动芯片细节实拍图

YX8115PDF规格书

点击下载

YX8115开发应用方案

请联系在线客服,获取开发文档。

YX8115是我公司针对手电筒照明研发的LED驱动IC,主 要用于一节充电电池或碱性电池。 

YX8115是一款直流转换升压IC,采用CMOS工艺,高效 率低功耗,外围简单,可驱动小功率LED。 

YX8115 可工作于-40℃~+85℃

产品特点

低工作电压 0.9V ~ 1.8V

高效率 80%以上

600m? 低导通电阻

产品应用

移动手电筒

LED 头灯

LED 照明装饰灯

应用电路图原理

引脚定义及功能详解