WIFI智能模块供电芯片和其他智能??楣┑缧酒俏寺阏庑┠?榈牡缭葱枨蠖杓频募傻缏贰U庑┬酒哂刑囟ǖ奶氐?,以适应不同的应用场景和要求。以下是一些常见的特点:
稳定的电源输出: 这些芯片通常提供稳定的电源输出,以确保连接的WIFI和其他智能??楣ぷ髟诤愣ǖ牡缪购偷缌飨?。
高效能耗管理: 这些芯片通常具有功耗管理功能,可以根据??榈墓ぷ髯刺吹髡缭词涑?,以最大程度地降低能耗。
低功耗模式: 为了延长电池寿命,一些芯片支持低功耗模式,可以在待机或空闲状态下降低功耗。
瞬态响应: 当??樾枰蝗槐浠牡缌餍枨笫?,这些芯片能够提供快速的瞬态响应,以确保电压的稳定性。
温度?;ぃ?为了防止过热,这些芯片通常配备温度?;すδ?,可以在温度升高时降低功率或停止输出。
过流保护和短路?;ぃ?芯片通常具有过流和短路保护功能,以防止??榛虻缏贩⑸鸹?。
远程监控和控制: 一些芯片支持远程监控和控制,可以通过连接到互联网来实现对供电芯片的远程管理。
多通道输出: 针对多个??榈墓┑缧枨螅恍┬酒哂卸喔鍪涑鐾ǖ馈?/p>
电压调节范围: 供电芯片通常具有可调的电压输出范围,以适应不同??榈男枨?。
低噪声: 这些芯片通常设计为低噪声,以避免电源干扰对??樾阅艿挠跋?。
EMI 抑制: 一些芯片可能具有电磁干扰(EMI)抑制功能,以减少对周围环境的电磁辐射。
WIFI智能??楣┑缧酒推渌悄苣?楣┑缧酒奶氐阒饕刈⒂谖榷ㄐ浴⒛苄?、?;ぁ⒃冻坦芾砗褪视π?,以确保连接的??槟芄晃榷?、高效地工作,并在各种情况下?;ど璞该馐芩鸹怠>咛宓奶氐憧赡芤蚬┑缧酒男秃藕陀猛径兴煌?。
WIFI智能??楣┑缧酒琒M6035系列芯片型号有电源管理芯片SM6035、电源管理芯片SM6035A-3、电源管理芯片SM6035A-5、LED照明驱动芯片SM6035A-3、LED照明驱动芯片SM6035A-5、LED照明驱动芯片SM6035
(1)电源管理芯片SM6035
SM6035-X是一款高精度非隔离、高集成度且低成本的降压恒压控制芯片,适用于85Vac~265Vac全电压范围应用;SM6035-X内部集成500V高压功率管,内置CS电阻,无需外部补偿元件,即可实现优异的线性调整率和负载调整率,外围元件极少,大大的降低了系统的成本,节约了PCB的尺寸。
电源管理芯片SM6035特性
输入电压: 85Vac~265Vac
拓扑结构支持: BUCK
采用500V单芯片集成工艺
待机功耗小于50m@220Vac
集成高压启动电路
33KHz固定开关频率
内置过温、过压、欠压等保护功能
内置软启动
封装形式:SOP8
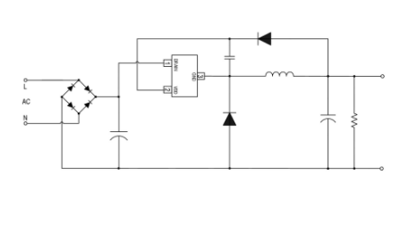
电源管理芯片SM6035应用电路图

(2)电源管理芯片SM6035A-3
SM6035A-3是一款高精度非隔离、高集成度且低成本的降压恒压控制芯片,适用于85Vac~265Vac全电压范围应用;SM6035A内部集成500V高压功率管,内置CS电阻,无需外部补偿元件,即可实现优异的线性调整率和负载调整率,外围元件极少,大大的降低了系统的成本,节约了PCB的尺寸。
电源管理芯片SM6035A-3特性
输入电压: 85Vac~265Vac
拓扑结构支持: BUCK
采用500V单芯片集成工艺
待机功耗小于50mw@220Vac
集成高压启动电路
33KHz固定开关频率
内置过温、过压、欠压等保护功能
内置软启动
封装形式:SOT23-3
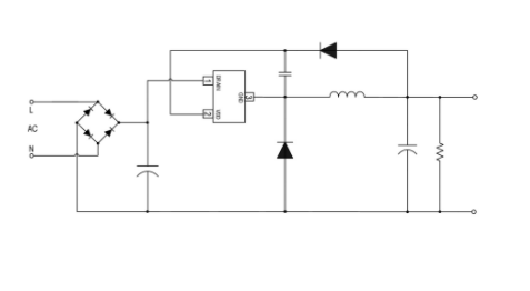
电源管理芯片SM6035A-3电路图

(3)电源管理芯片SM6035A-5
SM6035A-5是一款高精度非隔离、高集成度且低成本的降压恒压控制芯片,适用于85Vac~265Vac全电压范围应用;SM6035A内部集成500V高压功率管,内置CS电阻,无需外部补偿元件,即可实现优异的线性调整率和负载调整率,外围元件极少,大大的降低了系统的成本,节约了PCB的尺寸。
电源管理芯片SM6035A-5特点:
输入电压: 85Vac 265Vac
拓扑结构支持: BUCK
采用500V单芯片集成工艺
待机功耗小于50ml@220Vac
集成高压启动电路
33KHz固定开关频率
内置过温、过压、欠压等保护功能
内置软启动
封装形式: SOT23-3
电源管理芯片SM6035A-5电路图

(4)LED照明驱动芯片SM6035A-3
SM6035A-3是一款高精度非隔离、高集成度且低成本的降压恒压控制芯片,适用于85Vac~265Vac全电压范围应用。
LED照明驱动芯片SM6035A-3特征
输入电压: 85Vac 265Vac
拓扑结构支持: BUCK
采用500V单芯片集成工艺
待机功耗小于50mW@220Vac
集成高压启动电路
33KHz固定开关频率
内置过温、过压、欠压等?;すδ?/p>
内置软启动
封装形式:SOT23-3
LED照明驱动芯片SM6035A-3应用领域
AC/DC 辅助供电电源
智能模块供电电源
LED照明驱动芯片SM6035A-3电路图

(5)LED照明驱动芯片SM6035A-5
LED照明驱动芯片SM6035A-5 是一款高精度非隔离、高集成度且低成本的降压恒压控制芯片,适用于85Vac~265Vac全电压范围应用。
LED照明驱动芯片SM6035A-5特征
输入电压: 85Vac 265Vac
拓扑结构支持: BUCK
采用500V单芯片集成工艺
待机功耗小于50mw@220Vac
集成高压启动电路
33KHz固定开关频率
内置过温、过压、欠压等?;すδ?/p>
内置软启动
封装形式:SOT23-3
LED照明驱动芯片SM6035A-5应用领域
AC/DC 辅助供电电源
智能模块供电电源
LED照明驱动芯片SM6035A-5电路图

(6)LED照明驱动芯片SM6035
LED照明驱动芯片SM6035是一款高精度非隔离、高集成度且低成本的降压恒压控制芯片,适用于 85Vac-265Vac 全电压范围应用,SM6035-X 内部集成 500V 高压功率管,内置 CS 电阻,无需外部补偿元件,即可实现优异的线性调整率和负载调整率,外围元件极少,大大的降低了系统的成本,节约了 PCB的尺寸。
SM6035-X 应用于多种供电电源领域,提供 3.3/5V 两种规格输出电压司时芯片集成有完备的?;すδ埽卤;ぁ⒐贡;?、欠压?;さ?保证了系统的可靠性。
LED照明驱动芯片SM6035特征
输入电压: 85Vac 265Vac
拓扑结构支持: BUCK
采用500V单芯片集成工艺
待机功耗小于50mw@220Vac
集成高压启动电路
33KHz固定开关频率
内置过温、过压、欠压等?;すδ?/p>
内置软启动
封装形式:SOP8
LED照明驱动芯片SM6035应用领域
AC/DC 辅助供电电源
智能??楣┑绲缭?/p>
电磁炉、电饭煲、电压力锅等
小家电产品电源
LED照明驱动芯片SM6035电路图





