51茶楼论坛网,万花楼qm论坛,苏州花千坊品茶论坛,凤凰楼信息免费茶楼

YX805F 太阳能LED草坪灯芯片海报图片

行业资讯

关注IC芯片行业资讯,掌握最新IC芯片行业前沿技术,国内外IC品牌新品上市,IC新品应用研发方案。

  LED软硬灯带芯片并不是指灯带本身的特征,而是指LED灯带内部的发光元件,也就是LED芯片。LED芯片是LED灯带的核心部件,它们产生光并决定了灯带的亮度、颜色和效果。

  LED软灯带芯片: 这是指用于制造软灯带的LED芯片。软灯带通常由柔软的电路板上安装了多个LED芯片(发光二极管)的灯带。这些LED芯片通常封装在小型塑料外壳中,并通过电路板上的电线连接到电源和控制器。

  LED硬灯带芯片: 这是指用于制造硬灯带的LED芯片。硬灯带通常包含LED芯片,这些芯片安装在坚固的金属、塑料或硅胶外壳中,以提供额外的结构支持和?;ぁS肴淼拼啾?,硬灯带通常在结构上更坚固,适用于需要更高亮度和均匀照明的场合。

  总之,LED软硬灯带芯片是指LED灯带内部的LED发光元件,其类型和特性会影响LED灯带的性能和用途。在选择LED灯带时,您可以根据您的具体需求和应用环境选择适当类型和规格的LED芯片。

  LED软硬灯带芯片的特点可以根据其类型(软灯带和硬灯带)以及用途的不同而有所差异。以下是LED软硬灯带芯片的一些常见特点:

  软灯带芯片特点

  柔韧性: 软灯带芯片通常由柔软的电路板制成,因此可以弯曲、折叠和剪裁,适应各种曲线和不规则表面。

  易于安装: 由于其柔软性,软灯带芯片更容易安装在各种位置和形状上,无需复杂的支架或结构。

  装饰性: 软灯带芯片常用于装饰照明,可用于创造温馨的氛围、背景照明和装饰效果。

  切割可调: 可以根据需要剪裁,以适应不同长度的应用场合,通常在灯带上标有切割点。

  颜色和效果: 软灯带芯片通常具有多种颜色选项和效果,可通过控制器调整,以实现不同的照明效果。

  室内应用: 适用于室内应用,如家庭照明、商业空间、餐厅、展览和艺术装饰。

  硬灯带芯片特点

  结构稳定: 硬灯带芯片通常由坚固的金属、塑料或硅胶外壳制成,因此具有更稳定的结构,适用于需要更多结构支持的应用。

  均匀光分布: 由于其坚固的外壳,硬灯带芯片通常提供更均匀的光线分布,适用于需要一致照明的场合。

  外部照明: 适用于外部应用,如广告牌照明、路灯、车辆照明和工业照明。

  抗风雨: 一些硬灯带芯片具有较高的防水性能,可抵御恶劣天气条件。

  高亮度: 由于其结构,硬灯带芯片通??梢匀菽筛嗟腖ED,因此可以提供更高的亮度。

  商业用途: 适用于商业和工业应用,如展示柜、机器照明和仓库照明。

  用于led软硬灯带芯片品牌有哪些

  有许多供应商和品牌提供LED软硬灯带芯片,以下是一些知名的品牌,它们提供各种类型的LED芯片以满足不同的需求和应用:

  Cree: Cree是一家知名的半导体制造公司,提供高性能的LED芯片和照明解决方案,适用于各种应用。

  Osram: Osram是一家德国照明和半导体公司,提供多种LED芯片,包括用于照明、汽车照明和专业应用的产品。

  Nichia: Nichia是一家日本LED制造商,以其高品质和高亮度的LED芯片而闻名。

  Samsung: 三星是一家综合性电子公司,也生产LED芯片和LED???,供各种应用使用。

  Philips Lumileds: Philips Lumileds是飞利浦(Philips)旗下的LED照明分支,提供高品质的LED芯片和解决方案。

  Epistar: Epistar是一家台湾LED制造商,专注于提供LED芯片和光电元件。

  Bridgelux: Bridgelux是一家专注于节能照明的公司,提供各种高效LED芯片和???。

  Seoul Semiconductor: 首尔半导体(Seoul Semiconductor)是一家韩国LED制造商,提供各种LED产品,包括芯片和??椤?/p>

  Lumileds: Lumileds是一家知名的LED制造商,提供广泛的LED照明产品和技术。

  Everlight Electronics: Everlight Electronics是一家台湾LED制造商,提供多种类型的LED产品,包括芯片、??楹妥榧?/p>

  这些品牌都在LED照明领域有着丰富的经验和技术,可以提供高品质、高性能的LED芯片,以满足不同项目和应用的需求。在选择LED芯片时,您可以根据性能、成本、可靠性和项目规模等因素来考虑不同品牌的产品。

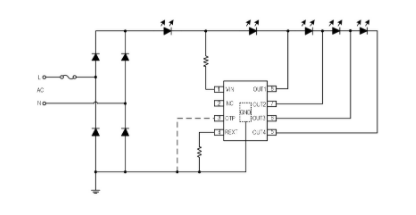
  恒温软硬灯带芯片SM505A8型号介绍

  SM505A8 是一款五段低 THD、高功率因数 LED 线性恒流控制芯片,芯片集成了 700V 高压 MOSFET,采用独特创新的器件工艺技术,具有优越的抗雪崩击穿及浪涌能力,在外围无?;て骷笨赏ü?00V 雷击浪涌测试,内置过温?;すδ?,提升系统应用可靠性。外围可通过调节 REXT 电阻值对输出电流进行调节。

  其主要应用于 LED 照明、建筑亮化工程等领域,系统结构简单,外围元件少,方案成本低。

  恒温软硬灯带芯片SM505A8型号特征:

  本司专利的恒流控制技术

  支持输入电压: 120Vac/220Vac

  芯片间输出电流偏差《土5%

  700V高压MOS管,无需任何?;て骷赏ü?00V雷击

  PF>0.95,TH0210%

  可满足分次谐波IEC61000-3-2(C级)

  无需磁性元器件可满足EMI 应用

  具有过温调节功能

  具有过温点选择功能

  封装形式:ESOP8

  恒温软硬灯带芯片SM505A8型号应用领域

  LED 灯带

  其它 LED 照明应用

  恒温软硬灯带芯片SM505A8型号管脚图

恒温软硬灯带芯片SM505A8型号管脚图

  恒温软硬灯带芯片SM505A8型号应用电路图

恒温软硬灯带芯片SM505A8型号应用电路图

  热门恒温软硬灯带芯片型号推荐

型号(封装)通道数耐压最大输出电流电流波动范围最大输出功率功率因素温度应用领域特征
SM505A8(ESOP85700V50mA/60mA/80mA /100mA/115mA±5% 5W0.985/硬灯带恒温



有用 (483)

评论列表 共有 0 条评论

暂无评论