当谈及智能照明系统时,我们不得不提到灯珠串并切换线性全电压芯片。在当前的市场上,越来越多的智能照明系统都采用这种芯片。那么这种芯片到底有哪些独特的特点呢?
什么是灯珠串并切换线性全电压芯片?
灯珠串并切换线性全电压芯片是一种适用于LED驱动的电源解决方案。它能够同时满足低压、高压、调光和调色的多种要求。与传统的LED驱动器相比,这种芯片更加高效、稳定、可靠。
灯珠串并切换线性全电压芯片的特点
1. 高效节能:由于整个电源系统采用高效的转换器结构,因此可以实现高效的节能效果。同时,它还能支持低动态电压范围(VDD)和低静态电压范围(VBIAS),从而实现更高的能效比。
2. 高稳定性和可靠性:灯珠串并切换线性全电压芯片能够确保输出电流的稳定性和可靠性,以及防止短路和过电流等异常情况的发生。此外,它还能支持过热和过温保护功能,以确保芯片的安全运行。
3. 多种驱动方式:灯珠串并切换线性全电压芯片支持多种驱动方式,包括串行、并行和切换驱动。这种灵活的驱动方式可以满足不同的应用需求,并为用户提供更加便利的设计和调试体验。
4. 调光调色功能:灯珠串并切换线性全电压芯片还支持调光调色功能,能够实现颜色温度与亮度的调节。这种功能能够满足不同用户的需求,提高用户的使用体验。

利用灯珠串并切换线性全电压芯片构建智能照明系统
如今,越来越多的人开始选择智能照明系统。利用灯珠串并切换线性全电压芯片,您可以在智能照明系统的构建中享受更高的能效比和安全性能,同时也能满足不同用户的需求。
在全球范围内,越来越多的人开始选择灯珠串并切换线性全电压芯片作为他们智能照明系统的驱动芯片。它可以为智能照明系统提供更加强大的扩展性和可靠性,实现真正的智能化照明。而随着技术的不断发展,灯珠串并切换线性全电压芯片必将成为智能照明系统中的重要组成部分。
灯珠串并切换线性全电压芯片功能有哪些
灯珠串并切换线性全电压芯片(LED Driver IC)具有多种功能,以便有效地驱动和控制LED灯珠。以下是一些常见的功能:
电流调节:这是LED驱动器的主要功能之一。它能够提供稳定的电流输出,确保LED灯珠在一定的电流下工作。电流调节可以帮助控制LED的亮度,以实现所需的照明效果。
串并切换:这种功能允许LED驱动器同时驱动多个LED灯珠,可以将它们串联或并联,以满足不同的电路配置和电源电压条件。串联和并联可以影响LED的工作电压和电流分布。
线性调光:LED驱动器通常支持线性调光,这意味着可以平滑地调整LED的亮度,而不会引起明显的闪烁或颜色变化。这对于照明应用中的亮度控制非常重要。
输入电压范围:LED驱动器通常具有广泛的输入电压范围,以适应不同的电源条件。这使得它们适用于各种电源供应情况,包括电池供电和交流电源。
热管理:一些LED驱动器具有热管理功能,可以监测LED灯珠的温度,并在需要时降低电流以防止过热。这有助于延长LED的寿命并提高安全性。
?;すδ埽篖ED驱动器通常具有多种?;すδ?,如过流?;ぁ⒐缺;?、短路保护和反极性?;?,以确保LED灯珠和驱动器在不良条件下不会受到损坏。
调光控制:一些LED驱动器支持外部调光控制,可以通过外部信号或接口来调整LED的亮度,以满足不同的应用需求。
高效能:现代LED驱动器通常具有高效率,以最大程度地减少能源消耗,这在电池供电和能效要求严格的应用中非常重要。
LED驱动器的功能取决于其设计和应用,但它们通常包括电流调节、线性调光、串并切换、输入电压范围、热管理、?;すδ堋⒌鞴饪刂坪透咝艿裙δ?,以确保LED照明系统的性能和可靠性。
灯珠串并切换线性全电压芯片原理
灯珠串并切换线性全电压芯片(LED Driver IC)的原理是通过控制电流和电压来有效地驱动LED灯珠,以实现所需的亮度和颜色输出。以下是其工作原理的基本步骤:
输入电压调整:LED驱动器首先接收输入电压,这通常是来自电源的直流电压。输入电压可以有一定的范围,以适应不同的电源条件。
电流调节:驱动器会将输入电压转换为适合LED工作的电流。电流调节是LED驱动器的主要功能之一,它确保LED灯珠在恒定电流下工作,从而提供一致的亮度。
串并切换:一些LED驱动器具有串并切换功能,允许用户选择LED灯珠是串联还是并联连接。串联LED灯珠会在相同电流下工作,而并联LED灯珠会在相同电压下工作。这个选择可以根据实际应用和电路配置进行调整。
线性调光:LED驱动器通常支持线性调光,这意味着可以通过改变电流来调整LED的亮度。这可以通过内部电流控制电路实现,使LED可以平滑地过渡到不同的亮度水平,而不引起明显的闪烁或颜色变化。
?;ぬ匦裕篖ED驱动器通常具有多种?;ぬ匦裕匀繁ED灯珠和驱动器在不良条件下不会受到损坏。这些?;ぬ匦园ü鞅;?、过热?;ぁ⒍搪繁;ず头醇员;?。当系统出现故障或异常情况时,驱动器会自动采取措施来保护LED灯珠和自身。
调光控制:一些LED驱动器支持外部调光控制,可以通过外部信号或接口来调整LED的亮度。这允许用户根据需要进行动态亮度控制,例如在照明系统中实现亮度调整或颜色渐变效果。
LED驱动器的工作原理涉及电压和电流的转换、电流调节、串并切换、线性调光以及多种?;ず涂刂乒δ?。这些功能协同工作,以确保LED灯珠在不同应用中以可靠且一致的方式工作。
灯珠串并切换线性全电压芯片SM2099E型号介绍
SM2099E可实现在低压(如120Vac)时,芯片OUT1和OUT2端口交替开启,在高压(如 220Vac),芯片只开启OUT2端口,从而实现了在低压和高压输入下,系统输入功率一致。
灯珠串并切换线性全电压芯片SM2099E型号特征
a)0UT1、OUT2端口输出电流外置可调,最大电流可达55mA
b)芯片间输出电流偏差<土5%
具有线网补偿功能
具有高低压输入恒流明功能
具有过温调节功能
支持灯丝灯毛泡三端出线应用
芯片可与LED共用PCB板
线路简单、成本低康
封装形式:ESOP8
灯珠串并切换线性全电压芯片SM2099E型号的应用领域
灯丝灯,LED 球泡灯
筒灯
灯珠串并切换线性全电压芯片SM2099E管脚图:

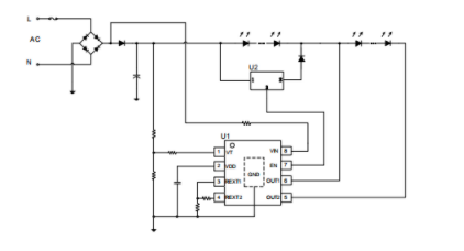
灯珠串并切换线性全电压芯片SM2099E应用电路图

更多热门球泡灯灯珠串并切换线性全电压芯片型号推荐:
| 型号(封装) | 通道数 | 耐压 | 最大输出电流 | 电流波动范围 | 最大输出功率 | 功率因素 | 温度 | 应用领域 | 特征 |
| SM2099E(ESOP8) | 2 | 450V | 55mA/55mA | ±5% | 10W | >0.5 | 140℃ | 球泡灯、筒灯 | 灯珠串并切换 |
| SM2199EG(ESOP8) | 2 | 500V | 150mA/150mA | ±5% | 10W | >0.5 | 140℃ | 球泡灯、筒灯 | 灯珠串并切换 |




