"宽电压高压线性恒流芯片"
是一种电子元件,它的主要功能是在宽范围的电压条件下提供恒定的电流输出,同时能够适应高电压环境。这种芯片通常被设计用于驱动各种类型的负载,如LED灯、激光二极管等,以确保在不同电源电压条件下输出稳定的电流,从而实现稳定的亮度或性能。
具体来说,"宽电压高压线性恒流芯片" 具有以下主要特点:
宽电压适应能力: 这种芯片能够适应宽广的电压范围,从较低到较高的电压水平。无论供电电压是变化的电源还是固定的电源,这种芯片都能够提供稳定的电流输出。
高压环境适应能力: 芯片的设计考虑了高电压环境下的工作,能够在高电压情况下正常运行。这对于需要高电压驱动的应用非常有用,如高压LED照明或激光器。
线性恒流驱动: 这种芯片可以在不同电压范围内提供恒定的电流输出。无论电压如何变化,它都会自动调整输出电压,以维持预设的恒定电流,从而确保负载的稳定性能。
保护机制: 这类芯片通?;够峒杀;せ疲绻鞅;ぁ⒐卤;ず投搪繁;?,以确保芯片和负载在异常情况下的安全性。
可调节性: 有些宽电压高压线性恒流芯片还具有可调节输出电流的能力,用户可以根据实际需要调整输出电流值。
总的来说,"宽电压高压线性恒流芯片" 是一种多功能的电子元件,能够在不同电压条件下提供稳定的电流输出,适用于多种需要稳定性能的应用场景,特别是在电源电压变化较大或高电压环境下。

宽电压高压线性恒流芯片原理
宽电压高压线性恒流芯片的原理涉及到电压适应、电流稳定以及线性恒流驱动。以下是其工作原理的详细解释:
宽电压适应: 这种芯片的设计考虑了宽范围的电压输入,因此在不同的电源电压条件下都能正常工作。这通常涉及使用特殊的电压调整电路,例如降压(Buck)或升压(Boost)转换器,来将输入电压调整到合适的范围,以供给芯片内部电路。
高压环境适应: 针对高压环境,芯片需要使用高压耐受的组件和设计。这可能包括选择高压稳定的元件、优化电路布局以避免击穿等等。
电流控制: 芯片内部会集成一个电流控制电路,其目标是确保输出电流的恒定性。这可能包括一个比较器来检测实际输出电流,然后通过反馈机制调整电路以维持设定的电流值。
线性恒流驱动: 在不同电压下,芯片会调整输出电压以维持恒定的电流输出。这通常需要使用线性控制电路,以便在变化的电压条件下线性地调整电流。
反馈控制: 这种芯片通?;嵊蟹蠢』芈?,它监测实际输出电流并将信息返回到控制电路中。如果输出电流低于或高于设定值,控制电路会相应地调整电路以实现恒定电流。
保护机制: 这些芯片通?;够岚鞅;ぁ⒍搪繁;ず凸卤;さ劝踩?,以保护芯片和连接的装置免受异常情况的影响。
稳定性优化: 在不同的电压、温度和负载条件下,芯片可能会采取措施来保持输出电流的稳定性。这可能涉及到使用温度传感器和负载检测来进行调整。
综合起来,宽电压高压线性恒流芯片的工作原理是通过电压适应、电流控制、反馈机制和?;ご胧┑壤慈繁T诓煌缪固跫绿峁┖愣ǖ牡缌魇涑?。这种设计使得芯片在不同应用场景中都能提供稳定性和可靠性。
宽电压高压线性恒流芯片功能
宽电压高压线性恒流芯片具有多种功能,主要集中在电压适应和电流控制方面。以下是它的主要功能:
宽电压适应: 这种芯片能够适应宽范围的电压输入,从较低到较高的电压水平。这使得芯片在不同电源电压条件下都能正常工作,适应不同的供电环境。
高压环境适应: 芯片被设计用于在高压环境下工作,这包括高电压的电源供应。它的设计要考虑电压稳定性和高压安全性,以确保在高压情况下稳定工作。
电流稳定: 芯片提供恒定的电流输出,不受电压变化的影响。它的电流控制功能能够确保输出电流保持在预定的恒流值,从而提供稳定的性能。
线性恒流驱动: 芯片通过线性控制电路,在不同电压范围内提供恒定的电流输出。这有助于在不同电压条件下保持一致的亮度或负载电流。
反馈机制: 芯片通常包含反馈回路,它可以检测实际输出电流并将信息反馈到控制电路中。这样,如果输出电流低于或高于设定值,芯片会相应地调整电路,以实现恒定电流。
保护机制: 为了确保安全性和可靠性,这种芯片通常包括过流保护、短路保护和过温?;さ然?。这些?;ご胧┛梢苑乐剐酒鼗蛟谝斐G榭鱿率艿剿鸹?。
稳定性优化: 芯片可能根据电压、温度和负载变化来进行自动调整,以维持稳定的电流输出。这有助于在不同的工作条件下提供一致的性能。
应用灵活性: 由于其宽电压适应范围和稳定性能,这种芯片在多种应用中都能够发挥作用。它们适用于各种需要稳定电流输出的场景,如照明、电源驱动等。
总体而言,宽电压高压线性恒流芯片的功能使其成为一种适应性强、稳定性高的电子元件,能够在宽范围的电压条件下提供稳定的电流输出。这在需要在不同电压条件下维持稳定性能的应用中非常有用。
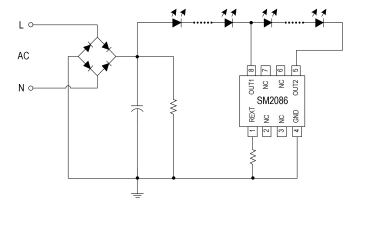
LED吸顶宽电压高压线性恒流芯片SM2086[S]型号介绍:
SM2086是一款应用于T5/T8系列LED日光灯管、LED 球泡灯、LED 吸顶灯的双通道递进式LED线性恒流控制芯片,芯片使用本司专利的恒流设定和控制技术,输出电流由外接Rext电阻设置,最大电流可达70mA,且输出电流不随芯片OUT端口电压而变化,具有较好的恒流性能。适应较宽的输入电压范围(±20%)。
LED吸顶宽电压高压线性恒流芯片SM2086[S]型号特征:
恒流控制技术a)OUT最大电流可达70mAb)芯片间输出电流偏差<土5%
输入电压: 120Vac/220Vac
双通道递进式恒流方式
适应较宽的输入电压范围士20%
具有过温调节功能
芯片可与LED共用PCB板
线路简单、成本低廉
封装形式:ESOP8
LED吸顶宽电压高压线性恒流芯片SM2086[S]应用领域
T5/T8 系列 LED 日光灯管
LED 球泡灯,LED 吸顶灯
LED吸顶宽电压高压线性恒流芯片SM2086[S]管脚图

LED吸顶宽电压高压线性恒流芯片SM2086[S]应用电路图

更多热门宽电压高压线性恒流芯片型号推荐
| 型号(封装) | 通道数 | 耐压 | 最大输出电流 | 电流波动范围 | 最大输出功率 | 功率因素 | 工作温度 | 应用领域 | 特征 |
| SM2086[S](ESOP8) | 2 | 500V | 65mA/70mA | ±5% | 10W | >0.5 | 145℃ | 球泡灯、筒灯 | 宽电压 |
| SM2086EK(ESOP8) | 2 | 700V | 80mA/100mA | ±5% | 10W | >0.5 | 140℃ | 球泡灯、筒灯 | 宽电压 、高可靠 |




