YX2813 马达驱动芯片

2023-03-27 发布
产品介绍
产品特点
产品应用
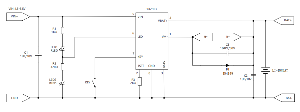
电路原理
管脚功能
常见问答

产品介绍

YX2813,马达驱动芯片封装图

YX2813PDF规格书

点击下载

YX2813开发应用方案

请联系在线客服,获取开发文档。

YX2813是一款集成单节锂电池充电管理功能、按键检测功能的马达驱动专用芯片,具有充电、充满、放电及电池低电指示功能,同时内置了单种按 键控制模式。

YX2813集成了线性充电管理,充电电流高达 800mA,包括涓流充电、恒流充电、恒压充电全过程的充电方式。 

X2813具有多重?;すδ埽ㄊ淙牍贡;?,过充保护,过温?;?,电池欠压?;?,马达堵转及短路?;さ?,同时芯片端口设计了高性能的 ESD?;さ缏?,使得该款芯片具有极高的可靠性。 

YX2813封装为简单易用的SOP-8L封装。

产品特点

输入工作电压:4.5-5.5V

输入过压?;ぃ?.8V

小于 2uA 静态功耗

高达 800mA 的可编程充电电流

恒压,恒流充电,并在无过热环境下进行最大 设定电流充电

精度 +1% 的 4.20V/4.35V 预设充电电压

0.1C 充电终止

3.0V 涓流充电版本

用于电池电量检测的充电电流监控输出

充电及工作状态指示引脚

单路按键控制选择

 支持电池 0V 充电

支持边充边放

输入过压?;ぃ浔;?,过温?;ぃ绯厍?压?;ぃ泶锒伦岸搪繁;?/p>

SOP-8L 封装形式

产品应用

剃须刀,电推剪,修毛器等

电动牙刷

单节锂电池供电的马达类产品

应用电路图原理

引脚定义及功能详解

YX2813常见应用开发选型咨询和故障排除办法

以下是针对YX2813集成锂电池充电管理功能、按键检测功能的马达驱动专用芯片的常见问答:

芯片适用于哪些类型的电机? 

答:适用于直流电机、步进电机等各种类型的电机驱动。

支持哪种类型的锂电池? 

答:支持各种类型的锂电池,如锂离子电池、聚合物锂电池等。

芯片支持的按键数量有多少?

答:YX2813芯片最多支持4个外部按键。

芯片是否支持过充?;ぃ?nbsp;

答:是的。

YX2813芯片支持过充?;すδ?,可以在电池电压过高时自动切断充电电路,以保护锂电池。

是否支持过放?;?? 

答:是的,YX2813芯片支持过放?;すδ?,可以在电池电压过低时自动切断马达电路,以保护锂电池。

YX2813芯片是否支持短路?;?? 

答:是的,YX2813芯片支持短路?;すδ?,可以在电路短路时自动切断电路,以?;ど璞浮?/p>

电源电压范围是多少? 

答:YX2813芯片的电源电压范围为4.5V~5.5V。

是否支持PWM控制? 

答:是的,YX2813芯片支持PWM控制,可以实现对电机速度的调节。

总之,YX2813芯片是一款集成锂电池充电管理和按键检测功能的马达驱动专用芯片,广泛应用于智能玩具、电子锁、家电控制等领域,具有多种保护功能和PWM控制等特点,可以方便地实现对设备的控制和操作。

以下是针对YX2813集成锂电池充电管理功能、按键检测功能的马达驱动专用芯片的常见故障排除办法:

1、无法充电或充电不稳定

检查充电电路和充电电源是否正常工作

检查充电电路和电池之间的连接是否良好

检查YX2813芯片是否损坏或连接不良

2、电机无法正常工作或速度不稳定

检查电机电源是否正常工作

检查电机和YX2813芯片之间的连接是否良好

检查YX2813芯片是否损坏或连接不良

3、检查PWM控制是否设置正确

外部按键无法检测或检测不稳定

检查按键电路和按键连接是否正常工作

检查YX2813芯片是否损坏或连接不良

检查按键检测的参数设置是否正确

4、充电时发生过充、过放或短路保护

检查电池是否损坏或老化

检查充电电路和电池之间的连接是否良好

检查YX2813芯片的?;げ问柚檬欠裾?/p>

检查充电电流和电压是否设置合适

总之,YX2813芯片在使用过程中可能会出现各种故障,可以根据以上常见问题进行排除。如果无法解决问题,请联系在线技术支持协助你解决问题。