SM2255EH 线性恒流产品系列
产品介绍
S"http://m.o0kh.cn/post/xianxinghengliuchanpinxilie.html" target="_self" title="LED高压线性恒流IC" style="color: rgb(0, 112, 192); text-decoration: underline;">LED线性恒流控制芯片,芯片集成了 700V 高压 MOSFET,采用独特创新的器件工艺技术具有优越的抗雪崩击穿及浪涌能力,在外围无?;て骷笨赏ü?00V 雷击浪涌测试,内置过温?;すδ?,提升系统应用可靠性。外围可通过调节 REXT 电阻值对输出电流进行调节。
其主要应用于 LED 照明、建筑亮化工程等领域,系统结构简单,外围元件少,方案成本低。
产品特点
产品应用
投光灯
工矿灯
灯具类LED 照明

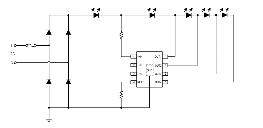
应用电路图原理


1. LED 灯串电压建议控制在 240V 到 260V 之间,系统工作最优化;
2. R1、R2、R3、R4 建议取值 2.2K,根据实际情况调整,优化 THD;
3. 通过改变 R5、R6、R7、R8 电阻值,调整输出工作电流值;
4. 为提高系统可靠性,FR1~FR4、RV1~RV2、C1~C2、D1~D4 建议保留。
引脚定义及功能详解


SM2255EH常见应用开发选型咨询和故障排除办法
线性恒流IC应用注意事项:
第一:根据输入电压合理选择灯珠参数,匹配好合适串并数,达到高转换率。
第二:合理选择灯珠型号规格和串并数,可以发挥个更好的性价比。
第三:光源板布局中主要安全距离和散热问题,确保系统的稳定性。
第四:根据产品的防护等级要求合理搭配外围防浪涌器件。
PCB layout 注意事项:

(1) IC 衬底与 PCB 需要采用锡膏工艺,保证 IC 衬底与 PCB 接触良好,IC衬底禁止使用红胶工艺。
(2) 系统实际输出功率与 PCB 板及灯壳本身散热情况有关,实际应用功率需匹配散热条件。
(3) IC 衬底进行铺铜处理,进行散热,增加可靠性,铺铜如上图所示,建议衬底焊盘大小为 2.5mm*1.8mm。
(4) IC 衬底焊盘漏铜距离 OUT 端口需保证>0.6mm 以上的间距。




