开发方案IC芯片规格参数
| 封装图 | 型号 | 封装 | Topology | IOUT Precision | IOUT.MAX | HV_MOSFET | BVDSS | Channel | Segment | Dimming mode | 应用资料 |
|---|---|---|---|---|---|---|---|---|---|---|---|
![]() | SM2235EGH | ESOP8 | Linear | <±4% | 80mA | Inside | 500V | 5 | IIC | 产品详情 |
| 封装图 | 型号 | 封装 | Topology | IOUT Precision | IOUT.MAX | HV_MOSFET | BVDSS | Channel | Segment | Dimming mode | 应用资料 |
|---|---|---|---|---|---|---|---|---|---|---|---|
![]() | SM2123EGL | ESOP8 | Linear | <±5% | 100mA | Inside | 500V | - | 2 | PWM | 产品详情 |
| 封装图 | 型号 | 封装 | Topology | IOUT Precision | IOUT.MAX | HV_MOSFET | BVDSS | Channel | Segment | Dimming mode | 应用资料 |
|---|---|---|---|---|---|---|---|---|---|---|---|
![]() | SM2083EGL | ESOP8 | Linear | <±5% | 100mA | Inside | 500V | - | 2 | PWM | 产品详情 |
| 封装图 | 型号 | 封装 | Topology | IOUT Precision | IOUT.MAX | HV_MOSFET | BVDSS | Channel | Segment | 应用资料 |
|---|---|---|---|---|---|---|---|---|---|---|
![]() | SM2185N | QFN12,QFN24 | Linear | <±4% | 80mA | Inside | 500V | 1 | 5 | 产品详情 |
?" list-paddingleft-2" style="list-style-type: decimal;">
照明效果更好:高压线性智能照明方案采用了高品质的照明元件,其照明效果更加亮丽、均匀,同时具有调光功能,可以实现自由调节照明亮度。
节能环保:高压线性智能照明方案采用高效节能的LED灯源,能够降低能耗,减少二氧化碳排放,达到环保和节能的效果。
易于安装和维护:高压线性智能照明方案使用直接接入电网的方式,大大降低了安装和维护成本,同时减少了对环境的污染和干扰。
智能控制:高压线性智能照明方案采用先进的控制芯片,可以实现智能化控制,根据不同的场景和需求,自动调节亮度、颜色等参数,更加智能方便。
高品质:高压线性智能照明方案采用了高品质的元器件和材料,具有更好的稳定性和可靠性,能够满足日常使用的各种需求。
高压线性智能照明选型表
| 通道数 | 型号 | 控制方式 | 输出方式 | 调光频率&灰度 | 电流 | BV | 封装 | 特点 |
| 单通道 | SM2083EGL | PWM | PWM | 1-20KHz | 120mA | 500V | ESOP8 | |
| SM2611EN | PWM | 模拟 | 0.5-20KHz | 60mA | 500V | ESOP8 | ||
| SM2611ENA | PWM | 模拟 | 0.5-20KHz | 220mA | 500V | ESOP8 | ||
| SM2189EM | PWM | PWM | 0.5-20KHz | 110mA | 500V | ESOP8 | 新ERP认证 | |
| 双通道 | SM2123EGL | PWM | 模拟 | 1-20KHz | 120mA | 500V | ESOP8 | |
| SM2612EN | PWM | 模拟 | 0.5-20KHz | 110mA | 500V | ESOP8 | ||
| SM2289EM | PWM | 模拟 | 0.5-20KHz | 110mA | 500V | ESOP10 | 新ERP认证 | |
| SM2232EGH | IIC | 模拟 | 1024级 | 80mA | 500V | ESOP8 | 1‰调光深 度 | |
| SM2182E | IIC | 模拟 | 1024级 | 80mA | 500V | ESOP8 | 1‰调光深 度 | |
| SM2112E | SID | 模拟 | 256级 | 80mA | 500V | ESOP8 | ||
| 五通道 | SM2235EGH | IIC | 模拟 | 1024级 | 80mA+64mA | 500V | ESOP8 | |
| SM2335EGH | IIC | 模拟 | 1024级 | 80mA+160mA | 500V+40V | ESOP8 | ||
| SM2185N | IIC | 模拟 | 1024级 | 80mA+64mA | 500V | QFN12 | 新ERP认证 |
低压线性智能照明选型表
| 通道数 | 型号 | 控制方式 | 输出方式 | 调光频率&灰度 | 最小脉宽 | 电流 | BV | 封装 | 特点 |
| 单通道 | SM15201S/EH | PWM | PWM | - | 60nS | 650m A | 40V | SOT23-5 ESOP8 | |
| SM15106T | PWM | PWM | ≤30KHz | 120nS | 1.2A | 80V | TO252-4 | ||
| 三通道 | SM15133EH | PWM | PWM | 0.5-10KHz | 60nS | 220m A | 40V | ESOP8 | |
| SM15133EK | PWM | PWM | ≤100KHz | 60nS | 150m A | 40V | ESOP8 | ||
| SM15633EH | PWM | PWM | 0.5-10KHz | 120nS | 350m A | 60V | ESOP8 | ||
| SM15633EK | PWM | PWM | ≤30KHz | 120nS | 350m A | 80V | ESOP8 | ||
| 四通道 | SM15105N | PWM | PWM | ≤100KHz | 60nS | 150m A | 40V | QFN16(4*4) | |
| SM15125N | PWM | PWM | ≤30KHz | 120nS | 350m A | 80V | QFN16(4*4) | ||
| 五通道 | SM15115E | SID | PWM/4KHz | 65536级 | - | 60mA | 40V | ESOP8 | 单线级联 |
| SM15155E | SID | PWM/4KHz | 65536级 | - | 300m A | 40V | ESOP8 | 单线级联 |
IIC协议-5路调光方案(新ERP认证)
产品特性
| 单芯片 符合新ERP认证要求 | PF>0.7 PST<1 SVM<0.4 |
| 采用 IIC协议输入调光信号 | 模拟调光调色 调光过程无频闪 |
| 控制协议 与SM2235EGH完全兼容 | 低待机功耗 <20mW |
| 电流灰度调节 1024级 | 支持情景模式 RGB+WY全开 |
| 输出电流在线可调 |
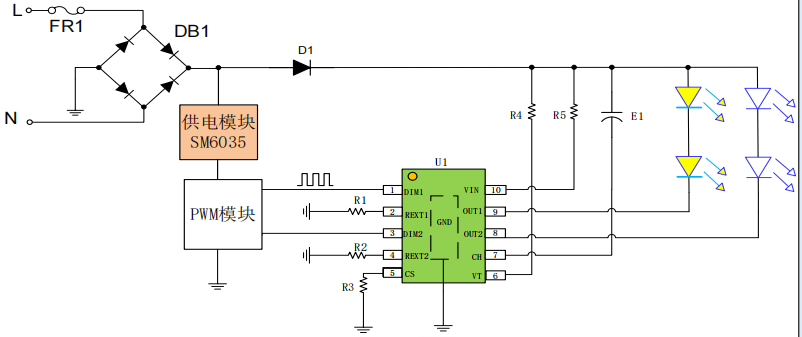
芯片型号 SM2185N
| 应用类型 | 五路IIC协议 |
| 电流 | RGB:64mA WY:80mA |
| BV | 500V |
五路智能照明方案 SM2185N

典型应用

PWM转模拟-调光方案(新ERP认证)
产品特性
| 单芯片 符合新ERP认证要求 | 输出最大电流 100mA |
| PWM输入,模拟输出 输出无频闪 | 内置 500V高压管 |
| PWM频率 0.5-10KHz应用 | 外围结构简单 可用于灯丝灯等小型化灯具 |
| 输出恒流 灯珠压差变化不会引起灯珠 亮度变化 | 支持芯片 并联扩展功率应用 |
| 控制模块 支持 WIFI 蓝牙 Zigbee 2.4G |
| 调光类型 | 单路 | 2路 |
| PWM→模拟 | SM2189EM | SM2289EM |
智能调光调色方案
SM2289EM

SM2189EM

高压线性选型表
| 恒流 | 恒功率 700V | 恒功率 500V | 新ERP认证 | 开光调光/调色 | 可控硅调光 | 全电压 | 智能 | 高压灯带 | |
| SM2082X 单段 | SM2251X 单段 高可靠 | SM2092E 单段 | SM2333EB 新ERP认证 | SM2212EX 两段/两色 | SM2196EM 单段 高效 | SM2099E 全压 三抽头 | SM2112E 两路SID协议 | SM2083EGL 单路PWM | SM500A9 恒温度 |
| SM2086[S] 两段 宽电压 | SM2253EKX 三段 高可靠 | SM2096E 单段/两段 | SM2188EN 新ERP认证 | SM2213EX 三段/三色 | SM2196KF 单段 高效 | SM2199EG 全压 高PF | SM2232EGH 2路I2C | SM2123EGL 两路PWM | |
| SM2256E 三段正弦波 | SM2186E 两段 | SM2189EM 单路PWM转模拟 | SM2223E 省VDD电容 | SM2018E 单段 | SM2098EH 全压 PF>0.7 | SM2335EGH 五路I2C | SM2611ENA PWM转模拟 | ||
| SM2258E 三段正弦波 | SM2386EG 两段 | SM2289EM 2路PWM转模拟 | SM2215EM 无贴片电容 | SM2318EA 三段 | SM2098EHD 全压 PF>0.7 | SM2235EGH 五路I2C | SM2612EN PWM转模拟 | ||
| SM2254EKG 四段 低THD | SM2182E 新ERP认证 2路IIC | SM2188DN 新ERP认证 开关调光 | |||||||
| SM2255PHG 五段 低THD | SM2185N 五路IIC | SM2188SN 新ERP认证 开关调色 | |||||||
低压线性选型表
| 固定电流 | 单路PWM | 三路PWM | 四路PWM | 三路SID | 四路SID | 五路SID | 消频闪 |
| SM4A15-60T 固定电流 | SM15201S/EH 350mA/40V | SM15133EH 200mA/40V | SM15105N 150mA/40V | SM16703PB 16mA/256 | SM16704PB 17mA/256 | SM15155E 300mA/65536 | SM2810M SOT23-5 |
| SM4A00T 电流可调 | SM15106T 1A/80V | SM15633EH 200mA/60V | SM15125N 350mA/80V | SM16803PB 60mA/65536 | SM16714P 38mA/256 | SM901KX SOT23-3 | |
| SM16804PB 19mA/256 | SM901TG SOT89-3 |








