电压力锅是一种在烹饪过程中利用高压和高温来加快烹饪的厨房电器。它通常需要将交流电源(AC电源)转换为适合内部电路和加热元件的直流电源(DC电源)。为此,需要使用AC-DC降压型驱动芯片。以下是这类芯片在电压力锅中可能需要具备的要求:
稳定的降压转换: 首要任务是将高电压的交流电源降压为适合电压力锅内部电路和加热元件的低电压直流电源,以确保安全和正常的烹饪过程。

稳定输出: 电压力锅的加热元件需要稳定的电压和电流供应,以确保烹饪的稳定性和安全性。驱动芯片的输出必须稳定,以保障电压力锅的正常工作。
温度控制: 电压力锅的烹饪过程通常需要精确的温度控制。驱动芯片可能需要与温度传感器和反馈回路协同工作,以实现准确的温度控制。
定时控制: 在某些情况下,电压力锅需要根据烹饪食材和食谱要求进行定时控制。驱动芯片可能需要具备定时功能,以允许用户设置特定的烹饪时间。
电源效率: 电压力锅通常需要在较短的时间内升温并保持高温,因此电源的效率非常重要。驱动芯片应设计为高效能的,以最小化能源损耗。
过载?;ぃ?电压力锅在烹饪不同食材时可能会遇到不同的负载情况,所以驱动芯片可能需要具备过载保护功能,以防止电路过载和损坏。
EMI抑制: 电压力锅内部电子元件的工作可能会产生电磁干扰(EMI),可能会影响其他电子设备的正常运行。驱动芯片可能需要设计有EMI抑制功能,以减少电磁辐射和干扰。
小型化设计: 电压力锅通常需要紧凑的设计,所以驱动芯片可能需要小型化,以适应有限的空间。
可靠性: 电压力锅通常是长期使用的产品,所以驱动芯片需要具备良好的可靠性,以确保产品寿命和性能。
这些要求可能会因制造商、型号和设计目标而有所不同。在选择AC-DC降压型驱动芯片时,制造商通?;岣莶返木咛逍枨罄囱≡窈鲜实男酒?,并结合上述要求来满足产品性能、安全性和可靠性的需求。
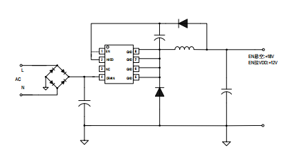
SM7015NA是一款AC-DC降压型高精度非隔离降压恒压控制芯片,广泛应用于电压力锅等小家电中。SM7015NA适用于85Vac~265Vac全电压范围应用;SM7015NA内部集成500V高压功率管,内置CS电阻,无需外部补偿元件,即可实现优异的线性调整率和负载调整率,外围元件极少,大大的降低了系统的成本,节约了PCB的尺寸。
AC-DC降压型驱动芯片SM7015NA的特征:
输入电压: 85Vac 265Vac
拓扑结构支持: BUCK
采用500V单芯片集成工艺
待机功耗小于100mw@220Vac
集成高压启动电路
66.5KHz固定开关频率
电流模式PWMM控制方式
内置抖频技术,提升EMC性能
内置过温、过流、过压、欠压等保护功能
内置软启动
内置智能软驱动技术(提高EMC性能)
封装形式: SOP8、T0251

更多用于电压力锅AC-DC降压型驱动芯片型号信息
| 型号(包装形式) | 拓扑结构支持 | 输出电压 | 输出电流 | 待机时间 | 恒压精度 | 最大频率 | 模式 | 电压 | 应用领域 |
| SM7015(SOP8) | Buck/Buck-Boost | 12/18V | 150mA | <100mW | ±5% | 60KHz | PWM | 650V | 电压力锅等小家电应用 |
| SM7015NA(SOP8) | Buck/Buck-Boost | 12/18V | 150mA | <100mW | ±5% | 66KHz | PWM | 500V | 电压力锅等小家电应用 |
| SM7025(SOP8) | Buck/Buck-Boost | 12/18V | 150mA | <100mW | ±5% | 60KHz | PWM | 650V | 电压力锅等小家电应用 |
| SM7055(DIP8) | Buck/Buck-Boost | 12/18V | 200mA | <100mW | ±5% | 60KHz | PWM | 650V | 电压力锅等小家电应用 |
| SM7055-12(DIP8) | Buck/Buck-Boost | 12V | 200mA | <100mW | ±5% | 60KHz | PWM | 650V | 电压力锅等小家电应用 |
| SM7055-12(TO252-2 ) | Buck/Buck-Boost | 12V | 250mA | <100mW | ±5% | 60KHz | PWM | 650V | 电压力锅等小家电应用 |
| SM7055-18(DIP8 ) | Buck/Buck-Boost | 18V | 200mA | <100mW | ±5% | 60KHz | PWM | 650V | 电压力锅等小家电应用 |
| SM7055-18(TO252-2) | Buck/Buck-Boost | 18V | 250mA | <100mW | ±5% | 60KHz | PWM | 650V | 电压力锅等小家电应用 |
| SM6038SBP(SOP8) | Buck/Buck-Boost | 12/18V | 250mA | <120mW | ±5% | 45KHz | PWM | 500V | 电压力锅等小家电应用 |




