电磁炉是一种利用电磁感应原理进行加热的厨房电器。AC-DC降压型驱动芯片是控制电磁炉加热元件的关键部件之一,它具有以下特点:
AC-DC降压转换功能: 电磁炉通常需要将市电的交流电源转换为适合电磁线圈的直流电源。降压型驱动芯片能够将高电压的交流电源降压为适合电磁线圈的工作电压,以保证电磁线圈的正常工作。

高效能: 电磁炉的加热过程需要大量的能量,因此驱动芯片需要具备高效的能量转换能力,以确保能源的有效利用并减少能量损失。
稳定性和精确性: 驱动芯片需要稳定地输出适合电磁线圈的电压和电流,以确保电磁线圈的加热功率稳定。此外,芯片还需要能够实现精确的温度控制,以满足不同加热需求。
过载?;ぃ?由于电磁炉的工作环境复杂,过载和短路等问题可能会发生。驱动芯片通常需要内置过载?;すδ?,以避免电路损坏和安全风险。
可编程性: 一些驱动芯片具有可编程的特点,允许用户调整加热功率、工作模式和温度控制策略,以适应不同的烹饪需求。
电磁兼容性: 驱动芯片需要在电磁干扰环境中工作,因此需要具备一定的抗干扰能力,以确保芯片稳定可靠地运行。
节能功能: 一些驱动芯片可能会具备节能功能,通过调整加热功率和工作周期来实现更加节能的加热效果。
电源转换: 市电通常为交流电源,而电磁线圈需要直流电源来进行正常的工作。降压型驱动芯片能够将高电压的交流电源降压并转换为适合电磁线圈的工作电压,确保电磁线圈能够稳定工作。
电流控制: 电磁炉的加热功率与电流的大小有关。驱动芯片能够控制输出电流,从而调节电磁线圈的加热功率,实现对加热过程的精确控制。
温度控制: 一些驱动芯片可能具备温度传感器接口或内置温度传感功能,用于监测电磁炉的加热情况。通过实时监测温度,驱动芯片可以根据设定的温度阈值来调整加热功率,以实现精确的温度控制。
SM7075P是采用电流模式PWM控制方式的功率开关芯片,集成高压启动电路和高压功率管,为低成本开关电源系统提供高性价比的解决方案。 芯片应用于BUCK或BUCK-BOOST系统方案,支持12V/18V输出电压,很方便的应用于小家电产品领域。并提供了过温、过流、过压、欠压等完善的保护功能,保证了系统的可靠性。
AC-DC降压型驱动芯片SM7075P特征:
输入电压: 85Vac 265Vac
拓扑结构支持:低成本BUCK、BUCK-B00ST等方案
采用650V单芯片集成工艺
待机功耗小于120ml@220Vac
集成高压启动电路
集成高压功率开关
45KHz固定开关频率
电流模式PWM控制方式
内置抖频技术,提升EMC性能
内置过温、过流、过压、欠压等?;すδ?/p>
内置软启动
内置智能软驱动技术(提高EMC性能)
封装形式:SOP8
AC-DC降压型驱动芯片SM7075P的应用领域
电磁炉、电饭煲、电压力锅等
小家电产品电源
AC-DC降压型驱动芯片SM7075P输出功率表
| 输入电压 | 85Va0-265Vac | 180Vac-265Vac | ||
| 最大电流 | SOP8 | 12V | 300mA | 350mA |
| 18V | 250mA | 300mA | ||
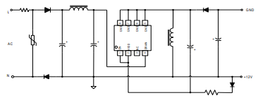
AC-DC降压型驱动芯片SM7075P 12V 典型应用

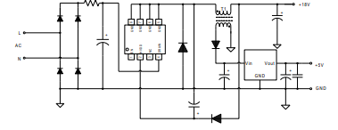
AC-DC降压型驱动芯片SM7075P 18V 典型应用

更多应用于电磁炉的热门 AC-DC降压型驱动系列芯片推荐
| 型号(包装形式) | 拓扑结构支持 | 输出电压 | 输出电流 | 待机时间 | 恒压精度 | 最大频率 | 模式 | 电压 | 应用领域 |
| SM7075P(SOP8 ) | Buck/Buck-Boost | 12/18V | 300mA | <120mW | ±5% | 45KHz | PWM | 650V | 电磁炉等小家电应用 |
| SM7075(DIP8 ) | Buck/Buck-Boost | 12/18V | 300mA | <120mW | ±5% | 45KHz | PWM | 650V | 电磁炉等小家电应用 |
| SM7075-12(DIP8、TO252-2 ) | Buck/Buck-Boost | 12V | 300mA | <120mW | ±5% | 45KHz | PWM | 650V | 电磁炉等小家电应用 |
| SM7075-18(DIP8、TO252-2 ) | Buck/Buck-Boost | 18V | 300mA | <120mW | ±5% | 45KHz | PWM | 650V | 电磁炉等小家电应用 |




