在当今快速发展的科技时代,智能照明技术正迅速崭露头角。其中,单线SID高压线性智能照明芯片成为了无可争议的领先者。以其卓越的性能、智能化的特性和引领未来发展的创新潜力,该芯片不仅引起了制造商们的广泛关注,更在照明领域掀起了一场技术革新的狂潮。
作为一款具有高度创新性的智能照明芯片,单线SID高压线性智能照明芯片利用了最新的技术突破,在照明行业中独树一帜。首先,它采用了单线设计,降低了产品的复杂性和安装难度,使得整个照明系统更加简单直观,轻松应对各种复杂照明场景。与此同时,高压线性设计使得该芯片能够更好地应对电压波动,保证照明系统的稳定性和可靠性,从而大大延长了产品的使用寿命。
智能化是单线SID高压线性智能照明芯片的又一大亮点。该芯片集成了先进的智能控制芯片,能够实现远程无线控制、场景调光、定时开关等智能功能。通过手机APP,用户可以随时随地远程控制灯光的亮度、颜色和场景模式,实现个性化定制。同时,该芯片还支持与各种智能家居设备的联动,为用户带来便捷和舒适的生活体验。

除了技术上的突破,单线SID高压线性智能照明芯片还注重能源的高效利用。采用高亮度LED作为光源,结合智能控制算法,该芯片能够精确控制亮度和颜色饱和度,最大限度地降低能源消耗。与传统照明产品相比,它不仅能为用户节省大量能源开支,也是环保理念的具体践行者。
然而,单线SID高压线性智能照明芯片的创新之路尚未止步。未来,该芯片有望进一步提升效能,推出更多功能和应用场景,并与人工智能、物联网等领域进行深度融合。相信在不久的将来,它将为人们带来更加便利、智能、环保的照明体验。
作为一项重要的技术创新,单线SID高压线性智能照明芯片的问世为整个照明行业的升级打开了一扇新的大门。它不仅极大提高了照明产品的性能和智能化水平,也为用户带来了全新的使用体验。随着科技的飞速发展和人们对智慧生活的需求不断增长,相信单线SID高压线性智能照明芯片将在未来的市场中展现出更加广阔的前景。
单线SID高压线性智能照明芯片特点
"单线SID高压线性智能照明芯片" 的特点可能会因制造商和产品型号的不同而有所不同,但通常这种类型的智能照明芯片具备以下特点:
高压输入:这种芯片通常能够处理高电压输入,适用于高压直流或交流电源。这使得它们在照明系统中的应用更加灵活。
单线设计:单线设计意味着芯片能够在只有一根电源线的情况下运作,这有助于简化照明系统的布线和安装。
智能控制:这种芯片通常集成了智能控制功能,可以实现调光、色温调节和亮度控制等功能。用户可以通过手机应用或??仄骼纯刂普彰飨低场?/p>
高效能:线性调光通常比传统的脉冲宽度调制(PWM)方式更加高效,因此这种芯片可能具备更高的能源利用效率。
集成?;すδ埽何巳繁O低车奈榷ㄐ院桶踩?,这种芯片可能集成了多种?;すδ?,如过热保护、过流?;ず凸贡;さ取?/p>
节能特性:智能照明芯片通??梢愿莼肪程跫褪褂眯枨罄醋远髡彰魉剑越档湍茉聪?,提高节能性能。
单线SID高压线性智能照明芯片功能
单线SID高压线性智能照明芯片(Single-Line SID High Voltage Linear Intelligent Lighting Chip)是一种用于照明应用的集成电路芯片,通常用于LED照明系统。以下是该芯片可能具备的功能:
高压输入:单线SID芯片通常能够处理高电压输入,使其适用于高压照明系统,例如室外照明或工业照明。
线性调光:这种芯片可以提供线性调光功能,使用户能够根据需要调整照明强度,从而实现节能和提高舒适度。
智能控制:单线SID芯片可能配备智能控制功能,允许用户使用外部控制器或传感器来实现自动调光、时间控制或光敏感应等功能。
电流稳定性:它通常能够提供电流稳定性,确保LED光源的稳定亮度和长寿命。
高效能源管理:芯片通常具有高效的能源管理功能,可以降低能源消耗,并有助于实现节能目标。
热管理:照明系统通?;岵欢ǖ娜攘?,因此单线SID芯片可能具备热管理功能,以确保芯片工作在安全温度范围内。
保护特性:这些芯片通?;咕弑付嘀直;ぬ匦?,如过电流保护、过温?;ず凸贡;?,以确保系统安全运行。
通信接口:一些单线SID芯片可能具备通信接口,以便与其他系统或控制器进行通信,实现远程监控和控制。
总之,单线SID高压线性智能照明芯片旨在提供高效、可调光、智能化的照明解决方案,适用于各种应用场合,从家庭照明到商业和工业照明。不同型号的芯片可能会具备不同的功能和规格,具体特性可能会因制造商和产品而异。
单线SID高压线性智能照芯片SM2112E介绍:
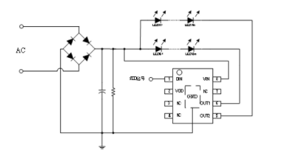
SM2112E是一款双通道、单线通讯的智能调光LED线性恒流控制芯片。SM2112E 具备2个独立输出端口,具备SID协议输入端口,可接收控制模块输出的SID信号调整每个端口的电流变化,输出端口可设置单独应用或同时开启。
单线SID高压线性智能照芯片SM2112E特征:
本司专利的智能调光控制技术
输入电压: 120Vac/220Vac
集成高压启动
内置500V高压HOS管
单线SID协议控制
单通道独立 256 级灰度,输出无频闪
OUT1、OUT2 通道允许设置最大电流80mA,可通过4bit SID信号调整最大电流
芯片间输出电流偏差<土4%
待机电流<50uA
上电默认灯灭状态
具有过温调节功能
无需磁性元器件,易过EMI
支持蓝牙、2.4G、zigbee 等智能???/p>
封装形式: ES0P8
单线SID高压线性智能照芯片SM2112E应用领域:
LED 球泡灯
LED 筒灯、LED 吸顶灯
其它 LED 照明
单线SID高压线性智能照芯片SM2112E管脚图

单线SID高压线性智能照芯片SM2112E应用电路图

热门单线SID高压线性智能照芯片推荐
| 型号(封装) | 通道数 | 控制模式 | 输出类型 | 耐压 | 最大输出电流 | 电流波动范围 | 最大输出功率 | 功率因素 | 应用领域(特征) |
| SM2112E(ESOP8 ) | 2 | 单线SID | 模拟 | 500V | 80mA/80mA | ±5% | 10W | >0.5 | 球泡灯、筒灯(SID协议调光 ) |




