51茶楼论坛网,万花楼qm论坛,苏州花千坊品茶论坛,凤凰楼信息免费茶楼

YX805F 太阳能LED草坪灯芯片海报图片

行业资讯

关注IC芯片行业资讯,掌握最新IC芯片行业前沿技术,国内外IC品牌新品上市,IC新品应用研发方案。

  LED球泡灯低过温?;すδ?a href=http://m.o0kh.cn/post/xianxinghengliuchanpinxilie.html target="_blank">高压线性恒流芯片原理

  LED球泡灯的低过温?;すδ芎透哐瓜咝院懔餍酒脑砜梢苑直鸾馐腿缦拢?/p>

  低过温保护功能的原理: 低过温?;すδ艿闹饕勘晔羌嗖釲ED球泡灯的工作温度,并在温度升高到不安全水平时采取措施以防止过热。这可以通过以下步骤实现:

  温度传感器: 在LED球泡灯内部或附近放置一个温度传感器,通常是一个热敏电阻(thermistor)或其他温度感应器。

  温度监测电路: 将温度传感器的输出连接到一个温度监测电路。这个电路会持续地测量LED球泡灯的温度。

  温度阈值设定: 在温度监测电路中,设定一个安全温度阈值。一旦监测到LED球泡灯的温度超过了这个阈值,就会触发保护机制。

  ?;ご胧? 一旦温度超过设定的阈值,?;さ缏坊岵扇〈胧缂跣ED的电流或关闭LED,以降低LED的温度。这个过程将持续,直到温度回到安全范围。

  高压线性恒流芯片的原理: 高压线性恒流芯片用于确保LED球泡灯在不同电压条件下都能获得恒定的电流供应,从而保持稳定的亮度和性能。其原理如下:

  电流感应和调整: 高压线性恒流芯片中包含一个电流感应电路,用于监测通过LED的电流。如果电流低于设定值,芯片会采取措施来增加电流;如果电流高于设定值,芯片会降低电流。

  电压调整: 当LED球泡灯连接到不同电压源时,其电压可能会变化。高压线性恒流芯片会根据输入电压的变化,自动调整输出电流,以保持恒定的电流供应给LED。

  线性调整: 这种恒流芯片的设计使得在一定电压范围内,LED的电流与电压之间呈线性关系。这有助于确保LED的亮度稳定性。

  ?;すδ埽?高压线性恒流芯片通?;够岚ū;すδ?,如过流保护和短路?;?,以防止LED球泡灯因异常情况而受损。

  综合起来,这些原理使得LED球泡灯能够在不同工作条件下保持恒定的电流和稳定的温度,从而提供一致的亮度和性能,并确保产品的寿命和安全性。


  LED球泡灯低过温?;すδ芨哐瓜咝院懔餍酒氐?/strong>

  LED球泡灯通常需要一些电子元件来控制其工作,其中低过温保护功能和高压线性恒流芯片是其中两个重要的特点。

  低过温保护功能: 这是一项重要的安全特性,旨在防止LED球泡灯因过热而损坏或引发安全问题。LED灯在长时间工作或环境温度升高时,可能会过热,导致其寿命缩短甚至故障。低过温?;すδ芑峒嗖釲ED的工作温度,一旦温度超出安全范围,它会自动降低电流或关断LED以防止过热。这有助于提高LED灯的寿命,并减少火灾等安全风险。

  高压线性恒流芯片: LED灯通常需要一个恒流电源来确保LED获得稳定的电流,从而保证其亮度和寿命。高压线性恒流芯片是一种电子元件,能够在变化的电压条件下维持恒定的电流供应给LED。这在电压波动较大的情况下特别有用,因为LED的亮度和寿命对电流的稳定性要求较高。与传统的非恒流驱动方式相比,恒流驱动可以提供更稳定的性能,同时有助于节能和延长LED的使用寿命。

  LED球泡灯在设计中集成了这些特点,以确保其稳定性、安全性和长寿命。低过温保护功能?;ED免受过热引起的损坏,而高压线性恒流芯片则确保LED在不同电压条件下都能稳定工作,提供一致的亮度和性能。

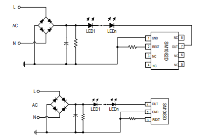
  低过温?;じ哐瓜咝院懔餍酒琒M1082D介绍:

  SM1082D是一款用于具有LED球泡灯低过温保护的单通道LED线性恒流控制芯片,芯片使用本司专利的恒流设定和控制技术,输出电流由外接Rext电阻设置,且输出电流不随芯片OUT端口电压而变化,具有较好的恒流性能。 芯片具有过温调节功能,当芯片温度达到过温调节点时,输出电流逐渐下降,起到?;ば酒墓δ?,提高应用可靠性。系统结构简单,外围元件极少,方案成本低。

  低过温保护高压线性恒流芯片SM1082D特征:

  输入电压: 120Vac/220Vac

  支持可控硅调光应用电路

  具有过温调节功能

  芯片可与LED共用PCB板

  线路简单、成本低廉

  封装形式: ESOP8、SOT89-3

  低过温?;じ哐瓜咝院懔餍酒琒M1082D管脚图

低过温?;じ哐瓜咝院懔餍酒琒M1082D管脚图

  低过温?;じ哐瓜咝院懔餍酒琒M1082D应用电路图:

  更多热门低过温?;じ哐瓜咝院懔餍酒秃磐萍觯?/strong>


型号(封装)通道数耐压最大输出电流电流波动范围最大输出功率功率因素工作温度应用领域特征
SM1082D(ESOP8 )1 500V90mA ±6% 12W 0.5 125灯丝灯、球泡灯、筒灯低过温保护
SM1082D(SOT89-3 )1 500V90mA ±6% 9W0.5 125灯丝灯、球泡灯、筒灯低过温保护
SM2082EDS[S](ESOP8 )1 500V90mA ±6% 12W 0.5 125灯丝灯、球泡灯、筒灯低过温?;?/span>
SM2082D[S](SOT89-3 )1 500V90mA ±6% 9W0.5 125灯丝灯、球泡灯、筒灯低过温?;?/span>
SM2082EDS(ESOP8)1 500V100mA ±4% 12W 0.5 135灯丝灯、球泡灯、筒灯低过温?;?/span>
SM2082D[H](TO252-2 )1 500V120mA ±4% 16W 0.5 135灯丝灯、球泡灯、筒灯低过温保护



有用 (474)

评论列表 共有 0 条评论

暂无评论