外置MOS舞台灯照明DC-DC恒流驱动芯片一种用于舞台灯照明系统的电子驱动芯片,它的主要功能是控制LED灯的亮度以及电流,以确保恒定的亮度输出。这种类型的芯片通常用于控制LED灯条、灯泡或其他照明设备,以实现高质量的照明效果。
外置MOS舞台灯照明DC-DC恒流驱动芯片通常具有以下特点和功能:
恒流输出: 这些芯片的主要功能是提供恒定的电流输出,以确保LED灯在不同工作条件下(例如电源电压波动或温度变化)下仍然保持一致的亮度。这有助于获得高质量的照明效果。
PWM调光控制: 多数恒流驱动芯片支持脉冲宽度调制(PWM)控制,以实现可调光功能。通过改变PWM信号的占空比,您可以调整LED的亮度。
外置MOSFET支持: 一些芯片需要外接金属氧化物半导体场效应晶体管(MOSFET)来驱动高功率LED,以提供更大的输出电流和更高的亮度。这允许芯片适应不同的应用需求。
过热?;ぃ? 一些芯片集成了过热?;すδ埽苑乐筁ED过热损坏。当芯片检测到温度超过安全范围时,它可以自动减小输出电流或采取其他措施来?;ED。
宽输入电压范围: 这些芯片通常支持一定范围的输入电压,以适应不同的电源条件。这可以使它们适用于各种应用,包括电池供电和交流电源供电的场景。
高效能: 许多恒流驱动芯片设计用于高效能操作,以最大程度减少功耗和热量产生。
集成?;ぬ匦裕?一些芯片还可能包括其他?;ぬ匦?,如过电流保护、欠电压?;ず投搪繁;?,以增强设备的可靠性和安全性。

可编程性: 一些高级芯片可能具有可编程功能,允许用户根据其具体需求进行自定义配置。
外置MOS舞台灯照明DC-DC恒流驱动芯的作用有哪些
外置MOS舞台灯照明DC-DC恒流驱动芯片在舞台照明系统中具有重要作用,其主要功能和作用包括:
恒流输出: 这些芯片的主要作用是确保LED灯的电流保持恒定,无论输入电源电压如何变化或工作条件如何变化。这有助于确保LED灯的亮度在整个运行期间保持一致,不受电源波动的影响。
精确的亮度控制: 这些芯片通常支持脉冲宽度调制(PWM)控制,允许用户精确地控制LED的亮度。通过改变PWM信号的占空比,可以实现可调光功能,从而满足不同照明需求。
提高LED寿命: 通过确保LED工作在设计时指定的电流下,这些芯片有助于延长LED的寿命,减少LED的老化和损坏风险。
节能和高效能: 这些芯片通常设计为高效能的电源解决方案,最大程度地减少功耗和热量产生,有助于节能和降低运营成本。
热管理: 一些恒流驱动芯片具有热管理功能,可以监测LED的温度,并在需要时降低电流以防止LED过热。
?;ぬ匦裕?这些芯片通常包括多种?;ぬ匦裕绻缌鞅;?、过热保护、欠电压?;ず投搪繁;?,以提高LED和电路的安全性和可靠性。
适应不同电源条件: 外置MOS舞台灯照明DC-DC恒流驱动芯片通常支持一定范围的输入电压,使其适用于各种不同的电源条件,包括电池供电和交流电源供电。
总的来说,这些芯片在舞台照明系统中的作用是确保LED灯的稳定亮度、提供精确的亮度控制、提高能效、延长LED寿命,并提供各种保护功能,以确保系统安全可靠地运行。
外置MOS舞台灯照明DC-DC恒流驱动芯品牌有哪些
外置MOS舞台灯照明DC-DC恒流驱动芯片的制造商和品牌众多,以下是一些知名的品牌和制造商,它们生产各种用于LED照明的驱动芯片:
TI(德州仪器):德州仪器是一家知名的半导体制造商,提供各种用于LED照明的驱动芯片。
ON Semiconductor:ON Semiconductor也是一家全球领先的半导体制造商,提供多种照明应用的驱动芯片。
Analog Devices:Analog Devices(ADI)以其高性能的模拟和混合信号集成电路而闻名,其产品包括用于照明应用的驱动器。
Maxim Integrated:Maxim Integrated专注于高性能模拟和混合信号集成电路,提供多种用于LED照明的驱动器。
Infineon Technologies:Infineon是一家德国的半导体制造商,提供广泛的用于照明应用的电源管理芯片。
STMicroelectronics:STMicroelectronics是一家欧洲的半导体制造商,提供各种用于LED照明的产品,包括驱动芯片。
NXP Semiconductors:NXP Semiconductors提供多种用于照明和LED控制的芯片,包括PWM控制器和驱动器。
ROHM Semiconductor:ROHM Semiconductor是一家日本的半导体制造商,提供各种用于LED照明的驱动器和控制器。
Cree:Cree是一家专注于LED技术的公司,提供多种LED驱动器和电源管理解决方案。
Mean Well:Mean Well是一家专门生产LED电源和驱动器的公司,其产品广泛用于照明应用。
请注意,每个制造商通常都有多种型号和系列的LED驱动芯片,以满足不同应用需求。要选择合适的品牌和型号,您应该根据您的具体项目需求,如输入电压、输出电流、调光需求、?;ぬ匦缘冉衅拦?,并查阅各个制造商的产品目录和技术资料以获取详细信息。此外,您也可以联系电子元件分销商以获取建议和支持。
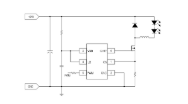
外置MOS DC-DC恒流驱动芯片SM3618T介绍:
SM3618T是一款平均电流控制、降压型LED恒流驱动芯片,内部集成LED恒流控制、PWM调光、模拟调光等多种功能???,最大工作频率1MHz,效率最高95%,通过外接RCS电阻设置输出电流。
外置MOS DC-DC恒流驱动芯片SM3618T特征:
BUCK拓扑、平均电流工作模式
内部集成5V钳位电路
恒流精度<士3
支持输出电流60mA”5A
驱动外部MOS
效率高达95%
最大工作频率1MHz
支持PWM调光,调光深度0.1%
支持模拟调光、分段调光
具有过温、过流、欠压等多种?;?/p>
封装形式:S0T23-6
外置MOS DC-DC恒流驱动芯片SM3618T应用领域
汽车照明
景观装饰照明
建筑装饰照明
舞台灯
LCD 背光照明
外置MOS DC-DC恒流驱动芯片SM3618T管脚图

外置MOS DC-DC恒流驱动芯片SM3618T应用电路图

热门用于舞台灯的外置MOS DC-DC恒流驱动芯片推荐
| 型号(封装) | 拓扑结构 | 耐压 | 最大输出电流 | 驱动方式 | 电流波动范围 | 调光灰度 | 调光级别 | 应用领域 | 特征 |
| SM3618T(SOT23-5 ) | BUCK | ﹣ | ﹣ | External | ±3% | 65536 | PWM | 舞台灯、装饰照明等 | 外置MOS |




