在现代社会中,LED灯广泛应用于家庭照明、商业照明、车灯等众多领域。为了使LED灯的亮度得到控制,PWM调光低压线性恒流芯片被广泛运用于LED控制电路。
PWM调光低压线性恒流芯片能够调节LED灯的亮度和功率,并在保持恒定亮度的情况下,减少LED的发热和功耗。同时,此类芯片还具有?;さ缏返墓δ?,确保LED的长期稳定运行,使得LED灯具有较长的使用寿命。
然而,不同的LED控制电路所需的PWM调光低压线性恒流芯片也不尽相同。在选择PWM调光低压线性恒流芯片时,需要考虑多个因素,例如输入电压范围、电流控制的精度和最大电流输出值等。
支持PWM调光的低压线性恒流芯片是一种电子器件,通常用于驱动LED(发光二极管)或其他类型的光源,以实现调光功能。以下是对这些术语的解释:
PWM(脉宽调制):PWM是一种调光技术,通过快速地切换电流或电压信号的占空比来控制光源的亮度。在PWM调光中,光源以非常高的频率(通常不可见)开启和关闭,通过控制开启时间与总周期时间的比例来控制亮度。PWM调光通常被认为是一种有效的调光方法,因为它不会导致光源自身的发热。

低压:这通常表示芯片能够在较低的电压下工作,这对于电池供电的便携式设备或要求高效率的应用非常重要。
线性恒流:线性恒流是一种电流控制方法,它确保电流保持恒定,而不受电源电压波动的影响。这对LED驱动器非常重要,因为LED的亮度通常与通过它们的电流成正比关系。线性恒流芯片可以确保LED的亮度在不同电源电压下保持恒定。
支持PWM调光的低压线性恒流芯片是一种能够以低电压工作、能够通过PWM技术实现调光功能,并能够提供恒定电流以驱动LED等光源的电子芯片。这种芯片在许多需要精确控制光亮度的应用中非常有用,例如照明、显示屏和光通信等领域。它们可以帮助提高效率、延长LED寿命并实现可变亮度的功能。
支持PWM调光低压线性恒流芯片工作原理
支持PWM调光、低压、线性恒流的芯片通常用于驱动LED或其他光源,以实现精确的亮度控制。以下是这种芯片的工作原理:
输入电源供应: 首先,将输入电源(通常是直流电源)连接到芯片的电源引脚。这个电源电压通常在一定的电压范围内工作,这也是所谓的"低压"特性。
线性恒流控制: 这种芯片的核心功能是维持恒定的电流通过连接的光源(例如LED)。通常,用户可以设置所需的电流值,芯片会确保输出电流始终保持在这个设定值附近。
PWM调光控制: 芯片还具有PWM调光功能,它通过控制高频率开关来改变光源的亮度。这里的工作步骤如下:
a. 用户通过芯片上的控制接口或输入引脚提供PWM调光信号。
b. 芯片比较PWM信号与一个内部的基准信号,通常是一个高频率方波信号。根据PWM信号的占空比(即高电平时间与周期时间的比例),芯片决定是否将电流流过光源。
c. 当PWM信号处于高电平时,芯片允许电流流过光源,光源发光。而当PWM信号处于低电平时,芯片切断电流,光源熄灭。
d. 这个高频率的开关过程在肉眼几乎不可见,因此给人的印象是光源的亮度在变化。
亮度调节: 通过调整PWM信号的占空比,用户可以改变光源的亮度。占空比越高,亮度越高,占空比越低,亮度越低。
电流稳定性: 同时,芯片会继续保持输出电流的稳定性。这意味着即使输入电压发生波动,芯片也会调整PWM控制,以确保输出电流保持在用户设定的值附近。这是所谓的线性恒流特性,保证了光源的亮度不会受电源波动的影响。
支持PWM调光、低压线性恒流的芯片通过不断调整PWM信号以及稳定输出电流,使用户能够实现对光源的精确亮度控制,同时适应不同的电源条件。这种芯片广泛应用于LED照明、显示屏、背光源和其他需要可变亮度控制的应用中。
支持PWM调光低压线性恒流芯片功能
支持PWM调光、低压线性恒流的芯片具有多种功能,这些功能使其在LED驱动和其他照明控制应用中非常有用。以下是这些芯片的主要功能:
PWM调光功能: 这种芯片能够接受PWM信号作为输入,以实现对光源的精确亮度控制。通过改变PWM信号的占空比,用户可以调整光源的亮度,从全亮到全暗以及中间各个亮度级别。
低压工作: 这些芯片通常能够在相对较低的电源电压下工作,这使得它们非常适合需要低电压供电的应用,如便携式电子设备和电池供电的系统。
线性恒流输出: 这些芯片的关键功能之一是提供恒定的输出电流。无论输入电压如何变化,芯片都会自动调整以保持输出电流的稳定性。这对LED驱动器非常重要,因为LED的亮度通常与电流成正比关系。
电流精度: 这些芯片通常具有高电流精度,以确保输出电流与用户设置的目标电流非常接近。这有助于实现精确的亮度控制。
热管理: 一些芯片具有内置的热管理功能,可以监测温度并在必要时限制电流,以防止LED过热和损坏。
过电压?;ぃ?芯片通常具有过电压保护功能,可以防止输入电压超出规定范围,从而?;ED和芯片免受损害。
故障检测和反?。?一些芯片可以检测LED是否失效或断路,并提供反馈信号,以便系统能够及时处理故障。
节能和效率: 这些芯片通常设计得非常高效,以最大程度减少能源消耗,从而降低系统的能源成本。
总的来说,支持PWM调光、低压线性恒流的芯片为LED照明和其他光源控制提供了广泛的功能,能够满足不同应用的需求,实现高效、可变亮度的照明控制。
支持PWM调光低压线性恒流芯片应用场景
支持PWM调光、低压线性恒流芯片在各种应用场景中都有广泛的用途,特别是在需要LED照明和亮度控制的领域。以下是一些常见的应用场景:
LED照明: 这是最常见的应用场景之一。支持PWM调光的芯片用于驱动LED灯具,例如室内照明、户外景观照明、车辆前照灯、尾灯和车内照明等。通过PWM调光,用户可以调整LED灯具的亮度,以满足不同环境下的照明需求。
背光控制: LCD显示屏和液晶电视通常需要背光来提供亮度。支持PWM调光的芯片用于控制背光的亮度,以实现高质量的图像显示和能效。
电池供电设备: 由于低压工作特性,这些芯片适用于便携式电子设备,如智能手机、平板电脑、笔记本电脑和手持游戏机。它们可以延长电池寿命并提供亮度控制选项。
汽车照明: 在汽车中,支持PWM调光的芯片用于驱动前照灯、尾灯、刹车灯、指示灯和仪表板照明。这些芯片不仅可以提供亮度控制,还可以适应不同的电压条件,如启动和停车时的电池电压波动。
照明控制系统: 这些芯片还可以用于照明控制系统,如智能家居照明系统、商业照明系统和街道照明系统。通过集中控制,可以实现照明的远程管理和自动化。
医疗设备: 在医疗领域,这些芯片可以用于医疗成像设备、手术室照明以及生命支持设备中的照明和指示灯。
户外广告牌: 大型户外LED广告牌通常需要亮度控制,以在白天和夜晚时段提供不同的视觉效果。支持PWM调光的芯片可以实现这种控制。
植物生长照明: 在室内农业和植物生长室中,LED照明用于促进植物生长。这些芯片可用于调整光照强度和光谱,以满足不同植物的需求。
支持PWM调光、低压线性恒流的芯片在各种照明和光源控制应用中发挥着关键作用,它们提供了精确的亮度控制和能效,适用于多种行业和领域。
支持PWM调光低压线性恒流芯片SM15302T介绍
SM15302T是高性价比的单通道LED恒流驱动芯片,具有宽电压范围输入、低阈值电压开启特点,解决因电源电压衰减造成的LED灯带亮度不一致问题。
支持PWM调光低压线性恒流芯片SM15302T特征:
输入电源电压:2~40Vdc
输出电流:20mA
OUT端口耐压: 40V
输出电流精度:土5%
恒流拐点电压低: 20mARVOUT S=2.0V
输出电流负温度特性
线路简单、应用灵活,成本低
封装形式:50T23-3
支持PWM调光低压线性恒流芯片SM15302T应用领域:
模组、软灯带
室内外装饰、汽车装饰
支持PWM调光低压线性恒流芯片SM15302T的管脚图

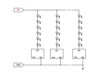
支持PWM调光低压线性恒流芯片SM15302T应用电路图

支持PWM调光低压线性恒流芯片型号推荐
| 型号 | 通道数 | 耐压 | 最大输出电流 | 电流波动范围 | 温度 | 封装 | 应用领域 | 特征 |
| SM4A20H | 2 | 40V | 18.7mA | ﹣ | 145℃ | HFBP8[1.4x1] | 软/硬灯带、其他LED照明等 | 支持PWM调光 |
| SM15302T | 1 | 40V | 20mA | ±5% | ﹣ | SOT23-3 | 软/硬灯带、其他LED照明等 | 支持PWM调光 |
| SM15304T | 1 | 40V | 40mA | ±5% | ﹣ | SOT23-3、SOT89-3 | 软/硬灯带、其他LED照明等 | 支持PWM调光 |
| SM15306T | 1 | 40V | 60mA | ±5% | ﹣ | SOT23-3、SOT89-3 | 软/硬灯带、其他LED照明等 | 支持PWM调光 |
| SM15308T | 1 | 40V | 80mA | ±5% | ﹣ | SOT89-3 | 软/硬灯带、其他LED照明等 | 支持PWM调光 |
| SM15310T | 1 | 40V | 100mA | ±5% | ﹣ | SOT89-3 | 软/硬灯带、其他LED照明等 | 支持PWM调光 |
| SM15312T | 1 | 18V | 120mA | ±5% | ﹣ | SOT223、SOT89-3 | 软/硬灯带、其他LED照明等 | 支持PWM调光 |




