电磁炉、电饭煲和电压力锅等家用电器通常会使用内置AC-DC电源开关和控制功能的电子集成电路来管理电能转换和功率控制。这些电路通常包括高压功率管(MOSFET)的驱动电路、PWM控制、电源管理等功能。

内置650V功率管AC-DC电源芯片原理
内置650V功率管AC-DC电源芯片的工作原理涉及将交流电源(AC)转换为直流电源(DC),以供电器设备使用。以下是其基本工作原理:
输入电源:芯片的工作始于输入电源,通常为交流电源。这个交流电源可能来自电网或其他交流电源。
整流:交流电源首先经过整流器,将其转换为直流电压。整流器通常使用二极管桥或其他整流电路来实现。
电源因数校正(PFC)(可选):一些内置650V功率管AC-DC电源芯片包括电源因数校正(PFC)控制器。PFC的目的是改善电源的功率因数,使其更接近1,以减少电网负载影响。
PWM控制:芯片通常使用脉冲宽度调制(PWM)技术来控制内置高压功率管(通常是MOSFET或IGBT)的开关。PWM控制器生成一系列脉冲信号,其脉冲宽度根据输出电压需求而变化。这些脉冲信号用于精确地控制功率管的开关,以调整输出电压。
高压功率管驱动:芯片内集成了高压功率管的驱动电路,用于精确地控制功率管的开关操作。
电流和电压保护:内置?;ぬ匦裕绻缌鞅;?、过温度保护、过压保护和低电压?;ぃ匀繁5缭聪低车陌踩院涂煽啃?。
电源管理:包括电源管理功能,如电压稳定、电流限制和温度监测,以确保电源系统的稳定性和性能。
输出电源:通过PWM控制功率管的开关,将输入电源转换为适合电器设备的直流电源,供电器设备的电路使用。
内置650V功率管AC-DC电源芯片的原理是通过PWM控制高压功率管的开关,精确地调整输出电压,同时确保电源系统的高效性和安全性。这些芯片通常集成了多种功能,以降低系统设计的复杂性,并提供多种?;ぬ匦?,以确保电源系统的稳定性和可靠性。选择适合的芯片需要考虑应用的功率需求、性能要求和?;ば枨?。
内置650V功率管AC-DC电源芯片优势
内置650V功率管AC-DC电源芯片具有许多优势,使其成为各种应用的理想选择:
高效能:这些芯片通常具有高效的功率转换电路,可以最大程度地减少电能损失,降低电源系统的能耗,从而节省能源和降低运行成本。
高度集成:它们通常集成了多种功能,如电源因数校正(PFC)、PWM控制、电源管理和?;ぬ匦?,降低了系统设计的复杂性和成本。
?;ぬ匦裕耗谥枚嘀直;ぬ匦?,如过电流保护、过温度?;?、过压?;ず偷偷缪贡;?,以提高电源系统的安全性和可靠性。
电源因数校正(PFC)(可选):一些芯片包括PFC功能,可以改善电源的功率因数,减少电网负载影响,提高系统的电能利用率。
紧凑设计:通常具有小型封装,适合有限的空间,特别是在家用电器和工业设备中。
高电压处理:能够处理高电压(通常为650V)的交流电源,适用于各种高压应用。
高效的PWM控制:通过脉冲宽度调制(PWM)控制,可以实现精确的输出电压调整,满足不同应用的要求。
稳定性:这些芯片通常能够提供稳定的电源输出,确保电器设备正常运行。
可编程性:一些芯片具有可编程的特性,允许用户或制造商根据特定应用的需求进行配置和调整。
广泛的应用:适用于多种领域,包括家用电器、工业设备、电动车充电器、电力电子设备等。
这些优势使内置650V功率管AC-DC电源芯片成为一种高效、可靠和经济的电源转换解决方案,广泛应用于各种应用中,有助于提高电源系统的性能、效率和可靠性。选择适合的芯片需要考虑应用的功率需求、性能要求和?;ば枨?。
AC-DC电源芯片SM7075P型号概述
SM7075P是采用电流模式PWM控制方式的功率开关芯片,集成高压启动电路和高压功率管,为低成本开关电源系统提供高性价比的解决方案。 芯片应用于BUCK或BUCK-BOOST系统方案,支持12V/18V输出电压,很方便的应用于小家电产品领域。并提供了过温、过流、过压、欠压等完善的保护功能,保证了系统的可靠性。
AC-DC电源芯片SM7075型号特征
输入电压: 85Wac 265Vac
拓扑结构支持:低成本BUCK、BUCK-BOOST等方案
采用650V单芯片集成工艺
待机功耗小于120mWe220Wac
集成高压启动电路
集成高压功率开关
45KHz固定开关频率
电流模式PWM控制方式
内置抖频技术,提升EMC性能
内置过温、过流、过压、欠压等?;すδ?/p>
内重软启动
内置智能软驱动技术 (提高EMC性能)
封装形式:S0P8
AC-DC电源芯片SM7075P型号应用领域:
电磁炉、电饭煲、电压力锅等
小家电产品电源
AC-DC电源芯片SM7075P型号管脚图

AC-DC电源芯片SM7075P型号输出功率表
| 输入电压 | 85Vac~265Vac | 180Vac~265Vac | ||
| 最大电流 | SOP8 | 12V | 300mA | 350mA |
| 18V | 250mA | 300mA | ||
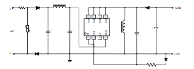
AC-DC电源芯片SM7075P型号12V 典型应用

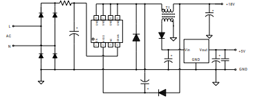
AC-DC电源芯片SM7075P型号18V 典型应用

更多内置650V功率管AC-DC电源芯片型号推荐:
| 型号 | 描述 | 封装形式 |
| SM7075 | 输出12V/18V可选,输出300mA非隔离,内置650V功率管 | DIP8 |
| SM7075-18 | 输出固定18V,输出300mA非隔离,内置650V功率管 | DIP8、TO252-2 |




