为WIFI??楣┑绲腁C-DC电源芯片通常用于将交流电源(AC)转换为适合WIFI??槭褂玫闹绷鞯缭?DC)。这些芯片在嵌入式系统中非常常见,以提供稳定、可靠的电源,以便WIFI??檎T诵小R韵率且恍┦视糜赪IFI??楣┑绲腁C-DC电源芯片特点:

低功耗设计:WIFI??橥ǔR蟮凸囊匝映さ绯厥倜虼薃C-DC电源芯片应具有高效的电源转换电路,以减少电能损失。
小型封装:通常具有紧凑的设计,以适应有限的空间,特别是在嵌入式系统中。
低噪声:电源应提供干净、稳定的直流电源,以确保WIFI??榈恼T诵校⒓跎傩藕鸥扇?。
输出电压调整:具有输出电压调整功能,以适应不同WIFI??榈牡缭葱枨?。
保护特性:包括过电流?;?、过温度?;ぁ⒐贡;ず偷偷缪贡;さ榷嘀直;ぬ匦裕匀繁5缭聪低车陌踩院涂煽啃?。
电源因数校正(PFC)(可选):一些芯片包括电源因数校正功能,以改善电源的功率因数,减少电网负载影响。
EMI滤波:内置EMI(电磁干扰)滤波器,以减少电磁辐射和提高系统的抗干扰能力。
短路?;ぃ壕弑付搪繁;すδ埽苑乐沟缏范搪肥彼鸹档缭椿騑IFI??椤?/p>
可编程性:一些芯片可能具有可编程的特性,允许用户或制造商根据特定WIFI模块的需求进行配置和调整。
可靠性:电源应具有高可靠性,以确保WIFI连接的稳定性和可用性。
这些特点有助于提供适用于WIFI模块的稳定、高效和可靠的电源解决方案。选择适合的AC-DC电源芯片需要考虑WIFI??榈墓β市枨?、性能要求和电源稳定性需求。
供电WIFI??榈腁C-DC电源芯片种类
供电WIFI模块的AC-DC电源芯片种类多种多样,适用于不同的应用和功率需求。以下是一些常见的AC-DC电源芯片种类,可用于WIFI??楣┑纾?/p>
离线开关电源芯片:这些芯片用于将交流电源转换为直流电源,通常包括高效的PWM控制器、电源因数校正(PFC)、?;ぬ匦院透哐筂OSFET驱动。它们适用于各种功率级别的WIFI??楣┑纭?/p>
高度集成的AC-DC电源??椋赫庑┠?槭且惶寤牡缭唇饩龇桨?,通常包括电源变压器、整流器、PWM控制器和?;さ缏?。它们通常具有紧凑的设计,适合有限的空间,用于WIFI??楹颓度胧较低场?/p>
低功耗电源芯片:针对便携式和低功耗设备设计的电源芯片,通常具有高效的转换电路,以延长电池寿命,适用于电池供电的WIFI??椤?/p>
高温电源芯片:适用于高温环境的电源芯片,具有更高的工作温度范围和热稳定性,通常用于工业和汽车应用中。
嵌入式电源??椋杭闪说缭垂芾?、AC-DC转换和?;すδ艿那度胧降缭茨??,通常用于紧凑的嵌入式系统和嵌入式WIFI???。
电源管理IC:这些芯片通常包括电源管理、电压调整和?;ぬ匦?,用于为WIFI??樘峁┪榷ǖ牡缭?。
USB电源控制器:适用于USB供电的WIFI???,具有USB电流调整和?;ぬ匦?。
高电压输入电源芯片:用于处理高电压(如220V或110V)输入的电源芯片,通常用于工业和电网连接应用。
这些种类的AC-DC电源芯片可以根据应用的需求选择,例如功率需求、效率要求、输入电压范围、尺寸和可靠性要求。在选择芯片时,重要的是查阅制造商的技术规格表和参考设计,以确保选择的电源芯片符合WIFI模块的需求并满足所在应用的标准和规范。
WIFI模块供电AC-DC电源芯片品牌
供电WIFI??榈腁C-DC电源芯片可以来自多个不同的品牌和制造商。以下是一些知名的电源芯片品牌,它们提供了适用于WIFI??楹颓度胧较低车腁C-DC电源解决方案:
Texas Instruments (TI):TI是一个领先的半导体制造商,提供了广泛的AC-DC电源管理芯片,适用于各种应用,包括WIFI??楣┑纭?/p>
STMicroelectronics:STMicroelectronics提供了一系列高性能电源管理和AC-DC转换芯片,适用于嵌入式系统和通信设备,包括WIFI模块。
Infineon Technologies:Infineon提供了多种AC-DC电源芯片,包括用于WIFI??楣┑绲慕饩龇桨?,其产品注重低功耗和高效能。
ON Semiconductor:ON Semiconductor生产多种用于电源管理和AC-DC转换的芯片,适用于嵌入式系统和通信设备。
Maxim Integrated:Maxim Integrated提供了高性能、集成度高的电源管理芯片,适用于各种应用,包括WIFI??楣┑?。
Analog Devices (ADI):ADI提供了广泛的电源管理解决方案,包括高效的AC-DC电源芯片,适用于无线通信设备,如WIFI???。
ON Semiconductor:ON Semiconductor是一家知名的半导体制造商,提供了多种用于电源管理和AC-DC转换的芯片,适用于嵌入式系统和通信设备。
Dialog Semiconductor:Dialog Semiconductor专注于低功耗电源管理解决方案,适用于移动设备和嵌入式系统,包括WIFI???。
这些品牌提供了各种不同型号的电源芯片,以满足不同应用需求。选择适合的AC-DC电源芯片需要根据WIFI模块的功率需求、性能要求和电源稳定性需求来进行考虑。
AC-DC电源芯片SM6035型号概述:
SM6035-X是一款高精度非隔离、高集成度且低成本的降压恒压控制芯片,适用于85Vac~265Vac全电压范围应用;SM6035-X内部集成500V高压功率管,内置CS电阻,无需外部补偿元件,即可实现优异的线性调整率和负载调整率,外围元件极少,大大的降低了系统的成本,节约了PCB的尺寸。
AC-DC电源芯片SM6035型号特征
输入电压: 85Vac 265Vac
拓扑结构支持: BUCK
采用500V单芯片集成工艺
待机功耗小于50mW@220Vac
集成高压启动电路
33KHz因定开关频率
内置过温、过压、欠压等保护功能
内置软启动
封装形式:50P8
AC-DC电源芯片SM6035型号应用领域
AC/DC 辅助供电电源
智能??楣┑绲缭?/p>
电磁炉、电饭煲、电压力锅等
小家电产品电源
AC-DC电源芯片SM6035型号管脚图

AC-DC电源芯片SM6035型号推荐功率表
| 产品型号 | 输入电压 | 输出规格 | |
| 输出电压 | 输出电流 | ||
| SM6035 | 85Vac~265Vac | 3.3/5.0V | 300mA |
| SM6035-3 | 85Vac~265Vac | 3.3V | 300mA |
| SM6035-5 | 85Vac~265Vac | 5.0V | 300mA |
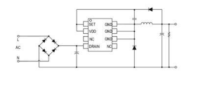
AC-DC电源芯片SM6035型号典型应用

更多热门AC-DC电源芯片型号推荐
| 型号 | 描述 | 封装形式 |
| SM6035A-3/5 | 固定输出3.3V或5V,输出60mA非隔离,蓝牙??楣┑纾谥?/span>500V功率管 | SOT23-3 |
| SM6035 | 输出3.3V/5V可选,输出300mA非隔离,WIFI??楣┑纾谥?/span>500V功率管 | SOP8 |




