近年来,随着人们对生活品质的不断追求,照明系统也逐渐成为了人们关注的焦点。灯光产品的升级换代也日趋迫切。在这一潮流下,新型灯光产品——灯丝灯内置消频闪线性可控硅调光芯片产生了,这款产品引起了市场的高度关注,并被广泛应用于房屋装修、商业照明、展示设计等众多领域。
灯丝灯内置消频闪线性可控硅调光芯片特点
灯丝灯内置消频闪线性可控硅调光芯片是一种用于调节灯光亮度的电子元件,通常用于实现可调光功能的灯具。以下是这种芯片的一些特点:
消频闪技术:这种芯片具备消频闪的功能,可以有效减少或消除灯光的闪烁。闪烁的灯光可能对人眼造成不适,尤其是在低亮度条件下,这一特点使得灯光更加舒适和健康。
线性调光:这种芯片可以实现线性调光,即通过控制电流来精确调整灯光的亮度。线性调光意味着亮度的变化与电流的变化成正比,使得用户可以根据需要调整灯光的明暗程度。
可控硅技术:可控硅(SCR)是一种半导体器件,用于控制交流电的电流。这种芯片采用可控硅技术,允许精确控制电流流过灯泡,从而实现调光功能。
内置设计:这种芯片通常内置在灯具或灯泡中,以实现紧凑的设计和易于安装。这使得用户可以在不更换整个灯具的情况下实现可调光功能。
节能和寿命延长:通过精确控制灯光亮度,这种芯片可以帮助节约能源,延长灯泡的使用寿命。用户可以根据需要调整亮度,以避免不必要的能源浪费。
灯丝灯内置消频闪线性可控硅调光芯片具有减少闪烁、提供线性调光、采用可控硅技术、节能和寿命延长等特点,使其成为一种在照明应用中常见的调光解决方案。

灯丝灯内置消频闪线性可控硅调光芯片作用
灯丝灯内置消频闪线性可控硅调光芯片的作用主要是实现以下几个方面的功能:
闪烁减少:这种芯片具备消频闪的功能,可以有效减少或消除灯光的闪烁。灯光的闪烁可能对人眼造成不适,尤其是在低亮度条件下。通过降低闪烁,这种芯片可以提供更加舒适和稳定的照明效果。
线性调光:这种芯片可以实现线性调光,即通过控制电流来精确调整灯光的亮度。线性调光意味着亮度的变化与电流的变化成正比。用户可以根据需要调整灯光的明暗程度,提供个性化的照明体验。
节能:通过精确控制灯光的亮度,这种芯片可以帮助节约能源。用户可以根据需要降低灯光亮度,从而降低能耗,特别是在需要长时间照明的场合,如家庭照明、办公室照明等。
延长灯泡寿命:精确的电流控制可以减少电压和电流的波动,从而减少灯泡的功耗和热量产生。这有助于延长灯泡的使用寿命,减少更换灯泡的频率,降低维护成本。
提高照明品质:通过减少闪烁、提供线性调光以及改善照明的稳定性,这种芯片可以提高照明品质,为用户提供更好的视觉体验。
总之,灯丝灯内置消频闪线性可控硅调光芯片的作用是改善灯光质量、提高能源效率、延长灯泡寿命以及提供可调光功能,从而满足用户对照明的不同需求,并促进更舒适、高效和可持续的照明解决方案。
灯丝灯内置消频闪线性可控硅调光芯片品牌有哪些
Philips Lighting: Philips是全球领先的照明解决方案供应商之一,提供各种调光技术的灯泡和灯具,包括消频闪线性可控硅调光芯片。
Osram: Osram是另一家知名的照明技术公司,提供各种照明产品,包括可调光技术。他们可能提供内置消频闪线性可控硅调光芯片的产品。
GE Lighting: 通用电气(GE)也是一家著名的照明解决方案提供商,他们在可调光领域有着广泛的产品线。
Cree: Cree是一家专注于半导体照明解决方案的公司,他们提供多种调光技术的灯泡和灯具。
Lutron: Lutron Electronics是一家专门从事照明控制和调光技术的公司,他们可能提供一系列内置消频闪线性可控硅调光芯片的产品。
Leviton: Leviton是一家全球领先的电气设备制造商,他们也在提供可调光解决方案方面有着一定的市场份额。
Eaton: Eaton是一家多元化的电气设备制造商,他们可能提供与灯丝灯内置消频闪线性可控硅调光芯片相关的产品。
灯丝灯内置消频闪线性可控硅调光芯片应用领域
灯丝灯内置消频闪线性可控硅调光芯片可以应用于各种照明和灯具场景,以满足不同应用领域的需求。以下是一些主要的应用领域:
家庭照明:这种调光技术可以应用于家庭的各种灯具,包括台灯、吊灯、壁灯、筒灯等。在家庭环境中,用户可以根据不同的场景和需求调整灯光的亮度,创造出温馨、舒适的氛围。
商业照明:商业场所如办公室、商店、餐厅和酒店可以使用这种技术,以提供可调光的照明。这有助于提高工作效率、突出商品、改善用餐体验等。
医疗设施:在医院、诊所和医疗设施中,可调光照明可以用于不同用途,例如手术室的精确照明控制、病房的病人舒适度提高,或者用于病房的光线调节以帮助病人康复。
教育机构:学校和大学可以使用这种技术来提供适应不同教室和学习环境的灯光。例如,在教室中,可以根据讲课或演示的需要调整亮度。
工业照明:工厂、仓库和生产线通常需要可调光照明,以提供足够的光线来完成任务,同时尽量减少能源消耗。
娱乐场所:剧院、演出场馆和酒吧等娱乐场所可以利用可调光技术来营造不同的氛围和情感效果,以适应不同的表演和活动。
户外照明:一些户外照明应用也可以受益于这种技术,例如城市街道照明、景观照明和夜间安全照明。
灯丝灯内置消频闪线性可控硅调光芯片的应用领域非常广泛,可以根据具体的需求和场景来实现灯光的亮度控制,提高照明效果、节约能源、改善用户体验以及适应不同的环境要求。
那么,这款灯丝灯内置消频闪线性可控硅调光芯片产品与传统产品相比有何优势呢?
首先,这款灯丝灯内置消频闪线性可控硅调光芯片产品内置消频闪技术,能够有效降低光源的频闪率,避免眼睛扫视到灯泡闪烁的现象,有效解决了频闪对人眼健康的不良影响。同时,线性可控硅调光技术可以更加精准地控制光源亮度,实现更加智能的光控系统。
其次,这款灯光产品采用灯丝灯作为光源,光线柔和,色温适中,是舒适的光源,符合人体工程学。而且,产品内置的智能芯片设计,具有超过1000组数据定制的智能模式,根据不同环境场景采用不同的光线样式,满足消费者多样化的需求。
除此之外,这款灯光产品还采用带有“记忆功能”的智能调光技术,可以自动保存上一次使用的亮度模式,打开时自动恢复上一次亮度状态。并且,产品低能耗、长寿命,省钱又省心。
总之,这款新型灯光产品具备全方位的智能化设计与科技含量,性价比高,现已广泛运用于家庭、商业、展示等场景中。随着技术的不断进步,相信这款产品未来还会不断推陈出新,为市场带来更多惊喜。
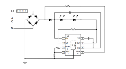
内置消频闪线性可控硅调光芯片SM2196GF介绍:
SM2196GF是一款集成去频闪电路、高效带可控硅检测、线网电压补偿的双通道LED线性恒流控制芯片,该芯片使用本司专利的恒流和恒功率控制技术,通过检测VT端口电压控制输出电流,从而使得在输入电压变化时,输入功率基本保持不变;同时具有良好的可控硅兼容性,通过检测TRIAC端口电压控制泄放电流,从而使得在无可控硅接入系统时,关闭TRIAC端口,在有可控硅接入系统时,正??鬞RIAC端口。
内置消频闪线性可控硅调光芯片SM2196GF特征:
本司专利的恒流控制技术
a)芯片间输出电流偏差<土5%
输入电压: 120Vac
集成去频闪电路
内重线网电压补偿
良好的可控硅调光兼容性
具有过温调节功能
芯片可与LED共用PCB板
封装形式:ESOP8
内置消频闪线性可控硅调光芯片SM2196GF应用领域:
灯丝灯,LED 球泡灯
其他 LED 照明
内置消频闪线性可控硅调光芯片SM2196GF管脚图:

内置消频闪线性可控硅调光芯片SM2196GF应用电路图:

热门内置消频闪线性可控硅调光芯片推荐:
| 型号(封装) | 通道数 | 耐压 | 最大输出电流 | 电流波动范围 | 最大输出功率 | 功率因素 | 温度 | 应用领域 | 特征 |
| SM2196GF(ESOP8 ) | 2 | 500V | 330mA/50mA | ±5% | 5W | >0.7 | 145℃ | 灯丝灯、球泡灯 | 内置消频闪 |




