高可靠性高压线性恒功率芯片是一种电子元件,专门设计用于控制LED(发光二极管)光源的电流和功率,以确保LED在不同电压输入情况下能够保持稳定的亮度和效能,并具备高度的可靠性,适用于各种需要稳定、可靠照明的应用场景。这种芯片结合了高可靠性设计和高压线性恒功率控制技术,可以在不同电网条件、环境温度变化和其他干扰因素下,保证LED的亮度和性能始终如一。
高可靠性高压线性恒功率芯片主要特点和功能:
稳定的输出: 高可靠性芯片可以确保在不同电压波动和温度变化情况下,LED的亮度和功率输出保持稳定。
恒功率控制: 这种芯片具有恒功率控制功能,即在不同电压下自动调整输出电流,以保持一致的功率输出。
多重保护功能: 高可靠性芯片通常内置多种?;すδ?,如过电流?;?、过温?;ぁ⒍搪繁;さ龋繁ED光源在异常情况下能够安全工作。
温度管理: 一些芯片可能会集成温度传感器,以监测LED和芯片的温度,并根据需要进行调整,以避免过热。
环境适应性: 芯片可能会自动适应不同的工作环境,根据温度、湿度等条件调整LED的工作参数。
长寿命设计: 高可靠性设计和优质的组件可以延长芯片和LED的使用寿命,减少维护需求。
应用广泛: 这种芯片适用于各种需要稳定、可靠照明的应用场景,包括户外照明、室内照明、工业照明等。
总的来说,高可靠性高压线性恒功率芯片是为了应对LED照明系统中的稳定性和可靠性需求而设计的,通过高效的控制和?;すδ?,确保LED在不同条件下能够始终提供稳定的照明效果,适用于各种严苛的环境和长时间运行的场景。
高可靠性高压线性恒功率芯片的原理涉及电路设计和控制技术,旨在确保LED光源在不同电压、温度和环境条件下保持稳定的亮度和功率输出。以下是其工作原理的主要方面:
电压转换和调节: 芯片接收来自电源的电压输入,经过电压转换和调节电路进行处理。这些电路将高输入电压范围转换为适用于LED的稳定电流源,确保在输入电压波动时输出电流保持恒定。
恒功率控制: 芯片内部具备恒功率控制电路,可以根据输入电压和电流的变化,自动调整LED的电流,以保持稳定的功率输出。这有助于在不同电压条件下保持一致的照明效果。
电流传感器: 一些芯片可能会集成电流传感器,用于监测LED的工作电流。这允许芯片实时检测电流变化并进行反馈控制,以保持恒定的亮度。
温度管理: 高可靠性芯片通常会集成温度传感器,用于监测芯片或LED的温度。根据温度变化,芯片可以调整输出电流,以避免过热情况发生。
?;すδ埽?芯片内置多重保护功能,如过电流保护、过温保护、短路保护等。这些保护机制会在异常情况下切断电源,以保护芯片和LED免受损坏。
反馈回路: 一些高可靠性芯片可能会使用反馈回路来实时监测LED的状态,并根据需要调整输出电流,以确保稳定的光输出。
控制算法: 芯片使用特定的控制算法,根据电流、电压和温度等信息,实时调整LED的电流输出,以维持恒定的功率和亮度。
环境适应性: 芯片可能会考虑外部环境因素,如温度和湿度,以自动调整LED的电流输出,以适应不同的工作环境。
总的来说,高可靠性高压线性恒功率芯片的原理涉及电压转换、恒功率控制、温度管理、?;すδ芎头蠢】刂频燃际?,旨在确保LED光源在各种条件下保持稳定、可靠的性能。这些技术共同作用,使LED照明系统能够在长时间运行中提供一致的照明效果。
投光灯高可靠性高压线性恒功率芯片特点
投光灯(也称为洗墙灯或泛光灯)通常需要稳定的亮度和高可靠性,尤其在户外、夜间照明、景观照明等场景下。以下是投光灯高可靠性高压线性恒功率芯片可能具备的特点:

稳定的光输出: 高可靠性芯片可以确保在不同电压和温度条件下提供稳定的光输出,使投光灯在长时间运行中保持一致的亮度。
温度管理: 投光灯常暴露在室外环境,容易受到温度变化的影响。高可靠性芯片可能包含温度传感器,并能自动调整电流输出,以避免过热。
多重?;すδ埽? 这些芯片通常会集成多种?;すδ?,如过电流保护、过温?;ぁ⒍搪繁;ず凸贡;さ?。这可以确保在异常情况下及时切断电源,避免灯具受损。
防水和耐腐蚀设计: 投光灯经常暴露在恶劣的气候条件下,需要具备防水和耐腐蚀的设计,以确保长期可靠性。
长寿命设计: 高可靠性芯片的设计通??悸橇顺な倜?,采用高品质的元件和材料,以减少灯具的维护需求。
远程监控和控制: 一些投光灯系统可能需要远程监控和控制,高可靠性芯片可以与智能系统集成,实现远程调节和故障检测。
耐振动和抗冲击性能: 芯片和灯具可能需要在振动或冲击环境下工作,高可靠性设计可以确保在这些条件下稳定工作。
EMC兼容性: 考虑到投光灯通常安装在不同环境中,高可靠性芯片应具备电磁兼容性,以减少对周围电子设备的干扰。
可编程性: 一些投光灯系统需要根据不同场景调整亮度和颜色,高可靠性芯片可能具备可编程性,以满足不同的照明需求。
总的来说,投光灯高可靠性高压线性恒功率芯片的特点主要包括稳定的光输出、温度管理、?;すδ?、长寿命设计、防水耐腐蚀、远程监控和控制等。这些特点可以确保投光灯在各种条件下都能提供稳定、可靠的照明效果,满足户外照明的要求。
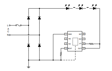
高可靠性高压线性恒功率芯片SM2251KDS介绍
SM2251KDS是一款应用于球泡灯、投光灯、工矿灯等设备中的单段恒功率LED线性恒流控制芯片。外围可通过调节REXT电阻值对输出电流进行调节。同时芯片集成了输入线电压补偿功能,在输入线电压过高时,将按照外置的补偿电阻减小输出电流,保证输入功率基本不随线电压变化。
高可靠性高压线性恒功率芯片系列SM2251KDS特征
支持输入电压: 120Vac/220Vac
支持高PF方案: PF>0.9
支持低PF方案: PF>0.5,无频闪
芯片间输出电流偏差<土5%
内部集成700V高压MOS管,无需任何保护件可通过700V雷击
无需磁性元器件可满足EMI应用
具有过温调节功能
具有恒功率调节功能
封装形式:ESOP8
高可靠性高压线性恒功率芯片SM2251KDS应用领域
LED 日光灯管 T5/T8
LED 球泡灯
投光灯
工矿灯
灯具类 LED 照明
高可靠性高压线性恒功率芯片SM2251KDS管脚图

高可靠性高压线性恒功率芯片SM2251KDS应用电路

更多高可靠性高压线性恒功率芯片型号推荐:
| 型号(封装) | 通道数 | 耐压 | 最大输出电流 | 电流波动范围 | 最大输出功率 | 功率因素 | 工作温度 | 应用领域 | 特征 |
| SM2251KDS(ESOP8 ) | 1 | 700V | 115mA | ±5% | 10W | >0.7 | 135℃ | 球泡灯、投光灯、工矿灯 | 高可靠性 |
| SM2251EKD(ESOP8 ) | 1 | 700V | 95mA | ±5% | 10W | >0.7 | 135℃ | 球泡灯、投光灯、工矿灯 | 高可靠性 |
| SM2251EKG(ESOP8 ) | 1 | 700V | 95mA | ±5% | 10W | >0.7 | 145℃ | 球泡灯、投光灯、工矿灯 | 高可靠性 |
| SM2251NH(ESOP8 ) | 1 | 700V | 115mA | ±5% | 12W | >0.7 | 145℃ | 球泡灯、投光灯、工矿灯 | 高可靠性 |




