51茶楼论坛网,万花楼qm论坛,苏州花千坊品茶论坛,凤凰楼信息免费茶楼

YX805F 太阳能LED草坪灯芯片海报图片

行业资讯

关注IC芯片行业资讯,掌握最新IC芯片行业前沿技术,国内外IC品牌新品上市,IC新品应用研发方案。

  什么是LED光源高压线性恒功率芯片

  LED光源高压线性恒功率芯片是一种电子元件,专门设计用于控制LED(发光二极管)光源的电流和功率,以确保LED在不同电压输入情况下能够保持稳定的亮度和效能。这种芯片采用了先进的电路设计和控制技术,旨在解决LED照明中的一些常见问题,如电压波动、亮度不均匀以及功率波动等。

  以下是LED光源高压线性恒功率芯片的主要功能和特点:

  恒功率输出: 这种芯片能够根据输入电压的变化,自动调整输出电流,以保持恒定的输出功率。无论输入电压高低,LED光源都能提供相对稳定的亮度,实现一致的照明效果。

  电流调节和控制: 芯片内部包含电流调节和控制电路,可确保LED工作在最佳电流范围内。这有助于提高LED的寿命、稳定性和发光效率。

  电压适应性: 高压线性恒功率芯片通常具有宽电压输入范围,可以适应不同的电源电压。这使其在各种电网条件下都能正常工作。

  热管理: 一些芯片还集成了温度监测和?;すδ?,以避免过热情况发生。如果温度升高到危险水平,芯片会自动降低电流或关闭LED,以防止损坏。

  保护功能: 芯片通常包含过电流?;ぁ⒐贡;ず投搪繁;さ裙δ?,确保LED光源在不安全的电路条件下能够安全运行。

  节能和环保: 由于恒功率设计和高效控制,LED光源高压线性恒功率芯片可以实现更高的能源利用率,减少能源浪费,从而对环境更加友好。

  应用广泛: 这种芯片适用于各种LED照明应用,包括户外照明、室内照明、广告牌、路灯等领域。

  总的来说,LED光源高压线性恒功率芯片在LED照明系统中起着关键作用,通过提供稳定的电流和功率控制,可以改善LED光源的性能、寿命和可靠性。

  LED光源高压线性恒功率芯片用途

  LED光源高压线性恒功率芯片在LED照明和应用中有广泛的用途。以下是一些常见的应用场景:

  室内照明: 这种芯片可用于室内照明系统,如LED灯具、筒灯、射灯等。它们可以确保LED光源在不同输入电压下提供稳定的亮度,创造出一致舒适的照明效果。

  户外照明: 高压线性恒功率芯片也适用于户外照明,如路灯、景观照明、夜间照明等。在不稳定的电网条件下,芯片可以保持LED的恒定亮度,提供高质量的照明。

  商业照明: 商业和零售场所,如商场、办公楼和餐厅,通常需要稳定的照明效果。这种芯片可以确保LED光源的亮度和颜色保持一致,创造出令人愉悦的购物或工作环境。

  广告牌和标志: 高压线性恒功率芯片适用于需要长时间运行的LED广告牌和标志。它们可以保持广告内容的清晰可见,不受电压波动的影响。

  道路照明: 用于城市道路、高速公路和隧道的LED路灯需要稳定的亮度,以确保行车安全。这种芯片可以确保LED路灯在不同电压条件下提供一致的照明效果。

  工业照明: 工业环境中的照明要求通常比较严苛,需要稳定的光输出。这种芯片可用于工厂、仓库和生产线的照明,提供可靠的照明解决方案。

  医疗设备: 在医疗设备中,如手术室照明和医疗成像系统,需要准确的光输出和稳定性。高压线性恒功率芯片可以确保LED在医疗环境中的可靠性和一致性。

  总的来说,LED光源高压线性恒功率芯片适用于需要稳定、高效和可靠照明的各种应用领域。它们有助于提高LED光源的性能和寿命,同时降低能源成本和维护成本。

  高压线性恒功率芯片型号SM2091EKG介绍

  SM2091EKG是一款单通道高精度LED线性恒流控制芯片,芯片使用本司专利的恒流控制技术,可通过外部电阻精确的设定LED电流。 芯片集成输入线电压补偿功能,在额定输入电压范围内,通过外置电阻调节输出电流大小,维持输入功率恒定。

  高压线性恒功率芯片型号SM2091EKG特征

  aOUT端门输出电流外置可调,最大电流可达90m4

  b)芯片间输出电流偏差<土4%

  输入电压: 120Vac/220Vag

  高PF方案: PF>0.9

  低PF方案: PF>0.5,无频闪

  输入线电压补偿

  具有过温调节功能

  芯片可与LED共用PCB板

  封装形式:ESOP8

  高压线性恒功率芯片型号SM2091EKG的应用领域

  LED 球泡灯,筒灯

  LED 光源

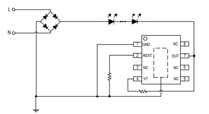
  高压线性恒功率芯片型号SM2091EKG管脚图

高压线性恒功率芯片型号SM2091EKG管脚图

  高压线性恒功率芯片型号SM2091EKG应用电路图

高压线性恒功率芯片型号SM2091EKG应用电路图

  更多热门高压线性恒功率芯片型号型号推荐

型号(封装)通道数耐压最大输出电流电流波动范围最大输出功率功率因素工作温度应用领域特征
SM2091EKG(ESOP8 1 500V 90mA ±4%10W0.5145球泡灯、筒灯、LED光源单段恒功率
SM2092E(ESOP81 500V 100mA±4%10W0.5145球泡灯、筒灯、LED光源单段恒功率



有用 (478)

评论列表 共有 0 条评论

暂无评论