五段低THD新ERP(户外)高压线性恒功率芯片是一种电子器件,它具有以下特点:
五段:表示该芯片可以分成五个不同的阶段,这有助于实现不同的功能或处理不同的信号。
低THD:表示该芯片的谐波失真(THD,Total Harmonic Distortion)较低。谐波失真是指输出信号的谐波成分相对于输入信号的强度。低THD意味着输出信号的谐波成分较低,因此信号的质量更高。
新ERP:这可能指的是该芯片的一种特定规格或类型。具体含义需要查阅相关技术文档或联系制造商获取详细信息。
高压线性:表示该芯片能够在较高的电压下实现线性操作。线性操作是指输出信号与输入信号之间呈线性关系,这有助于确保信号的保真度和稳定性。

恒功率芯片:表示该芯片能够保持恒定的功率输出。这有助于确保设备在运行过程中保持稳定的性能。
综上所述,五段低THD新ERP(户外)高压线性恒功率芯片是一种专门设计用于户外环境的电子器件,具有低谐波失真、高压线性操作和恒定功率输出的特点,可能用于处理多种信号或实现特定功能。请注意,具体应用和功能可能因产品型号和制造商而异,建议咨询相关制造商或技术文档以获取详细信息。
五段低THD新ERP(户外)高压线性恒功率芯片特点
五段低THD新ERP(户外)高压线性恒功率芯片的主要特点包括:
五段设计:这种芯片通常被设计为五个不同的阶段,这使得它们能够实现不同的功能或处理不同的信号。具体来说,这五个阶段可以包括放大、滤波、缓冲、驱动或功率放大等。
低THD:该特性表示这种芯片具有较低的谐波失真(THD,Total Harmonic Distortion)。谐波失真是指输出信号的谐波成分相对于输入信号的强度。低THD意味着输出信号的谐波成分较低,因此信号的质量更高,保真度更好。
新ERP:这个特性可能指的是该芯片的一种特定规格或类型。具体含义需要查阅相关技术文档或联系制造商获取详细信息。
高压线性:这意味着这种芯片能够在较高的电压下实现线性操作。线性操作是指输出信号与输入信号之间呈线性关系,这有助于确保信号的保真度和稳定性。
恒功率输出:这个特性表示该芯片能够保持恒定的功率输出。这有助于确保设备在运行过程中保持稳定的性能,避免因功率波动引起的设备故障或性能下降。
此外,根据应用需求和产品设计的不同,五段低THD新ERP(户外)高压线性恒功率芯片可能还具有其他特定特点。例如,它们可能具有较高的耐候性能,能够在恶劣的户外环境中稳定工作;或者它们可能具有较宽的工作电压范围,能够适应不同的电源条件。具体特点需要参考产品规格书或联系制造商获取详细信息。
五段低THD新ERP(户外)高压线性恒功率芯片作用
五段低THD新ERP(户外)高压线性恒功率芯片的作用主要是为户外设备提供稳定、高效的功率输出。这种芯片的设计特点使其在恶劣的户外环境中表现出良好的性能。
具体来说,五段设计使得这种芯片能够实现多种功能,例如放大、滤波、缓冲、驱动或功率放大等,从而满足不同设备的需求。低THD特性保证了信号的保真度和质量,避免了谐波失真对设备性能的影响。高压线性操作使得芯片能够在较高的电压下实现线性响应,提高了设备的稳定性和性能。而恒功率输出特性则确保了设备在运行过程中的性能稳定,避免了因功率波动引起的设备故障或性能下降。
此外,这种芯片可能还具有其他特定特点,例如较高的耐候性能,能够在恶劣的户外环境中稳定工作;或者较宽的工作电压范围,能够适应不同的电源条件。这些特点使得五段低THD新ERP(户外)高压线性恒功率芯片成为许多户外设备应用的理想选择。
五段低THD新ERP(户外)高压线性恒功率芯片SM2255EKG型号介绍
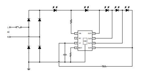
SM2255EKG是一款应用于 球泡灯、投光灯、工矿灯的五段低THD、高功率因数LED线性恒流控制芯片,芯片集成了700V高压MOSFET,采用独特创新的器件工艺技术,具有优越的抗雪崩击穿及浪涌能力,在外围无保护器件时可通过600V雷击浪涌测试,内置过温保护功能,提升系统应用可靠性。外围可通过调节REXT电阻值对输出电流进行调节。同时SM2255EKG集成了输入线电压补偿功能,在输入线电压过高时,SM2255EKG将通过外置的补偿电阻,减小输出电流,保证输入功率基本不随线电压变化。
五段低THD新ERP(户外)高压线性恒功率芯片SM2255EKG特征:
支持输入电压: 120Vac/220Vag
芯片间输出电流偏差<土5%
700V高压MOS管,无需任何保护器件可通过600V雷击
PF>0.95,THD-10%
可满足分次谐波IEC61000-3-2(C级
无需磁性元器件可满足EMI应用
具有过温调节功能
封装形式:ESOP8
五段低THD新ERP(户外)高压线性恒功率芯片SM2255EKG应用领域:
投光灯
工矿灯
灯具类 LED 照明
五段低THD新ERP(户外)高压线性恒功率芯片SM2255EKG管脚图:

五段低THD新ERP(户外)高压线性恒功率芯片SM2255EKG应用电路图:

更多五段低THD新ERP(户外)高压线性恒功率芯片推荐:
| 型号(封装) | 通道数 | 耐压 | 最大输出电流 | 电流波动范围 | 最大输出功率 | 功率因素 | 工作温度 | 应用领域 | 特征 |
| SM2255EKG(ESOP8 ) | 5 | 700V | 50mA/65mA/80mA /100mA/115mA | ±5% | 10W | >0.9 | 145℃ | 球泡灯、投光灯、工矿灯 | 低THD 新ERP(户外) |
| SM2255PHG(ESOP8 ) | 5 | 700V | 50mA/65mA/80mA /100mA/115mA | ±5% | 15W | >0.9 | 145℃ | 球泡灯、投光灯、工矿灯 | 低THD 新ERP(户外) |




