51茶楼论坛网,万花楼qm论坛,苏州花千坊品茶论坛,凤凰楼信息免费茶楼

YX805F 太阳能LED草坪灯芯片海报图片

行业资讯

关注IC芯片行业资讯,掌握最新IC芯片行业前沿技术,国内外IC品牌新品上市,IC新品应用研发方案。

  工矿灯通常需要高效稳定的照明解决方案,而低谐波失真(THD)和高压线性恒功率芯片是实现这一目标的关键要素。以下是工矿灯低THD高压线性恒功率芯片的特点:

  低谐波失真(THD):THD是电力系统中非线性负载引起的电压和电流波形的畸变程度的度量。在工矿灯应用中,低THD非常重要,因为高THD会导致电网中的电压波动,可能对其他设备造成干扰,影响电力质量。采用低THD的芯片可以减少电网中的谐波污染,提高电力系统的稳定性。

  高压线性恒功率:工矿灯通常需要保持稳定的功率输出,以确保照明效果的一致性和稳定性。高压线性恒功率芯片能够在不同输入电压范围内保持恒定的功率输出,即使输入电压波动,也能保证照明亮度的稳定性。

  高效性能:这些芯片通常具有高效的能源转换特性,能够将输入电能有效地转化为照明输出,减少能源浪费。高效性能还可以减少芯片内部的能量损耗,降低温度升高,提高长期稳定性和可靠性。

  多重保护机制:工矿灯应用通常面临各种环境条件和电气干扰,因此芯片需要配备多重?;せ?,以确保其在恶劣条件下的可靠运行。这些保护机制可能包括过压?;ぁ⒐鞅;?、过温?;さ?,以防止芯片过载或损坏。

  简化设计:高压线性恒功率芯片可以在工矿灯的设计中简化电路结构,减少外部元件的数量,从而降低成本和故障率。

  总的来说,低THD和高压线性恒功率芯片在工矿灯应用中能够提供稳定、高效、可靠的照明解决方案,有助于提高照明质量并减少电力系统的干扰。

  工矿灯低THD高压线性恒功率芯片原理是怎样的

  工矿灯低THD高压线性恒功率芯片的原理主要是基于功率电子变换技术。该芯片采用高压线性恒功率控制策略,通过调节输入电流的波形,实现恒定的功率输出。这样能够保证灯具稳定运行,并且延长灯具的寿命。

  具体来说,该芯片内部包含一个电压采样电路,用于监测输入电压的波形和大小。根据输入电压的采样结果,芯片内部的控制电路会相应地调整输入电流的波形,使其与输入电压成线性关系。这样就能够保证灯具接收的功率保持恒定,从而确保灯具稳定运行。

  另外,该芯片还采用了一些技术手段来降低THD(总谐波失真),减少对电网的污染。例如,芯片内部的控制电路会对输入电流的波形进行整形和调整,使其接近于正弦波。这样就能够有效地降低THD,符合环保要求。

  总之,工矿灯低THD高压线性恒功率芯片的原理主要是通过功率电子变换技术和一些技术手段,实现恒定的功率输出和降低THD,保证灯具稳定运行并延长其寿命。

  工矿灯低THD高压线性恒功率芯片作用有哪些?

  工矿灯低THD(谐波失真)、高压线性恒功率芯片在照明应用中发挥着重要的作用,具有多方面的功能和优势:

  提高电力质量: 低THD芯片能够减少电力系统中的谐波污染,防止电压和电流波形的畸变,从而提高电力质量。这有助于防止电网中其他设备的故障或干扰,确保电力系统的稳定性和可靠性。

  稳定的照明效果: 高压线性恒功率芯片可以在不同输入电压范围内保持稳定的功率输出,即使电网电压波动也能确保照明亮度的一致性和稳定性。这有助于提供舒适和可靠的照明体验。

  节能高效: 高压线性恒功率芯片具有高效的能源转换特性,能够有效地将输入电能转化为照明输出,减少能源浪费。这有助于降低照明系统的运行成本,并减少对环境的负面影响。

  延长设备寿命: 低THD芯片降低了电力系统中的谐波和电压波动,有助于减少照明设备的损耗和磨损,从而延长其寿命。

  可靠性和稳定性: 这些芯片通常配备多重?;せ疲绻贡;?、过流?;?、过温保护等,以确保照明系统在不同环境条件下的稳定运行。这有助于减少故障率,提高设备的可靠性。

  简化设计和成本降低: 高压线性恒功率芯片可以简化工矿灯的电路设计,减少外部元件的数量,从而降低成本、提高生产效率,并减少故障点。

  符合标准和法规: 低THD和高压线性恒功率芯片有助于满足电力系统的标准和法规要求,确保照明系统在合规性方面的达标。

  综上所述,工矿灯低THD和高压线性恒功率芯片在提高电力质量、照明效果、节能和可靠性等方面发挥着关键作用,为工矿照明提供了高效稳定的解决方案。

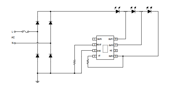
  低THD高压线性恒功率芯片SM2253EKD介绍

  SM2253EKD是一款应用于球泡灯、投光灯、工矿灯等灯具三段高功率因数LED线性恒流控制芯片,芯片集成了700V高压MOSFET,采用独特创新的器件工艺技术,具有优越的抗雪崩击穿及浪涌能力,在外围无?;て骷笨赏ü?50V雷击浪涌测试,内置过温保护功能,提升系统应用可靠性。

  低THD高压线性恒功率芯片SM2253EKD特征

  支持输入电压: 120Vac/220Vac

  芯片间输出电流偏差<土5%

  700V高压MOS管,无需任何?;て骷赏ü?50V雷击

  多芯片并联应用无需OR跳线电阻

  多灯并联无震荡

  PF>0.95,THD20%

  扩展应用可满足分次谐波IEC61000-3-2(C级

  无需碳性元器件可满足EMI应用

  具有过温调节功能

  具有恒功率调节功能

  封装形式:ESOP8

  低THD高压线性恒功率芯片SM2253EKD应用领域

  投光灯

  工矿灯

  灯具类 LED 照明

  低THD高压线性恒功率芯片SM2253EKD管脚图

  低THD高压线性恒功率芯片SM2253EKD应用电路图

  更多低THD高压线性恒功率芯片型号推荐:

型号(封装)通道数耐压最大输出电流电流波动范围最大输出功率功率因素工作温度应用领域特征
SM2253EKD(ESOP8)3 700V 65mA/72mA /95mA ±5%10W0.9 135球泡灯、投光灯、工矿灯THD
SM2253EKG(ESOP8)3 700V 65mA/72mA /95mA ±5%10W0.9 145球泡灯、投光灯、工矿灯THD
SM2254EKG(ESOP8)4700V 100mA/70mA /100mA/90mA ±5%10W0.9 145球泡灯、投光灯、工矿灯THD



有用 (461)

评论列表 共有 0 条评论

暂无评论