高压线性双段恒功率芯片是一种集成电路,专门用于实现高压输出电源的稳定。它具有两个关键特点:高压输出和恒功率输出。高压输出意味着芯片能够提供高电压输出,满足一些特殊设备的需求;而恒功率输出则代表着芯片能够根据负载的变化,自动调整输出电流来保持相同的功率输出。这种设计保证了设备在电源波动或负载变化时的稳定性,为电子设备的稳定工作提供了可靠的能源支持。

除了这些基本特点之外,高压线性双段恒功率芯片还具备许多其他优点。首先是高效性能。这种芯片采用了先进的电路设计和优质的材料,使得其能够提供高效的电能转换效率。这不仅能够有效地节约能源,降低电子设备在使用过程中的损耗,还可以延长设备的使用寿命。其次是稳定的温度特性。由于高压线性双段恒功率芯片具备良好的温度稳定性,可以在广泛的温度范围内正常运行,适用于各种复杂环境下的设备。此外,该芯片还具备超低的噪声和精确的电流控制能力,能够为电子设备提供高质量的电源输出。
在电子技术领域的应用中,高压线性双段恒功率芯片有着广泛的用途。首先是在医疗设备中的应用。医疗设备往往对电源稳定性和输出精确度要求非常高,高压线性双段恒功率芯片能够提供可靠的高压输出和稳定的恒定功率,满足医疗设备对电源的严格要求。其次是在工业自动化领域的应用。工业自动化设备通常需要高功率和高电压输出,以满足工艺流程的需求。高压线性双段恒功率芯片正是能够提供这样的高性能输出,有效支持工业自动化的发展。此外,该芯片还可以在航空航天、通信设备等领域中得到广泛应用。
高压线性双段恒功率芯片以其丰富的特点和广泛的应用领域逐渐引领电子技术的新风潮。其高压输出和恒功率输出特性,使其成为电子设备中不可或缺的核心组件。该芯片的高效性能、稳定温度特性和精确电流控制能力,让它能够满足各种复杂工作环境下的要求。
高压线性双段恒功率芯片SM2096E介绍:
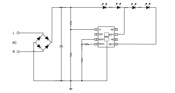
高压线性双段恒功率芯片SM2096E是一款应用于 球泡灯、筒灯、LED光源的双通道递进式 LED 线性恒流控制芯片,芯片使用本司专利的恒流控制技术,可通过外部电阻精确的设定 LED 电流。芯片集成输入线网电压补偿功能,在额定输入电压范围内,通过外置电阻调节输出电流大小,维持输入功率恒定芯片具有过温调节功能,提升系统应用可靠性。系统结构简单,外围元件少,方案成本低。
高压线性双段恒功率芯片SM2096E特征:
a)0UT1、OUT2端口输出电流外置可调,最大电流可达120mA
b)芯片间输出电流偏差<土5%
输入电压: 120Vac/220Vac
双通道递进式恒流方式
适应较宽的输入电压范围士20%
高压线性双段恒功率芯片SM2096E应用领域:
LED 吸顶灯,球泡灯,筒灯
LED 光源等
高压线性双段恒功率芯片SM2096E管脚图:

高压线性双段恒功率芯片SM2096E应用电路图:

热门高压线性双段恒功率芯片推荐:
| 型号(封装) | 通道数 | 耐压 | 最大输出电流 | 电流波动范围 | 最大输出功率 | 功率因素 | 工作温度 | 应用领域 | 特征 |
| SM2096E(ESOP8) | 2 | 500V | 120mA/120mA | ±5% | 12W | >0.5 | 145℃ | 球泡灯、筒灯、LED光源 | 双段恒功率 |




