高压线性恒流LED恒流驱动芯片是用于LED球泡灯等照明应用的电路控制芯片。这些芯片的主要功能是确保LED的电流保持恒定,以保证LED的亮度和颜色稳定,同时可以适应高压输入电源。

高压线性恒流LED恒流驱动芯片原理
高压线性恒流LED恒流驱动芯片的工作原理是通过线性电流调节来确保连接的LED(Light Emitting Diode)灯泡中的电流保持恒定。这种类型的芯片通常用于高压输入电源下,以驱动LED灯泡或其他照明设备。
以下是高压线性恒流LED恒流驱动芯片的工作原理的概述:
高压输入: 这些芯片通常设计用于适应高压输入电源,通常在100V至300V的范围内。高压输入通常来自交流电源,例如家庭电源或工业电源。
线性电流调节: 高压线性恒流LED驱动芯片的核心功能是通过线性电流调节来确保LED中的电流保持恒定。线性调节意味着芯片会根据LED的电压特性动态调整电路中的电压,以维持所需的电流水平。
电流传感器: 芯片通常集成了电流传感器或电流反馈回路,用于监测LED电流的实际值。传感器可以检测到电流的变化并反馈给芯片。
设定电流值: 用户可以通过外部电阻或设置电路来设定所需的电流值。这是用户决定LED的亮度级别的关键参数。
电流比较和反馈控制: 芯片会将监测到的LED电流与设定电流值进行比较。如果监测到的电流低于设定电流值,芯片会增加电路中的电压,以增加电流。反之亦然,如果电流过高,芯片将降低电路中的电压。
稳定性和精确度: 芯片的目标是保持电流恒定,以确保LED的亮度和颜色保持稳定。这需要高精度的电流控制电路。
温度管理: 一些芯片具有温度监测和管理功能,以防止LED过热。如果LED温度升高,芯片可以降低电流以降低热量产生。
?;すδ埽?这些芯片通常具有多种?;すδ?,如过电流?;?、过压保护和过温?;?,以确保LED和电路的安全运行。
通过这些原理,高压线性恒流LED恒流驱动芯片能够确保LED在高压输入条件下获得恒定的电流,从而提供稳定的照明效果。这些芯片在LED灯泡和其他高压照明设备中起着关键作用,确保LED在不同工作条件下表现出一致的亮度和颜色。
高压线性恒流LED恒流驱动芯片应用
高压线性恒流LED恒流驱动芯片在多种照明和照明控制应用中发挥着关键作用,特别适用于需要高压输入电源的场合。以下是一些主要应用领域:
LED灯泡: 这是最常见的应用之一。高压线性恒流LED恒流驱动芯片用于驱动家庭和商业用途的LED灯泡。它们确保LED灯泡在高压电源下提供稳定的亮度和颜色。
户外照明: 这些芯片也适用于户外照明应用,如街灯、路灯、景观照明和广告牌照明。高压输入电源通常用于户外环境,这些芯片能够提供高效且可靠的照明解决方案。
工业照明: 工厂、仓库和生产设施通常需要高亮度和长寿命的照明。高压线性恒流LED驱动芯片可用于工业照明,以提供高效能源管理。
商业照明: 商业建筑、办公楼、商场和酒店等地方需要各种类型的照明,这些芯片可以提供可定制的照明解决方案,以满足不同的商业需求。
医疗照明: 在医院、手术室和诊所中,高亮度、低能耗的照明是必需的。这些芯片可用于医疗照明设备,如检查灯和手术室灯。
舞台和演出照明: 舞台照明和演出照明要求高度可控制的亮度和颜色。这些芯片可以用于灯具和效果照明,以实现精确的控制。
特殊照明效果: 高压线性恒流LED驱动芯片还可用于特殊效果,如博物馆展品照明、装饰性照明和艺术品照明。
太阳能LED照明: 在没有稳定电源的地方,如太阳能灯和太阳能照明系统,这些芯片可以确保LED在充电期间获得恒定的电流。
高压线性恒流LED恒流驱动芯片在各种应用中提供了高效、可靠和节能的照明解决方案。它们适用于室内和室外照明、商业和工业照明、特殊效果和太阳能照明等多种场合。这些芯片的设计旨在确保LED的亮度和颜色稳定,提供一致的照明效果。
球泡灯高压线性恒流LED恒流驱动芯片推荐型号SM2235EGH 介绍:
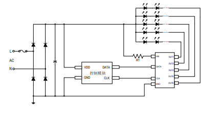
SM2235EGH是一款五通道智能调光LED线性恒流控制芯片,适用于驱动小功率LED灯具。 SM2235EGH具备5个独立高压输出端口,芯片内部集成DA 功能,具备IIC协议输入端口,可接收MCU输出的控制信号调整每个端口的电流变化,输出电流无频闪。 SM2235EGH的每个OUT端口能产生1024级的电流灰度变化并驱动LED灯的亮灭,实现智能调光。
球泡灯高压线性恒流LED恒流驱动芯片推荐型号SM2235EGH 特征
本司专利的智能调光控制技术
OUT1、OUT2、OUT3 端口最大电流可达
64mA,耐压 500V
OUT4、OUT5 端口最大电流可达 80mA,耐
压 500V
5个 OUT 端口可同时开启
芯片间输出电流偏差<+4%
输入电压: 120Vac/220Vac
集成高压启动供电
类 IIC 协议信号输入
待机电流<80uA
最大电流增益 bit 位可调整
单通道独立 1024 级灰度,输出无频闪
最大电流程序设定,无需外置 REXT 电阻
具有过温调节功能
支持蓝牙、WIFI、2.4G、zigbee 等智能模块
封装形式: ESOP8
高压线性恒流LED恒流驱动芯片推荐型号SM2235EGH 应用领域:
LED 球泡灯
LED 筒灯、LED 吸顶灯
其它 LED 照明
高压线性恒流LED恒流驱动芯片推荐型号SM2235EGH 管脚图

高压线性恒流LED恒流驱动芯片推荐型号SM2235EGH应用电路图

更多热门用于球泡灯的高压线性恒流LED恒流驱动芯片型号推荐:
| 型号 | 描述 | 封装形式 |
| SM2235EGH | 五通道IIC TO 模拟高压线性恒流 | ESOP8 |
| SM2235EGW | 五通道IIC TO PWM+模拟高压线性恒流 | ESOP8 |
| SM2335EGH | 五通道IIC TO 模拟高压线性恒流 | ESOP8 |
| SM2185N | 五通道IIC TO 模拟高压线性恒流 | QFN12 |




