智能???人体感应LED恒流驱动芯片是一种集成电路(IC),具有结合智能遥控和人体感应技术的功能,用于控制LED照明系统。这些芯片允许用户通过??仄骰蚱渌悄芸刂品绞嚼吹鹘贚ED的亮度、颜色和工作模式,并且能够通过感应人体运动来实现自动点亮和熄灭LED照明。

以下是这种类型的LED恒流驱动芯片的一些常见特点和功能:
智能??毓δ埽?用户可以使用??仄骰蚱渌悄芸刂谱爸美纯刂芁ED的开关、亮度、颜色和模式,实现远程和方便的照明控制。
人体感应功能: 芯片内置人体红外感应传感器,可以检测到周围环境中的人体活动。当有人接近时,LED照明系统会自动点亮,以提供照明。
恒流输出: 这些芯片具有恒流输出特性,确保LED的电流保持恒定,以确保LED的亮度和颜色稳定。
可调亮度和颜色: 用户可以调整LED的亮度和颜色,以满足不同的照明需求和个人喜好。
延时控制: 用户可以设置LED点亮后保持的时间长度,以适应特定的应用场景,例如门廊照明或走廊照明。
光敏控制: 一些芯片支持根据环境光强度调整LED的亮度,以实现更智能的照明控制。
省电模式: 当没有检测到人体活动时,芯片可以切换到省电模式,降低LED照明系统的功耗,节省能源。
多通道控制: 一些芯片支持多个LED通道,可以独立控制不同颜色的LED,以实现彩色照明效果。
远程控制: 支持??毓δ?,用户可以通过??仄骰蛑悄苁只τ贸绦蛟冻炭刂芁ED照明系统,无论身在何处。
安全和保护功能: 芯片通常具有多种?;すδ埽绻鞅;?、过压?;ず投搪繁;ぃ匀繁ED照明系统的安全运行。
这些特点和功能使得智能遥控/人体感应LED恒流驱动芯片非常适用于需要智能、自动化和便捷控制的照明应用,如室内和室外照明、走廊照明、安全照明、夜间照明和智能家居系统。它们可以提供高度个性化的照明体验,帮助用户降低能源消耗并提高照明效率。
智能???人体感应LED恒流驱动芯片应用领域
智能???人体感应LED恒流驱动芯片在多个应用领域中发挥着重要作用,其智能控制和人体感应功能使其适用于各种照明和控制需求。以下是一些主要的应用领域:
室内照明: 这种芯片可以用于室内照明系统,例如家庭照明、办公室照明、商业建筑照明等。它们可以根据人体活动自动点亮和调整亮度,提高能源效率并提供更智能的照明。
室外照明: 智能???人体感应LED恒流驱动芯片适用于室外照明,如路灯、庭院照明和公共场所照明。通过人体感应和远程控制,可以实现更智能和节能的室外照明系统。
夜间照明: 这些芯片可以用于夜间照明,如夜间床头灯、夜灯、走廊照明等。它们可以在检测到人体接近时自动点亮,并在一段时间后自动关闭,提供安全性和方便性。
安全照明: 在安全照明应用中,智能遥控/人体感应LED恒流驱动芯片可以用于监控系统、紧急出口标志、安全通道照明等,以确保在需要时提供照明。
商业照明: 商业建筑、酒店、商场和餐厅等场所可以受益于这些芯片的使用,以提供智能控制、定制照明效果和节能。
智能家居: 这种芯片也广泛用于智能家居系统中,可以与智能助手(如Amazon Alexa、Google Assistant)集成,使用户能够通过语音控制来调整照明。
走廊和楼梯照明: 在走廊和楼梯上,人体感应功能可以用来在检测到人体运动时点亮LED照明,提供足够的照明,同时在没有活动时降低亮度以节省能源。
医疗设施: 在医院和医疗设施中,这些芯片可以用于病房照明、手术室照明和走廊照明,以确保合适的照明条件并提高能源效率。
智能遥控/人体感应LED恒流驱动芯片的应用领域非常广泛,它们提供了高度可定制的照明解决方案,既方便又节能。这些芯片可以提高照明系统的智能性和能源效率,满足不同场所和需求的照明要求。
智能???人体感应LED恒流驱动芯片SM2083EGL介绍
SM2083EGL是一款单通道可调光LED线性恒流控制芯片。芯片使用本司专利的恒流设定和控制技术,输出电流由外接Rext电阻设置,最大电流可达 120mA,且输出电流不随芯片OUT端口电压而变化。
智能???人体感应LED恒流驱动芯片SM2083EGL特征
本司专利的恒流控制技术
a)OUT端口输出电流外置可调,最大电流可达120mA
b)芯片间输出电流偏差<土5%
输入电压: 120Vac/220Vac
具有PWM调光功能
DIM端口悬空,0UT端口默认关闭
具有过温调节功能
芯片可与LED共用PCB板
线路简单、成本低康
封装形式:ESOP8
LED恒流驱动芯片SM2083EGL应用领域
智能遥控、人体感应、声控、等智
能化控制 LED 照明领域
T5/T8 系列 LED 日光灯管
LED 平板灯
LED 球泡灯,LED 吸顶灯
LED恒流驱动芯片SM2083EGL管脚图:

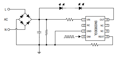
LED恒流驱动芯片SM2083EGL应用电路图

更多热门LED恒流驱动芯片型号推荐
| 型号 | 描述 | 封装形式 |
| SM2083EGL | 单通道PWM调光高压线性恒流 | ESOP8 |
| SM2611EN | 单通道PWM TO 模拟高压线性恒流 | ESOP8 |
| SM15201EH | 单通道PWM调光40V低压线性恒流 | ESOP8 |
| SM15106T | 单通道PWM调光80V低压线性恒流 | TO252-4 |
| SM2123EH/EGL | 双通道PWM调光高压线性恒流 | ESOP8 |
| SM2612EN | 双通道PWM TO 模拟高压线性恒流 | ESOP8 |
| SM2112E | 双通道单线SID TO 模拟高压线性恒流 | ESOP8 |
| SM2232EGH | 双通道IIC TO 模拟高压线性恒流 | ESOP8 |
| SM2182E | 双通道IIC TO 模拟高压线性恒流 | ESOP8 |




