电磁炉通常使用交流电源(AC)来工作,但为了驱动电磁炉中的电磁线圈,需要将交流电源转换为直流电源(DC)。这个过程需要使用一个电源转换芯片,通常是一个开关电源电路,用于将输入的交流电压转换为电磁炉需要的直流电压。
这个电源芯片的主要功能包括:
整流和滤波:从交流电源中整流并去除波动,以获得较平稳的直流电压。
开关调节:通过开关元件(通常是MOSFET或IGBT)来控制电流流向电磁线圈,从而生成磁场。
电流控制:确保电磁线圈中的电流保持在安全和控制范围内,以防止过热或其他故障。
?;すδ埽喊ü缺;?、过载?;ず投搪繁;さ?,以确保电磁炉的安全运行。
这些电源芯片通常是专门设计用于电磁炉的应用,以满足高功率、高效率和高可靠性的要求。这些芯片的具体型号和制造商会根据电磁炉的规格和设计来选择。需要根据具体的电磁炉规格和设计要求来选择合适的电源芯片。

电磁炉非隔离AC-DC 电源芯片特点
非隔离AC-DC电源芯片用于将交流电源转换为直流电源,通常应用于电磁炉等家电设备中。以下是这类电源芯片的一些特点:
高效率:非隔离AC-DC电源芯片通常设计为高效能的电源转换器,以减少能量损失和热量产生。这有助于提高电磁炉的能源利用率,并减少散热需求。
紧凑型设计:这些芯片通常具有紧凑的封装和设计,以适应电磁炉等应用中的有限空间要求。
高功率密度:非隔离AC-DC电源芯片能够提供足够的功率,以满足电磁炉的高功率需求,而不需要大型元件或散热器。
电流控制:它们通常具有电流控制功能,可以稳定地控制输出电流,以确保电磁炉的稳定性和性能。
保护功能:这些芯片通常集成了多种?;すδ?,如过温?;ぁ⒐乇;ぁ⒍搪繁;ず褪淙氲缪共ǘ;ぃ匀繁5绱怕诓涣继跫虏换崴鸹?。
电磁干扰抑制:由于电磁炉工作时会产生电磁干扰,这些芯片通常也会考虑到抑制干扰的设计,以避免对其他设备造成干扰。
可编程性:一些芯片具有可编程特性,可以根据具体应用的需求进行配置和控制。
长寿命和可靠性:这些芯片通常具有高质量的制造和设计,以确保长期的可靠性和稳定性。
需要根据电磁炉的具体要求选择适合的非隔离AC-DC电源芯片,以确保设备的性能和安全性。不同制造商提供各种型号的芯片,因此在选择芯片时需要考虑功率需求、封装类型、保护功能和其他相关因素。
非隔离AC-DC电源芯片在电磁炉中具有广泛的应用,这些应用包括但不限于以下几个方面:
电磁感应加热:电磁炉主要使用电磁感应原理进行加热,这就需要将交流电源转换为高频直流电源,以产生电磁场并加热炉内的铁制锅底。非隔离AC-DC电源芯片用于实现这种电源转换,确保电磁炉在高功率运行时稳定工作。
温度控制:电磁炉需要能够准确控制加热温度,以满足不同烹饪需求。电源芯片通常具有电流和温度控制功能,可以帮助电磁炉实现精确的温度控制。
多档功率控制:电磁炉通常具有多个功率档位,以满足不同烹饪需求。电源芯片可以用于实现这种多档位功率控制,使用户能够选择适合的加热强度。
安全?;ぃ悍歉衾階C-DC电源芯片通常集成了各种保护功能,包括过温度?;ぁ⒐鞅;?、过压保护和短路?;さ龋匀繁5绱怕谝斐G榭鱿峦V构ぷ?,防止火灾和其他危险。
节能和高效率:这些芯片的设计旨在提高电磁炉的能源利用效率,减少能源浪费,从而降低用户的能源成本。
电磁干扰抑制:电磁炉工作时会产生电磁干扰,非隔离电源芯片通常也具有抑制这些干扰的功能,以避免对其他电子设备造成干扰。
总之,非隔离AC-DC电源芯片在电磁炉中起着关键作用,通过将交流电源转换为适合电磁感应加热的直流电源,实现了电磁炉的高效、安全和可控制的操作。这些芯片的性能和特性会根据具体的电磁炉设计和制造要求而有所不同。
非隔离AC-DC电源芯片SM7025介绍:
SM7025是一款高精度非隔离降压恒压控制芯片,适用于85Vac~265Vac全电压范围应用,内部集成650V高压功率管,内置CS电阻,无需外部补偿元件,即可实现优异的线性调整率和负载调整率,外围元件极少,大大的降低了系统的成本,节约了PCB的尺寸。
非隔离AC-DC电源芯片SM7025特点:
输入电压: 85Vac 265Vac
拓扑结构支持:低成本BUCK
采用650V单芯片集成工艺
待机功耗小于60mW220Vac
集成高压启动电路
集成高压功率开关
60KHz固定开关频率
电流模式PWM控制方式
内置抖频技术,提升EMC性能
内置过温、过流、过压、欠压等保护功能
内置软启动
内置智能软驱动技术 (提高EMC性能)
封装形式:S0P8
非隔离AC-DC电源芯片SM7025应用领域:
电磁炉、电饭煲、电压力锅等
小家电产品电源
非隔离AC-DC电源芯片SM7025管脚图:

非隔离AC-DC电源芯片SM7025输出功率表:
| 输入电压 | 85Vac~265Vac | 180Vac~265Vac |
| 最大电流 | 150mA | 200 mA |
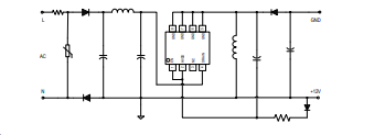
非隔离AC-DC电源芯片SM7025典型应用:
BUCK-BOOST 方案

BUCK 方案





