在现代家庭中,电压力锅已经成为不可或缺的厨房神器。它以高效、快速的烹饪方式,让我们能够在忙碌的生活中轻松享受美食。然而,电压力锅的使用频率和便利性也对电源供应提出了更高的要求。为了满足这一需求,一款12V/18V可选200mA非隔离AC-DC电源芯片SM7055应运而生。

首先,让我们来了解一下这款电源芯片的特点。该芯片具有非隔离的设计,可以在紧凑的空间内实现高效的电源转换。同时,它的输出电流可达200mA,能够满足电压力锅的高功率需求。而12V/18V的可选设计,使得它适用于不同型号的电压力锅,提供了更大的灵活性和选择性。此外,该电源芯片还具有节能环保的特点,有效降低能源消耗,为用户节省开支。
除了高效节能的优势,这款电源芯片还具备多重?;すδ?,确保电压力锅的安全可靠运行。它采用了过载?;?、过温保护和短路?;さ认冉牡缭垂芾砑际?,有效防止电流过大、温度过高和短路等意外情况的发生,保护用户的使用安全。
不仅如此,这款电源芯片还拥有高稳定性和长寿命的特点。它采用了优质的材料和先进的生产工艺,具备低功耗、低温升和抗干扰等优良性能。同时,经过严苛的质量检测和长时间的稳定运行验证,其可靠性和耐用性得到了充分保证。
在使用方面,这款电源芯片的安装和操作非常简便。它采用了标准的接口设计,与电压力锅的电源接口兼容性强,无需额外的困扰和改动。只需按照说明书的指引进行安装,即可轻松使用,省时省力。
电压力锅12V/18V可选200mA非隔离AC-DC电源芯片SM7055是一款高效节能的选择。它不仅满足电压力锅的高功率需求,还拥有多重保护功能、高稳定性和长寿命等优势。无论是为自己的家庭购买电压力锅,还是作为一份贴心的礼物送给亲友,选择这款电源芯片将带来更好的使用体验和节能环保的生活方式。
非隔离AC-DC电源芯片SM7055介绍:
SM7055是一款高精度非隔离降压恒压控制芯片,适用于85Vac~265Vac全电压范围应用,内部集成650V高压功率管,内置CS电阻,无需外部补偿元件,即可实现优异的线性调整率和负载调整率,外围元件极少,大大的降低了系统的成本,节约了PCB的尺寸。
非隔离AC-DC电源芯片 SM7055特点:
输入电压: 85Vac 265Wac
拓扑结构支持:低成本BUCK、BUCK-BOOST等方案
采用650V单芯片集成工艺
待机功耗小于60mM2220Vac
集成高压启动电路
集成高压功率开关
60KHz固定开关频率
电流模式PWM控制方式
内置抖频技术,提升EMC性能
内重过温、过流、过压、欠压等?;すδ?/p>
内置软启动
内置智能软驱动技术 (提高EMC性能)
封装形式: DIP8
非隔离AC-DC电源芯片 SM7055应用领域:
电饭煲、电压力锅等小家电产
品电源
非隔离AC-DC电源芯片 SM7055管脚图:

非隔离AC-DC电源芯片 SM7055输出功率表:
| 输入电压 | 85Vac~265Vac | 180Vac~265Vac |
| 最大电流 | 200mA | 250mA |
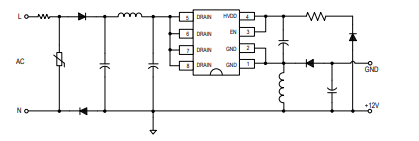
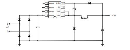
非隔离AC-DC电源芯片 SM7055典型应用:
BUCK-BOOST 方案

BUCK 方案





