充电器和适配器中的副边反馈AC-DC驱动芯片是用于控制和调整输出电压的重要组件。这些芯片通常位于电源供应的次级(副边),负责监测和调整输出电压,以确保它在所需的范围内,并提供对输入电压和负载变化的稳定响应。
以下是有关这些芯片的一些关键信息:
副边反馈:这意味着这些芯片通过采集次级(副边)的信息来进行反馈控制。通常,副边反馈是通过电流或电压来实现的,以便监测输出电压,并根据需要进行调整。
AC-DC驱动:这些芯片是AC-DC电源转换器的关键部分,负责将交流电源转换为直流电源。它们通常采用开关模式电源转换器,以提高效率和稳定性。
功能:这些芯片通常具有多种功能,包括过压保护、过流保护、短路?;?、温度?;さ?,以确保电源供应的安全性和稳定性。
反馈控制:副边反馈AC-DC驱动芯片会不断监测输出电压,并与目标电压进行比较。如果输出电压偏离目标值,芯片将调整开关元件的工作周期,以恢复输出电压至所需水平。
适应性:这些芯片通常设计成适应不同的输入电压范围和负载条件。它们能够在不同的电源输入条件下提供稳定的输出电压。
节能特性:一些先进的AC-DC驱动芯片还具有节能特性,可以动态调整功率,以在负载较轻或不活动时降低能耗。
这些芯片在充电器、适配器、电源供应和其他需要将交流电转换为直流电的设备中广泛使用。它们的性能和特性可能因制造商和型号而异,因此在设计和选择适当的电源供应时,需要仔细查看相关的数据手册和规格表。通过精确控制输出电压,这些芯片有助于确保电子设备获得稳定且符合要求的电源,从而提高了设备的性能和可靠性。

副边反馈AC-DC驱动芯片的原理
副边反馈AC-DC驱动芯片采用了先进的反馈技术,通过对输入信号进行采样和调整,实现对输出信号的精确控制。其工作原理主要包括开关功率电池、副边反馈控制回路和输出滤波等关键部分。通过合理的设计和优化,副边反馈AC-DC驱动芯片能够在各种负载情况下实现高效稳定的电源输出,为各类电子设备的正常运行提供可靠保障。
副边反馈AC-DC驱动芯片的特点
1. 高效能:副边反馈AC-DC驱动芯片采用先进的集成电路设计和高效能的功率转换技术,能够实现高达90%以上的能量转换效率,最大程度地减少能源浪费。
2. 稳定性强:副边反馈AC-DC驱动芯片具备良好的电流/电压稳定性,能够自动调节输出电流,保证电子设备的正常稳定运行。
3. 多种?;せ疲焊北叻蠢C-DC驱动芯片内置多种安全?;せ?,如过流保护、过压?;ず凸卤;さ?,能够有效?;ど璞负偷缭疵馐芩鸷?。
4. 支持多种应用场景:副边反馈AC-DC驱动芯片在各种应用场景中具备广泛适用性,可用于家庭电器、工业自动化设备、通信设备等多个领域。
副边反馈AC-DC驱动芯片品牌
Texas Instruments (TI):TI是一家全球知名的半导体公司,提供广泛的电源管理芯片,包括副边反馈AC-DC驱动芯片。它们的产品广泛应用于各种电子设备。
ON Semiconductor:ON Semiconductor是一家专注于半导体和电子解决方案的公司,提供多种电源管理芯片,包括副边反馈AC-DC驱动芯片,用于各种应用。
Infineon Technologies:Infineon是一家领先的半导体公司,提供多种电源管理和功率转换芯片,包括用于充电器和适配器的副边反馈芯片。
STMicroelectronics:STMicroelectronics是一家知名的半导体制造商,提供广泛的电源管理解决方案,包括用于AC-DC转换的副边反馈芯片。
Fairchild Semiconductor(现在是ON Semiconductor的一部分):Fairchild Semiconductor曾是一家独立的半导体公司,提供了许多电源管理芯片,包括副边反馈AC-DC驱动芯片。
Analog Devices (ADI):ADI是一家领先的模拟和数字信号处理技术公司,提供各种电源管理和驱动芯片,适用于不同类型的电源供应。
Maxim Integrated:Maxim Integrated专注于集成电路解决方案,提供用于电源管理和控制的多种芯片,包括AC-DC驱动芯片。
Microchip Technology:Microchip Technology是一家全球领先的半导体公司,提供多种电源管理和控制解决方案,适用于各种电子设备。
副边反馈AC-DC驱动芯片的应用案例
1. 家庭电器领域:副边反馈AC-DC驱动芯片广泛应用于电视、机顶盒、电冰箱等家用电器产品中,能够为这些设备提供稳定可靠的电源,保证其正常工作。
2. 工业自动化设备:副边反馈AC-DC驱动芯片可用于各类工业自动化设备,如工控机、PLC控制器等,能够为这些设备提供稳定的电源输出,保障设备的正常运行。
3. 通信设备领域:副边反馈AC-DC驱动芯片在通信基站、光纤通信设备等领域得到广泛应用,能够保证这些设备的高效能运行,提升通信网络的稳定性和可靠性。
在总结上述内容后,我们可以得出结论:副边反馈AC-DC驱动芯片作为实现高效能智能电源管理的利器,具备高效能、稳定性强、多种?;せ坪凸惴旱挠τ贸【暗忍氐?。它不仅能为各类电子设备提供可靠的电源保障,还能够提升设备的运行效率和稳定性。相信随着科技的不断进步,副边反馈AC-DC驱动芯片将在更多领域中展现其重要作用。
副边反馈AC-DC驱动芯片SM7012 介绍:
SM7012是采用电流模式PWM控制方式的功率开关芯片,集成高压启动电路和高压功率管,为低成本的开关电源系统提供高性价比的解决方案。 芯片的VDD工作电压范围宽,同时芯片提供了过温、过流、过压、欠压等保护功能,保证了系统的可靠性。
副边反馈AC-DC驱动芯片SM7012 特征:
输入电压: 85Vac 265Vac
待机功耗小于120mWE220Vac
集成高压启动电路
集成高压功率开关
9V~39V宽VDD工作电压
电流模式PWM控制方式
内置过温、过流、过压、欠压锁定等?;すδ?/p>
兼容VIPer12管脚 (不需要修改电路走线及变压器)
封装形式: DIP8、S0P8
副边反馈AC-DC驱动芯片SM7012 应用领域:
典型电磁炉 BUCK 电路应用方案
小功率充电器
小功率适配器
待机电源
DVB 以及其他便携式设备电源
副边反馈AC-DC驱动芯片SM7012 管脚图

副边反馈AC-DC驱动芯片SM7012 输出功率表
| 输入电压 | 85Vac~265Vac | 180Vac~265Vac |
| 输出功率(SOP8) | 5W | 8W |
| 输出功率(DIP8) | 8W | 13W |
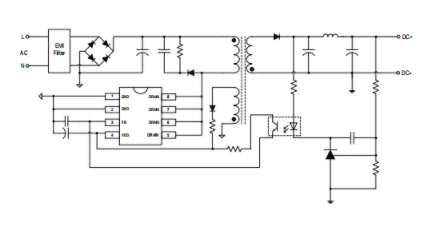
副边反馈AC-DC驱动芯片SM7012 典型应用

更多副边反馈AC-DC驱动芯片型号推荐
| 型号 | 描述 | 封装形式 |
| SM7012 | 5-8W副边反馈,内置650V功率管 | SOP8、DIP8 |
| SM7022 | 5-12W副边反馈,内置650V功率管 | SOP8、DIP8 |




