"固定18V非隔离内置650V功率管AC-DC电源芯片"这是一个特定设计的AC-DC电源芯片,具有以下特点:
固定18V:这意味着该电源芯片的输入电压是固定的,为18伏特。这意味着无论输入电压如何变化,输出电压将保持在相同的电压水平。
非隔离:与之前提到的一样,这个电源芯片不提供输入和输出之间的电气隔离。这对于某些低成本、紧凑和非关键应用可能是合适的。
内置650V功率管:该芯片内部集成了一个能够处理高达650伏特电压的功率晶体管,用于直流电源的开关和调整。
这种电源芯片的一个显著特点是输入电压固定在18伏特,这可能适用于某些特定的应用场景,但也可能限制了其灵活性,因为无法适应不同的输入电压范围。如果您需要更多的电源稳定性,同时也需要适应不同输入电压的电源,您可能需要考虑具有可调输出电压的电源芯片或具备更广输入电压范围的设计。
请注意,电源芯片的性能和特性可能因制造商和具体型号而异,因此在选择和使用电源芯片时,建议查看相关的数据手册和制造商提供的信息,以确保其满足您的具体需求。

固定18V非隔离内置650V功率管AC-DC电源芯片功能
固定18V非隔离内置650V功率管AC-DC电源芯片的功能是将交流电源(通常是来自电源插座的电源)转换为固定的直流电源,输出电压为18伏特。以下是这种电源芯片的主要功能:
输入电压转换:它能够接受来自交流电源的输入电压,并将其转换为直流电压。
输出电压固定:电源芯片的主要功能之一是将输入电压稳定地转换为18伏特的直流输出电压。这种稳定的输出电压对于许多电子设备来说是必需的,以确保它们正常工作。
非隔离设计:电源芯片的电路设计是非隔离的,这意味着输入和输出之间没有电气隔离。这适用于一些应用,但需要小心处理以确保电气安全性。
内置功率晶体管:电源芯片内部集成了一个能够处理高达650伏特电压的功率晶体管。这个功率晶体管通常用于开关模式电源转换,以提高效率和稳定性。
紧凑设计:由于集成了许多电路元件,这种电源芯片通常具有紧凑的设计,适用于空间有限的应用。
用途:这种电源芯片通常用于各种电子设备,例如电脑、显示器、家电、充电器等,以为它们提供稳定的直流电源。
需要注意的是,这种电源芯片的主要特点是输出电压固定在18伏特,并且没有电气隔离。如果您需要更大的灵活性或其他功能,可能需要考虑其他类型的电源芯片或额外的外部电路。最终选择应基于具体的应用需求和设计要求。
18V非隔离内置650V功率管AC-DC电源芯片用途
18V非隔离内置650V功率管AC-DC电源芯片在电子设备中具有多种用途,主要是将交流电源转换为直流电源并提供稳定的电源供应。以下是一些常见的用途:
充电器:这种电源芯片可以用于制造各种类型的充电器,包括手机、平板电脑、笔记本电脑等设备的充电器。它们将来自电源插座的交流电转换为所需的直流电,以充电电池或电子设备。
电视和显示器:这种电源芯片可以用于电视、计算机显示器和其他显示设备,以提供稳定的直流电源,确保这些设备正常工作。
家用电器:它们可以用于家用电器,如微波炉、冰箱、洗衣机等,以提供它们所需的直流电源。
计算机硬件:这种电源芯片可以用于计算机主机、服务器和网络设备,以为它们提供稳定的电源。
LED照明:用于LED照明系统,以将交流电源转换为适用于LED灯的直流电源。
工业自动化:在工业环境中,这种电源芯片可以用于各种自动化设备和控制系统,以确保它们的电源稳定性。
医疗设备:在医疗设备中,如医用电子仪器和医疗成像设备,需要可靠的电源供应,这种电源芯片可以满足这些需求。
通信设备:用于各种通信设备,包括基站、路由器和交换机,以确保它们的电源稳定。
总之,这种类型的电源芯片在许多电子设备中都有广泛的用途,用于将交流电源转换为直流电源,并提供可靠的电源供应。这有助于确保设备的正常运行,并提供所需的电能。由于这种电源芯片具有固定的18伏特输出电压,因此通常用于对输出电压要求较为稳定的应用。
非隔离AC-DC 电源芯片 SM7055-18介绍
SM7055-18是一款高精度非隔离降压恒压控制芯片,适用于85Vac~265Vac全电压范围应用;SM7055-18内部集成650V高压功率管,内置CS电阻,无需外部补偿元件,即可实现优异的线性调整率和负载调整率,外围元件极少,大大的降低了系统的成本,节约了PCB的尺寸。
非隔离AC-DC 电源芯片SM7055-18特征:
输入电压: 85Wac 265Vac
拓扑结构支持: 低成本BUCK、BUCK-BOOST等方案
采用650V单芯片集成工艺
待机功耗小于60mg220Vac
集成高压启动电路
集成高压功率开关+
60KHz固定开关频率
电流模式PWM控制方式
内置抖频技术,提升EMC性能
内重过温、过流、过压、欠压等?;すδ?/p>
内重软启动
内置智能软驱动技术 (提高EMC性能)
封装形式: T0252-2、 T0251
非隔离AC-DC电源芯片SM7055-18应用领域:
电饭煲、电压力锅等小家电产
品电源
非隔离AC-DC 电源芯片SM7055-18管脚图:

非隔离AC-DC 电源芯片SM7055-18输出功率表:
| 输入电压 | 85Vac~265Vac | 180Vac~265Vac |
| 最大电流 | 250mA | 300mA |
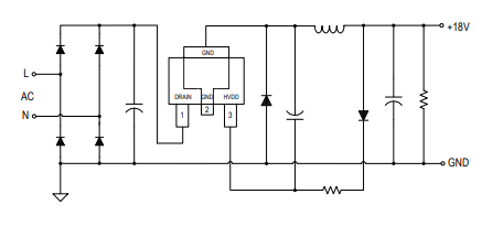
非隔离AC-DC 电源芯片 SM7055-18 典型应用:

更多输入固定18V非隔离AC-DC 电源芯片型号推荐:
| 型号 | 描述 | 封装形式 |
| SM7055-18 | 输出固定18V,输出250mA非隔离,内置650V功率管 | DIP8、TO252-2 |
| SM7075-18 | 输出固定18V,输出300mA非隔离,内置650V功率管 | DIP8、TO252-2 |




