电源适配器是将市电交流电源转换为小家电所需的直流电源的装置。AC-DC降压型驱动芯片在电源适配器中起着关键作用,以下是其在这种应用中的特点:

高效能转换: 电源适配器需要将高电压的交流电源转换为小家电所需的低压直流电源,因此降压型驱动芯片需要具备高效能的电能转换能力,以减少能量损耗。
稳定的输出电压: 小家电通常对电源的稳定性要求较高,以保证设备正常工作。降压型驱动芯片需要能够稳定地输出所需的直流电压,避免电压波动对设备造成不良影响。
电流控制: 驱动芯片需要控制输出电流,以满足小家电的工作需求。不同的小家电可能需要不同的电流输出,因此驱动芯片需要具备调节电流的能力。
过载?;ぃ? 电源适配器需要具备过载?;すδ?,以防止电路过载损坏。驱动芯片通?;峒晒乇;さ缏?,监测输出电流,一旦检测到过大的电流,会自动切断电源。
EMI抑制: 电磁干扰(EMI)是一个重要的考虑因素,特别是在小家电领域。驱动芯片需要具备抑制EMI的能力,以确保设备在工作时不会对周围的电子设备产生干扰。
紧凑设计: 电源适配器通常需要具备小巧的设计,以适应小家电的使用场景。降压型驱动芯片需要具备高集成度,以减小外部元件的数量,从而实现紧凑的设计。
低功耗待机模式: 待机功耗是一个重要的考虑因素,特别是对于小家电。驱动芯片需要支持低功耗的待机模式,以减少能源浪费。
温度管理: 电源适配器在工作时可能会产生热量,因此驱动芯片需要具备温度管理功能,确保芯片的温度在安全范围内。
综上所述,电源适配器中的AC-DC降压型驱动芯片需要具备高效、稳定、可靠、EMI抑制等特点,以满足小家电的电源需求,并确保设备在各种工作条件下都能正常运行。不同的应用和制造商可能会有不同的要求,因此驱动芯片的设计和特点可能会有所差异。
AC-DC降压型SSR/Buck/Buck-Boost驱动芯片SM7012型号介绍
SM7012是采用电流模式PWM控制方式的功率开关芯片,集成高压启动电路和高压功率管,为低成本的开关电源系统提供高性价比的解决方案。 芯片的VDD工作电压范围宽,同时芯片提供了过温、过流、过压、欠压等保护功能,保证了系统的可靠性。
AC-DC降压型SSR/Buck/Buck-Boost驱动芯片SM7012型号特征
输入电压: 85Vac 265Vag
待机功耗小于120mw@220Wac
集成高压启动电路
集成高压功率开关
9V~39V宽VDD工作电压
电流模式PMM控制方式
内置过温、过流、过压、欠压锁定等?;すδ?/p>
兼容VIPer12管脚(不需要修改电路走线及变压器)
封装形式:DIP8、SOP8
AC-DC降压型SSR/Buck/Buck-Boost驱动芯片SM7012应用领域
典型电磁炉 BUCK 电路应用方案
小功率充电器
小功率适配器
待机电源
DVB 以及其他便携式设备电源
AC-DC降压型SSR/Buck/Buck-Boost驱动芯片SM7012管脚图

AC-DC降压型SSR/Buck/Buck-Boost驱动芯片SM7012输出功率表
| 输入电压 | 85Va6-265Vac | 180Va0-265Vac |
| 输出功率 (SOP8) | 5W | 8W |
| 输出功率 (DIP8) | 8W | 13W |
注: 输出功率 10W 以上,建议根据实际方案增加散热措施:
增加独立散热片:
其他散热措施。
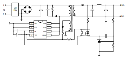
AC-DC降压型SSR/Buck/Buck-Boost驱动芯片SM7012应用电路图

更多热门应用于电源适配器小家电AC-DC降压型SSR/Buck/Buck-Boost驱动芯片系列推荐
| 型号(封装形式) | 拓扑结构 | 输出功率 | 待机功耗 | 驱动方式 | 电池 | 最大频率 | 模式 | 电压 | 应用领域 |
| SM7012(SOP8 ) | SSR/Buck/Buck-Boost | 5W | <120mW | Inside | ±1% | 60KHz | PWM | 650V | 电源适配器、小家电 |
| SM7012(DIP8) | SSR/Buck/Buck-Boost | 8W | <120mW | Inside | ±1% | 60KHz | PWM | 650V | 电源适配器、小家电 |
| SM7022(SOP8 ) | SSR/Buck/Buck-Boost | 5W | <120mW | Inside | ±1% | 60KHz | PWM | 650V | 电源适配器、小家电 |
| SM7022(DIP8) | SSR/Buck/Buck-Boost | 12W | <120mW | Inside | ±1% | 60KHz | PWM | 650V | 电源适配器、小家电 |




