开发方案IC芯片规格参数
| 封装图 | 型号 | 封装 | Topology | IOUT Precision | IOUT.MAX | HV_MOSFET | BVDSS | Channel | Segment | Dimming mode | 应用资料 |
|---|---|---|---|---|---|---|---|---|---|---|---|
![]() | SM2318EA | ESOP8 | Linear | <±5% | 80mA,110mA | Inside | 500V | 3 | 1 | SCR | 产品详情 |
| 封装图 | 型号 | 封装 | Topology | IOUT Precision | IOUT.MAX | HV_MOSFET | BVDSS | Channel | Segment | Dimming mode | 应用资料 |
|---|---|---|---|---|---|---|---|---|---|---|---|
![]() | SM2196KF | ESOP8 | Linear | <±5% | 330mA | Inside | 500V | 1 | 1 | SCR | 产品详情 |
| 封装图 | 型号 | 封装 | Topology | IOUT Precision | IOUT.MAX | HV_MOSFET | BVDSS | Channel | Segment | Dimming mode | 应用资料 |
|---|---|---|---|---|---|---|---|---|---|---|---|
![]() | SM2196EM | ESOP8 | Linear | <±4% | 280mA | Inside | 500V | 2 | 1 | SCR | 产品详情 |
这是一种可控硅作为开关器件进行电压调节和电流调节的方案,用于对高压、高功率的 LED 灯具进行线性恒流调光。该方案通过精确的控制可控硅的导通角度实现精准的电压调节,从而实现恒流调光的效果。
该方案具有以下优点:稳定性高、精准调光、可靠性高、可适应不同功率的 LED 灯具。此外,该方案还具有过压、过流、过温、瞬变保护等多种?;せ?,安全性好。
综上所述,高压可控硅线性恒流调光解决方案是一种高效、可靠的 LED 灯具调光方案,适用于大功率 LED 灯具、照明等应用场合,可使产品更加稳定、节能、环保。
可控硅调光方案选型
| 交流电压 | 芯片型号 |
| 120Vac可控硅调光 | SM2196GF、SM2196KF-J、SM2196EM、SM2196EHK、SM2196EJ |
| 230Vac可控硅调光 | SM2018E、SM2318EA |
可控硅调光方案
支持北美120Vac输入可控硅调光应用;
专利的调光控制技术;
具有国际专利,应用无专利风险;
调光兼容性好,可兼容市面90%以上调光器;
高效率,光效更高,散热更好;
外围结构简单,可用于小型化灯具;
内置500V高压管。




| 芯片 | SM2196EM | SM2196EJ | SM2196KF |
| 电流 | 260mA | 380mA | 380mA |
| 功率 | ≤7W | ≤11W | ≤13W |

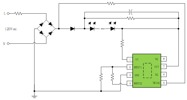
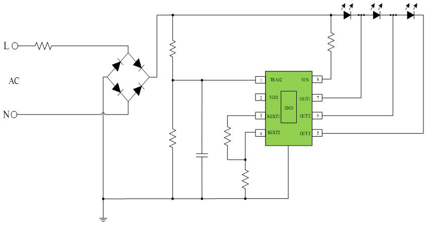
SM2196EM/SM2196EJ 可控硅调光方案

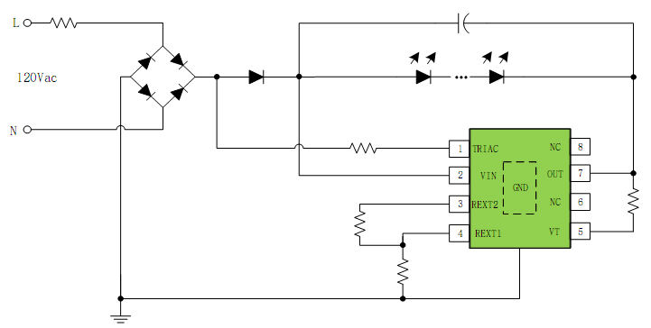
SM2196KF 可控硅调光方案
可控硅兼容列表
| 序号 | 可控硅型号 | SM2196KF | 序号 | 可控硅型号 | SM2196KF |
| 1 | DV-603PG | ? | 12 | 6674 | ? |
| 2 | DV-600P | ? | 13 | SAL-06P | ? |
| 3 | S-600P | ? | 14 | AYCL-153P | ? |
| 4 | S-603P | ? | 15 | AYCL-253P | ? |
| 5 | 6681 | ? | 16 | CTCL-153P | ? |
| 6 | MACL-153M | ? | 17 | SCL-153P | ? |
| 7 | MRF2-6CL | ? | 18 | DVSCCL-153P | ? |
| 8 | PD-6WCL | ? | 19 | DVSCCL-253P | ? |
| 9 | MSCL-VP153M | ? | 20 | DVCL-153P | ? |
| 10 | MSCL-VP153M | ? | 21 | FEIT | ? |
| 11 | 6672 | ? |

支持120Vac、230Vac可控硅调光应用;
支持前切、后切调光器;
支持模拟调光应用;
支持使能调光应用;
外围结构简单,可用于小型化灯具;
输出最大电流:100mA;
内置500V高压管。
| 芯片 | SM2018E |
| 电流 | 100mA |
| BV | 500V |



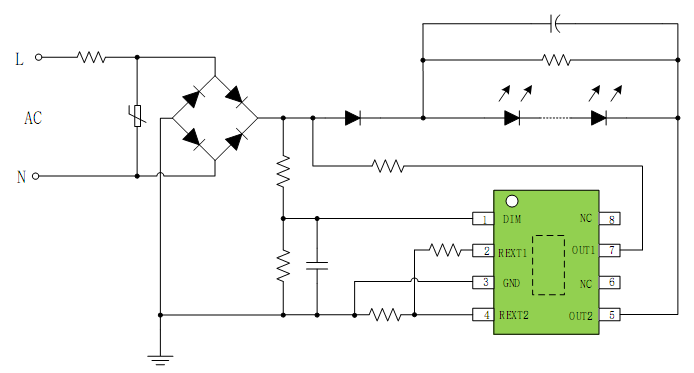
SM2018E 可控硅调光方案

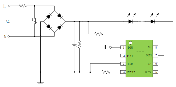
SM2018E 使能调光方案
支持120Vac、230Vac可控硅调光应用;
支持前切、后切调光器;
PF>0.9,THD<20%;
支持PWM调光;
支持模拟调光应用;
支持使能调光应用;
支持无电解应用;
输出最大电流:100mA;
内置500V高压管。
| 芯片 | SM2318EA |
| 电流 | 100mA |
| BV | 500V |


可控硅调光 模拟调光 PWM调光
标签:
可控硅调光方案





